电脑桌面
添加小米粒文库到电脑桌面
安装后可以在桌面快捷访问

第9讲节点1铰接柱脚与刚接柱脚在传力机理和节点构造设计地区别VIP免费

第9讲节点1铰接柱脚与刚接柱脚在传力机理和节点构造设计地区别_第1页
1/7
第9讲节点1铰接柱脚与刚接柱脚在传力机理和节点构造设计地区别_第2页
2/7
第9讲节点1铰接柱脚与刚接柱脚在传力机理和节点构造设计地区别_第3页
3/7
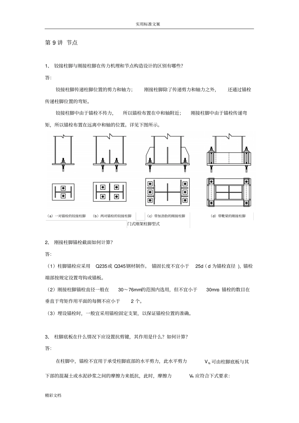
实用标准文案精彩文档第9讲节点1、铰接柱脚与刚接柱脚在传力机理和节点构造设计的区别有哪些?答:铰接柱脚传递柱脚位置的剪力和轴力;刚接柱脚除了传递剪力和轴力之外,还通过锚栓传递柱脚位置的弯矩。铰接柱脚中由于锚栓不传力,所以锚栓布置在中和轴附近;刚接柱脚中由于锚栓传递弯矩,所以锚栓布置在远离中和轴的位置。详见下图所示。2、刚接柱脚锚栓截面如何计算?答:(1)柱脚锚栓应采用Q235或Q345钢材制作。锚固长度不宜小于25d(d为锚栓直径),锚栓端部按规定设置弯钩或锚板。(2)刚接柱脚锚栓直径一般在30~76mm的范围内选用,但不宜小于30mm。锚栓的数目在垂直于弯矩作用平面的每侧不应小于2个。(3)埋设锚栓时,一般宜采用锚栓固定支架,以保证锚栓位置的准确。3、柱脚底板在什么情况下应设置抗剪键,其作用是什么?如何计算?答:在柱脚中,锚栓不宜用于承受柱脚底部的水平剪力,此水平剪力fbV可由柱脚底板与其下部的混凝土或水泥砂浆之间的摩擦力来抵抗,此时,摩擦力Vfb应符合下式要求:(a)一对锚栓的铰接柱脚(b)两对锚栓的铰接柱脚(c)带加劲肋的刚接柱脚(d)带靴梁的刚接柱脚门式刚架柱脚型式实用标准文案精彩文档0.4fbVNV≥当不能满足上式的要求时,当摩擦力不能抵抗柱脚的水平剪力时,应按下错误!未找到引用源。所示的形式设置抗剪键。4、钢柱与底板的连接焊缝有哪几种形式?如何通过计算来保证其安全可靠?答:(1)当采用铰接柱脚时a)当H形截面柱与底板采用周边角焊缝时(如下图a所示),焊缝强度应按下列公式计算:wNcffewNfA≤wvfewwVfA≤22wNcfsvfff≤式中N—钢柱的轴心压力;Aew—沿钢柱截面四周角焊缝的总的有效截面面积;V—钢柱的水平剪力;Aeww—钢柱腹板处的角焊缝有效面积。f—正截面角焊缝的强度设计值增大系数;wff—角焊缝的强度设计值;fs—角焊缝的折算应力。b)H形截面柱翼缘采用完全融透的对接焊缝,腹板采用角焊缝连接时(如下图b所示),焊缝强度按下列公式计算:2wNcffFewwNfAA≤抗剪键(a)立面图(b)模型图抗剪键示意图膨胀细石混凝土抗剪键基础实用标准文案精彩文档wvfewwVfA≤22wNcfsvfff≤式中AF—单侧翼缘的截面面积。c)当H形截面柱与底板采用完全融透的坡口对接焊缝时(如下图c所示),可以认为焊缝与柱截面是等强的,不必进行焊缝强度的验算。(2)当采用刚接柱脚时通常情况下,柱脚底板与柱下端的连接焊缝,无论是否设有加劲肋,均可按无加劲肋的情况进行计算。当加劲肋与柱和底板的连接焊缝质量有可靠保证时,也可采用底板与柱下端和加劲肋的连接焊缝的截面性能进行计算。当不考虑加劲肋与底板连接焊缝的作用时,底板与柱下端的连接焊缝,可按以下情况确定。a)当H形截面柱与底板采用周边角焊缝时(如上图a所示),焊缝强度应按下列公式计算:wNcffewNfA≤wMcffewMfW≤wvfewwVfA≤22wNcMcfsvfff≤底板与钢柱下端的连接焊缝示意图(a)(b)(c)(a)周边为角焊缝连接;(b)翼缘为完全焊透的坡口对接焊缝,腹板为角焊缝连接;(c)周边为完全焊透的坡口对接焊缝连接实用标准文案精彩文档式中N、M、V—作用于柱脚处的轴心压力、弯矩和水平剪力;Aew—沿钢柱截面四周角焊缝的总的有效截面面积;Aeww—钢柱腹板处的角焊缝有效截面面积;Wew—沿钢柱截面周边的角焊缝的总有效截面模量;f—正截面角焊缝的强度设计值增大系数;wff—角焊缝的强度设计值;fs—角焊缝的折算应力。b)当H形截面柱翼缘采用完全融透的对接焊缝,腹板采用角焊缝连接时(如上图b所示),作用于钢柱柱脚处的轴力及弯矩通过翼缘与柱底板的对接焊缝传递至基础,剪力通过腹板与柱底板的角焊缝传递至基础,焊缝强度按下列公式计算:2wNcffFewwNfAA≤wMcffFMfW≤wvfewwVfA≤①对翼缘:wfNcMcfff≤②对腹板:22wNcfsvfff≤式中AF—单侧翼缘的截面面积;WF—翼缘的截面模量。c)当H形截面柱与底板采用完全融透的坡口对接焊缝时(如上图c所示),可以认为焊缝与柱截面是等强的,不必进行焊缝强度的验算。5、摇摆柱与斜梁的连接与构造?答:摇摆柱构造形式简单,传力明确。仅传递竖向荷载,不传递水平荷载。实用标准文案精彩文档(a)节点一(b)节点二摇摆...

1、当您付费下载文档后,您只拥有了使用权限,并不意味着购买了版权,文档只能用于自身使用,不得用于其他商业用途(如 [转卖]进行直接盈利或[编辑后售卖]进行间接盈利)。
2、本站所有内容均由合作方或网友上传,本站不对文档的完整性、权威性及其观点立场正确性做任何保证或承诺!文档内容仅供研究参考,付费前请自行鉴别。
3、如文档内容存在违规,或者侵犯商业秘密、侵犯著作权等,请点击“违规举报”。

碎片内容

第9讲节点1铰接柱脚与刚接柱脚在传力机理和节点构造设计地区别

确认删除?
VIP
微信客服
  • 扫码咨询
会员Q群
  • 会员专属群点击这里加入QQ群
客服邮箱
回到顶部