电脑桌面
添加小米粒文库到电脑桌面
安装后可以在桌面快捷访问

水下礁石清炸工程施工方案VIP免费

水下礁石清炸工程施工方案_第1页
1/8
水下礁石清炸工程施工方案_第2页
2/8
水下礁石清炸工程施工方案_第3页
3/8
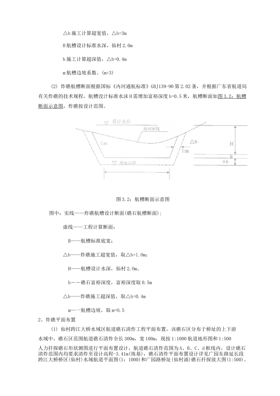
水下礁石清炸工程施工方案3.1.1、工程概况在桥址处河宽约220M,该处桥址位置水域航置对航道水域内存在有礁石的实际情况。考虑到以后将对航运的发展与航道规划建设和航道整治带来不利的影响,故航道主管单位对此提出需清炸该水域航道礁石的意见。河床地质:经进行礁石范围及埋扦探测量可知仙村涌拟建桥水域河段的河床底质以粉砂为主,经插探测量深度5m以内局部有礁石存在,其余均主要是粉砂。礁石性质:项目场区河床底埋藏礁石主要在拟建东江特大桥桥址水域河段范围,礁石为褐灰色及灰黄色粉砂岩、细砂岩,呈粉(细)质结构,层状结构为泥钙(硅)质胶结,N36.5平均击数为42.5击。3.1.2、航道炸礁工程设计1、航槽设计断面(1)疏浚航槽断面根据中华人民共和国交通部(89)交工508号文颁发的JTJ284—89《疏浚工程施工技术规范》和《关于修改疏浚工程量计算断面的通知》(工港字[1994]019号)挖槽断面如图3.1:挖槽断面示意图图3.1:挖槽断面示意图图中:实线一一航糟设计断面(非礁石航槽断面)虚线——工程量计算断面B——航槽设计标准底宽,B=70m△b施工计算超宽值,△b=3mH航槽设计标准水深,仙村2.0mh施工计算超深值,△h=0.4mm航槽边坡系数。(m=3)(2)炸礁航槽断面根据国标《内河通航标准》GBJ139-90第2.02条,并根据广东省航道局有关炸礁的技术规程,航糟没汁标准水沫H需增加富裕深度h=0.5米,航糟断面如图3.2:航糟断面示意图,炸礁按设计范围。图3.2:航糟断面示意图图中:实线——炸礁航槽设计断面(礁石航槽断面);虚线——工程计算断面;B——航槽标准底宽;△b——炸礁施工超宽值,取△b=l.Om;H——航槽设计水深,仙村2.Om。h――礁石富裕深度,富裕深度取0.5m△h——炸礁施工超深值,取△h=0.4mm—一航槽边坡,取m=O.52、炸礁平面布置(1)仙村跨江大桥水域区航道礁石清炸工程平面布置,该礁石区分布于桥址的上下游水域中,礁石区范围航道礁石清炸全长300m,宽100m,现按1:1000航道地形图和1:500人力扦探礁石形状测图进行平面布置设计,航道礁石清炸范围为A、B、C、d框线内,设计礁石清炸范围内均要求清炸至设计高程-3.41m(珠基),礁石清炸平面布置设计详见广园东路延长段跨江大桥桥区(仙村)水域航道平面图(1:1000)和广园路桥址(仙村涌)礁石扦探放大图(1:500)。(2)航道礁石清炸工程量计算根据广东省航道勘测设计科研所测量队于2002年对仙村桥区水域礁石扦探放大图(1:500)和业主单位提供仙村(1:1000))航道地形测图,经过修正绘图水位后新绘制的航道地形图,采用浇取水深点水深,间距和断面间距数据,输入计算机计算。其中计算覆盖层土万时边坡采用1:3施工超宽采用3m,施工超深采用0.4m,礁石边坡采用1:0.5,施工超宽采用1.0m,施工超深值采用0.4m,各礁石及覆盖层工程量见表3.1:炸礁及清覆盖层工程量数量表。表3.1:炸礁及清覆盖层工程量数量表仙村桥区炸礁工程量(m3)清覆盖层土方(m3)50201013(3)石渣抛卸区的拟定根据仙村桥区航道水深地形图,仙村桥区水域深槽较少,礁石清炸量不大,可将清炸的礁石石渣抛至岸边堤岸作护堤脚用。同时可抛卸部分在深槽,抛卸高程控制茬-6.00m(珠基)以下,东江桥区水域上游河段有面积较大的深槽,这些深糟对现状航道的水流状况和白鹤洲头的稳定有一定影响,宜采用石渣卸填。以保护白鹤洲头岸线的稳定。卸区范围详见"广园东路延龙段跨江大桥桥区水域航道地形图"。3.1.3、水下炸礁施工1、水下炸礁方法选择航道水下炸礁的方法一一般有裸露爆破、钻孔爆破、爆破三大类,根据本工程项目条件,拟采用钻孔爆破方法进行本项目的航道礁石爆破工作,即采用机械钻机,水下钻孔爆破,爆破后再用抓斗(采用抓石斗)挖泥船清渣的施工方法。水下钻孔爆破则选用钻孔爆破船施工。施工采用从上游往下游施工的程序,在施工时应采用钻机钻孔与清石渣同时进行的平行施下方法,以加快施工进度,工程施工时,要求严格执行有关爆破工程有关规范和规程。2、钻孔爆破船的选择本工程项目施工选择钻孔爆破船,除满足一般船舶要求外,还应符合以下要求:(1)船上要有足够的甲板面积,满足搭建工作平台及安装辅助设备、生活设施的需要。(2)船舶锚锭后有足够的稳性,钻孔定位后船舶平面移动很小,一般要...

1、当您付费下载文档后,您只拥有了使用权限,并不意味着购买了版权,文档只能用于自身使用,不得用于其他商业用途(如 [转卖]进行直接盈利或[编辑后售卖]进行间接盈利)。
2、本站所有内容均由合作方或网友上传,本站不对文档的完整性、权威性及其观点立场正确性做任何保证或承诺!文档内容仅供研究参考,付费前请自行鉴别。
3、如文档内容存在违规,或者侵犯商业秘密、侵犯著作权等,请点击“违规举报”。

碎片内容

水下礁石清炸工程施工方案

您可能关注的文档

确认删除?
VIP
微信客服
  • 扫码咨询
会员Q群
  • 会员专属群点击这里加入QQ群
客服邮箱
回到顶部