电脑桌面
添加小米粒文库到电脑桌面
安装后可以在桌面快捷访问

型钢标准焊接接头.VIP免费

型钢标准焊接接头._第1页
1/14
型钢标准焊接接头._第2页
2/14
型钢标准焊接接头._第3页
3/14
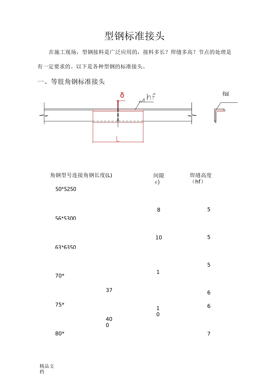
精品文档角钢型号连接角钢长度(L)50*525056*530063*6350间隙e)8101070*13775*80*4004110焊缝高度(hf)555667型钢标准接头在施工现场,型钢接料是广泛应用的,接料多长?焊缝多高?节点的处理是有一定要求的。以下是各种型钢的标准接头。一、等肢角钢标准接头倒精品文档90*8460127100*10490129110*10540129125*126401410140*146901412160*147901412180*168601414200*208402018二、不等肢角钢标准接头©倒棱丄厂角钢型号连接角钢长度(L)间隙(©)焊缝高度(hf)50*32*42505456*36*42755463*40*53008570*45*534010575*50*537010580*50*639010590*56*6440105精品文档100*63*8450107100*70*8460127100*80*8460127125*80*10540129140*90*125901211160*100*147001212180*100*107801412200*125*168501414三、普通工字钢标准接头翼缘水平盖板腹板连接板型b1t1l1hf1h1h2t2l2hf2号mmmm工1055102505654061105工12.660113005905561405工14651229061006581506精品文档工16701334061157581706工18801439061358582006工20a851444061509082406工20b851545061507583006工22a9016400817010082806工22b901641081708583406工25a95174408195130102608工25b95174508195115103208工28a100184908225150103108工28b1001841010225135103708工32a1052047010260165103808工32b1052047010260150104508工32c1102048010260130105308工36a11023510102952001238010工36b11023520102951851244010工36c11023450122951701251010工40a11025470123302251243010工40b11524480123302051251010工40c11524490123301851258010工45a12026540123752451252010工45b12026540123752251260010工45c12524510123752051269010精品文档工50a13028620124202701260010工50b13028620124202501269010工50c13026580124202251278010工56a13031590144753251460012工56b13530600144753051468012工56c13528560144752851477012工63a14032650145453751469012工63b14531660145453501479012工63c14529610145453251488012四、普通槽钢标准接头翼缘水平盖板腹板连接板型b1t1l1hf1h1h2t2l2hf2号mmmm830131905452061005103513220560306120512.640132206854561505精品文档14a4513240695558160614b4514250695456200616a50142706115658190616b50142806115558230618a55142906130758220618b55153106130658270620a60153406150908240620b60153406150758300622a601636061651008260622b65153606165858330625a601730081951208300625b601731081951058370625c65173208195808450628a651732082201358350628b651734082201108440628c65183408220908520632a7019380825517510830832b7019390825515510410832c7519400825513510480836a7524460828518510410836b7525460828516510490836c80244808285145105708精品文档40a802645010320210124301040b802745010320195125001040c8028460103201751258010五、等边双角钢标准接头型拼接角钢垫板号l1abhf1b1l2hf2mmmm40*4200460130440*5230460130445*4220465140445*5220565140445*6220665140450*42404701504a精品文档50*4230470150450*5230570150450*6240670150456*4260480160456*5260580160456*8330680160463*4290485170463*5290585170465*6290685170463*8370685180563*10350885180570*4320490180470*5320590180470*6320690180470*7370690190570*8410690190575*5340595160575*6350695160575*7390695200575*8440695200575*10410895200580*536051002105精品文档80*63706100210580*74206100210580*84606100220680*104408100220690*64106110200690*74606110200690*85206110230690*104908110230690*12480101102306100*645061202106100*751061202106100*858061202506100*1054081202506100*12530101202506100*14520121202908100*16470141202908110*756061302206110*863061302206110*1059081302206110*12570101302706110*14560121302708125*87201803061452906精品文档125*106701803081452906125*1265018030101453406125*1464018030121453408140*107501803081702708140*1272018030101702708140*1471018030121703108140*1664018030141703108160*1085018...

1、当您付费下载文档后,您只拥有了使用权限,并不意味着购买了版权,文档只能用于自身使用,不得用于其他商业用途(如 [转卖]进行直接盈利或[编辑后售卖]进行间接盈利)。
2、本站所有内容均由合作方或网友上传,本站不对文档的完整性、权威性及其观点立场正确性做任何保证或承诺!文档内容仅供研究参考,付费前请自行鉴别。
3、如文档内容存在违规,或者侵犯商业秘密、侵犯著作权等,请点击“违规举报”。

碎片内容

型钢标准焊接接头.

确认删除?
VIP
微信客服
  • 扫码咨询
会员Q群
  • 会员专属群点击这里加入QQ群
客服邮箱
回到顶部