电脑桌面
添加小米粒文库到电脑桌面
安装后可以在桌面快捷访问

力学完整计算题VIP专享VIP免费

力学完整计算题_第1页
1/30
力学完整计算题_第2页
2/30
力学完整计算题_第3页
3/30
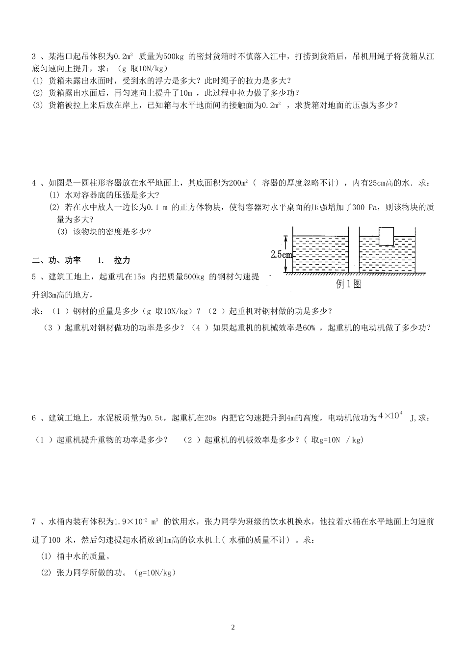
一、压强、浮力1、小军体重500N,他的家距离学校2400m,他骑自行车在水平路面上以4m/s的速度匀速直线行驶回校。有关数据在下表中列出:求:1)行驶过程中,车对地面的压强是多大?2)小军骑自行车上学一程至少要做多少功?7.如图所示,水平桌面的正中央放着一个圆形鱼缸,重为30N,其底面积为1200cm2,鱼缸内只装有0.2m深的水,水的质量是27kg。(g=10N/kg)请计算:(1)鱼缸内所装水的重力;(2)鱼缸底部受到水的压强;(3)鱼缸对桌面产生的压强。22.为迎接2008年北京奥运会,我国体育健儿均在紧张地备战。一举重运动员在某次训练中,用3s的时间将质量为150kg的杠铃举高1.8m.问:(1)杠铃在空中静止时(如图)对该运动员的压力是多大?(2)本次举起杠铃的过程中,该运动员对杠铃做了多少焦耳的功?功率为多少?(9分)如图21所示的电动观光车,有关技术参数如下表。空车质量1180kg电动机额定功率4kw满载乘员11人电动机额定电压48V满载时轮胎与地接触面积4×250cm2最大车速45km/h电动机效率80%平路续驶里程≤80km根据技术参数,求解下列问题:(g取10N/kg)(1)设乘员质量均为60kg,求满载时车对水平路面的压强。(3分)(2)电动机以额定功率工作半小时消耗多少电能?电动机对外做了多少功?若这一过程中,观光车以36km/h的速度沿水平路面匀速行驶,求车在行驶过程中受到的阻力。(6分)2、小明在溢水杯中装满水(此时水面正好到溢水口),然后把木块轻轻地放入溢水杯中,有20×10-6m3的水排入量筒,木块漂浮在水面上。(g=10N/kg,ρ木块=0.5×103kg/m3)求:(1)木块排开水的质量;(2)木块受到的浮力;(3)木块的体积。自行车净重250N行驶过程中轮胎与地面总接触面积5×10-3m2匀速行驶时的总阻力30N车轮半径0.3m轮胎承受的最大气压2×105Pa1图213、某港口起吊体积为0.2m3质量为500kg的密封货箱时不慎落入江中,打捞到货箱后,吊机用绳子将货箱从江底匀速向上提升,求:(g取10N/kg)(1)货箱未露出水面时,受到水的浮力是多大?此时绳子的拉力是多大?(2)货箱露出水面后,再匀速向上提升了10m,此过程中拉力做了多少功?(3)货箱被拉上来后放在岸上,已知箱与水平地面间的接触面为0.2m2,求货箱对地面的压强为多少?4、如图是一圆柱形容器放在水平地面上,其底面积为200m2(容器的厚度忽略不计),内有25cm高的水.求:(1)水对容器底的压强是多大?(2)若在水中放人一边长为0.1m的正方体物块,使得容器对水平桌面的压强增加了300Pa,则该物块的质量为多大?(3)该物块的密度是多少?二、功、功率1.拉力5、建筑工地上,起重机在15s内把质量500kg的钢材匀速提升到3m高的地方,求:(1)钢材的重量是多少(g取10N/kg)?(2)起重机对钢材做的功是多少?(3)起重机对钢材做功的功率是多少?(4)如果起重机的机械效率是60%,起重机的电动机做了多少功?6、建筑工地上,水泥板质量为0.5t,起重机在20s内把它匀速提升到4m的高度,电动机做功为J,求:(1)起重机提升重物的功率是多少?(2)起重机的机械效率是多少?(取g=10N/kg)7、水桶内装有体积为1.9×10-2m3的饮用水,张力同学为班级的饮水机换水,他拉着水桶在水平地面上匀速前进了100米,然后匀速提起水桶放到1m高的饮水机上(水桶的质量不计)。求:(1)桶中水的质量。(2)张力同学所做的功。(g=10N/kg)22.杠杆8、杠杆在我国使用久远.古人从水井中提起8kg的水(如图13所示),若人用50N的力把绳拉下2.5m,使水桶上升1m,求:(1)8kg的水重多少牛?(2)水桶的容积至少是多少立方米?(3)这次提水,人做的有用功和总功各是多少焦耳?(g取10N/kg;水密度为1.0×103kg/m3)9、做俯卧撑运动的人可视为杠杆.如图所示,一同学重500N,P点为重心,他每次将身体撑起,肩部上升0.4m,某次测试中,他1min内完成30次俯卧撑.求:(1)俯卧撑中的动力臂、阻力臂.(2)将身体匀速撑起,双手对地面的压力.(3)将身体撑起一次所做的功.(4)该同学在这1min内的功率.3.滑轮和滑轮组11.(8分)用如图所示的滑轮组匀速提升重为480N的物体G,所用拉力F为200N,将重物提升3m所用的时间为10s.求:(1)重物上升的速度.(2)拉力所做的有用功....

1、当您付费下载文档后,您只拥有了使用权限,并不意味着购买了版权,文档只能用于自身使用,不得用于其他商业用途(如 [转卖]进行直接盈利或[编辑后售卖]进行间接盈利)。
2、本站所有内容均由合作方或网友上传,本站不对文档的完整性、权威性及其观点立场正确性做任何保证或承诺!文档内容仅供研究参考,付费前请自行鉴别。
3、如文档内容存在违规,或者侵犯商业秘密、侵犯著作权等,请点击“违规举报”。

碎片内容

力学完整计算题

您可能关注的文档

确认删除?
VIP
微信客服
  • 扫码咨询
会员Q群
  • 会员专属群点击这里加入QQ群
客服邮箱
回到顶部