电脑桌面
添加小米粒文库到电脑桌面
安装后可以在桌面快捷访问

表1洗手液配方VIP免费

表1洗手液配方_第1页
1/4
表1洗手液配方_第2页
2/4
表1洗手液配方_第3页
3/4
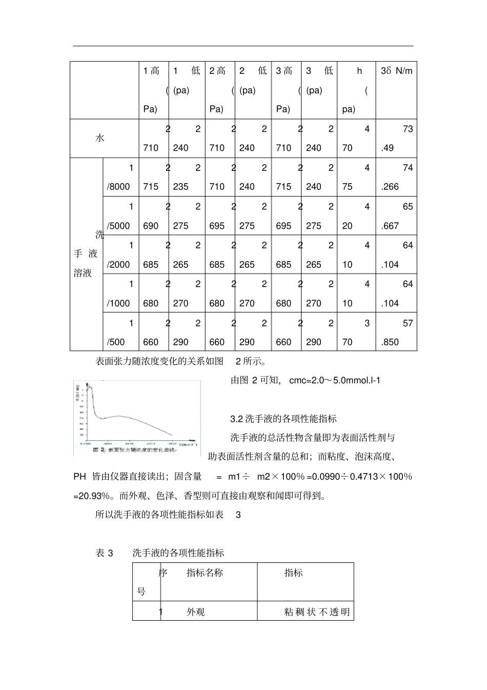
表1洗手液配方原料含量(质量%)主要作用AES(70%)10.0去污LAS(35%)15.0去污65012.0稳泡甘油2.0护肤苯甲酸钠0.5防腐NaCl3.0增稠珠光剂1.0增色香精2滴\苹果绿2滴调色去离子水加水至100.0溶剂2实验条件2.1洗手液的制备工艺(1)以配制100g产品为基准。用200ml的烧杯,按配方要求用加量法分别称取10.0gAES,15.0gLAS和0.5g苯甲酸钠。(2)在称好原料的烧杯中加入60g去离子水,在电炉上加热至60~70℃,搅拌使原料全部溶解。(3)适当降温后,用加量法加入6501,甘油和珠光剂,搅拌均匀。(4)加入余量去离子水,适量香精和苹果绿,搅拌均匀。(5)搅拌下缓慢加入NaCl,调节产品粘度。2.2洗手液的性能测定方法2.2.1水溶液表面张力的测定[1]2.2.1.1基本原理和方法提要将毛细管的端面与液面相切,液面即沿毛细管上升,打开抽气滴液漏斗的活塞,让水缓缓滴下,使毛细管内的溶液受到的压力比样品管中试样液面上来得大。当此压力差于毛细管端面是产生的作用力稍大于毛细管口液体的表面张力时,毛细管口的气泡即被压出,压差的最大值Pmax可从压力计上读出。若毛细管的半径为,则最大压力对气泡的作用力F=Πr2pmax;气泡在管口受到的表面张力为F=2πrδ则Πr2pmax=2πrδ∴δ=rPmax/2(而对于同一个毛细管来说r是一个定值)2.2.1.2试剂和仪器洗手液;表面张力测定装置1套;500ml容量5个2.2.1.3测定步骤(1)各种浓度洗手液的配制称取2.5g的洗手液于容量瓶中,加入蒸馏水至刻度线,则浓度为1/500,其它的浓度则采用稀释的方式配取。(2)溶液表面张力的测定样品管内加入蒸馏水,使之刚与毛细管相切.打开抽气滴液漏斗的活塞,让水缓慢滴下,使毛细管口逸出的气泡速宽以3~5s一个为宜,记录压力计两侧最高和最低读数三次,求取△h的平均值,并同时记录温度.同法测定各浓度的洗手液的表面张力.2.2.2PH值的测定[3]配制1%的洗手液溶液,用玻璃棒醮取溶液,滴在PH试纸上,再将其与标准比色卡比较,即可得到其的PH值.2.2.3固含量测定[3]2.2.3.1方法提要用分析天平称取小烧杯的质量,再加入m1的洗手液,将烧杯放入高温炉中,105℃灼烧3h,取出,冷却到室温,称重,然后进行第二次,三次灼烧,直到两次称量不大于0.4mg,最后质量为m2。2.2.3.2试剂和仪器小烧杯1个;烘箱1个;洗手液2.2.4粘度测定使用方法请参照旋转粘度计(NDJ—7型)说明书2.2.5泡沫力测定[2]试剂和仪器500ml容量瓶1个;250ml量筒2个方法提要及测定步骤用500ml容量瓶配制1/400mol.l-1的洗手液溶液,取其溶液80ml,加入20ml的自来水,在250ml量筒中加入上述溶液50ml,塞住量筒口上下摇动三次,记下泡沫高度。3结果与讨论3.1洗手液的临界胶束浓度cmc在室温、室压下,测得实验数据如表2所示。表2洗手液表面张力实验数据HHHHHH△101高(Pa)1低(pa)2高(Pa)2低(pa)3高(Pa)3低(pa)h(pa)3δN/m水27102240271022402710224047073.49洗手液溶液1/800027152235271022402715224047574.2661/500026902275269522752695227542065.6671/200026852265268522652685226541064.1041/100026802270268022702680227041064.1041/50026602290266022902660229037057.850表面张力随浓度变化的关系如图2所示。由图2可知,cmc=2.0~5.0mmol.l-13.2洗手液的各项性能指标洗手液的总活性物含量即为表面活性剂与助表面活性剂含量的总和;而粘度、泡沫高度、PH皆由仪器直接读出;固含量=m1÷m2×100%=0.0990÷0.4713×100%=20.93%。而外观、色泽、香型则可直接由观察和闻即可得到。所以洗手液的各项性能指标如表3表3洗手液的各项性能指标序号指标名称指标1外观粘稠状不透明的液体2色泽淡紫色3香型玫瑰香4总活性物含量(%)225PH值86固含量123.87泡沫高度(cm)12.58Cmc(mmol.l-1)2.0~5.09粘度/(mpa.s)3603.3产品分析洗手液的颜色悦目,香型受到广大人群的欢迎,PH=8对人体的皮肤没有刺激作用,粘度为82mpa.s较高去污能较好。在测定洗手液的表面张力时1/8000的表面张力大于纯水的说明在此过程中有不当的操作,而以后的数据则完全与文献资料的变化规律相符。要浓度为1/500时为57.850×10-3N/m,这说明表面活性剂的复配也存在良好的协同作用。它的泡沫高度为12.5cm有一些高,这说明在配方中还应该加入适量的消泡剂。而固含量较高说明测量过程中没有对其烘干,含有少量的水分。4.结语

1、当您付费下载文档后,您只拥有了使用权限,并不意味着购买了版权,文档只能用于自身使用,不得用于其他商业用途(如 [转卖]进行直接盈利或[编辑后售卖]进行间接盈利)。
2、本站所有内容均由合作方或网友上传,本站不对文档的完整性、权威性及其观点立场正确性做任何保证或承诺!文档内容仅供研究参考,付费前请自行鉴别。
3、如文档内容存在违规,或者侵犯商业秘密、侵犯著作权等,请点击“违规举报”。

碎片内容

表1洗手液配方

您可能关注的文档

确认删除?
VIP
微信客服
  • 扫码咨询
会员Q群
  • 会员专属群点击这里加入QQ群
客服邮箱
回到顶部