电脑桌面
添加小米粒文库到电脑桌面
安装后可以在桌面快捷访问

课程设计之设计胶带输送VIP免费

课程设计之设计胶带输送_第1页
1/21
课程设计之设计胶带输送_第2页
2/21
课程设计之设计胶带输送_第3页
3/21
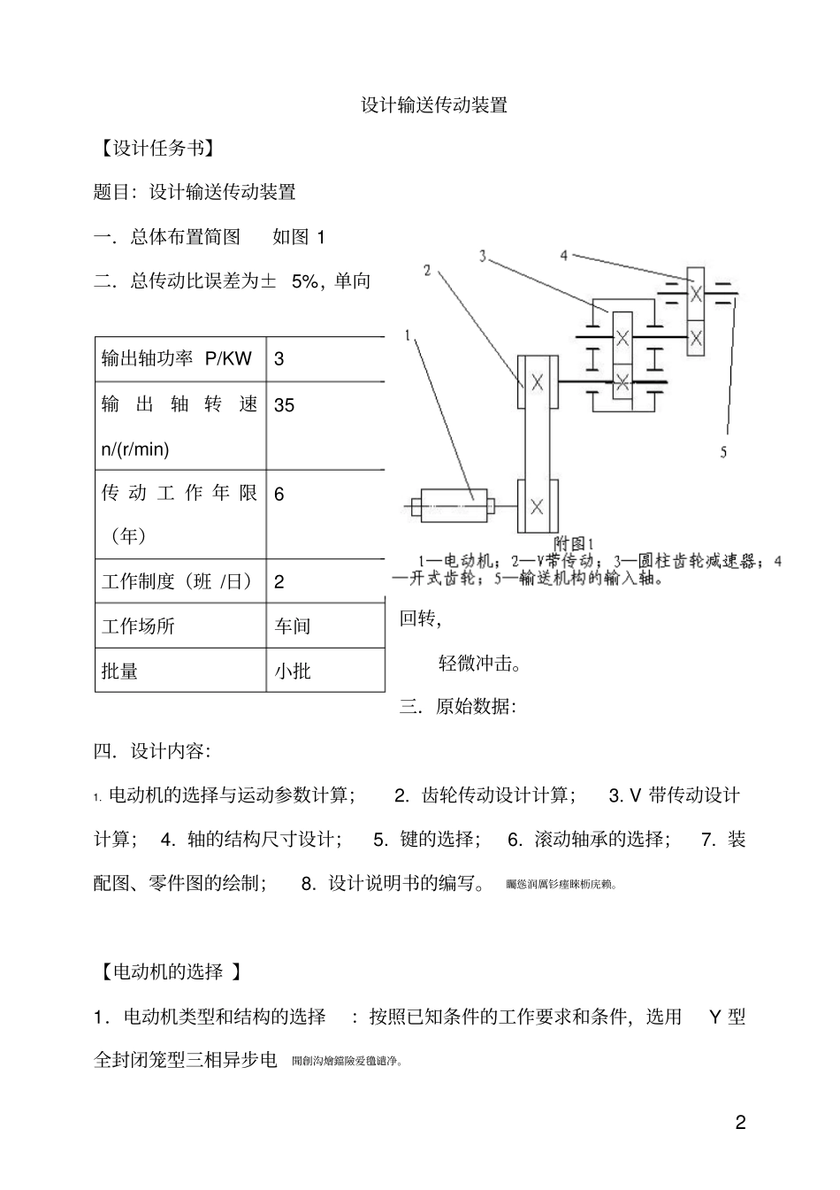
目录一课程设计书2二设计要求2三设计步骤21.传动装置总体设计方案32.电动机的选择43.确定传动装置的总传动比和分配传动比54.计算传动装置的运动和动力参数55.设计V带和带轮66.齿轮的设计87.滚动轴承和传动轴的设计198.键联接设计269.箱体结构的设计2710.润滑密封设计3011.联轴器设计30四设计小结31五参考资料322设计输送传动装置【设计任务书】题目:设计输送传动装置一.总体布置简图如图1二.总传动比误差为±5%,单向回转,轻微冲击。三.原始数据:四.设计内容:1.电动机的选择与运动参数计算;2.齿轮传动设计计算;3.V带传动设计计算;4.轴的结构尺寸设计;5.键的选择;6.滚动轴承的选择;7.装配图、零件图的绘制;8.设计说明书的编写。矚慫润厲钐瘗睞枥庑赖。【电动机的选择】1.电动机类型和结构的选择:按照已知条件的工作要求和条件,选用Y型全封闭笼型三相异步电聞創沟燴鐺險爱氇谴净。输出轴功率P/KW3输出轴转速n/(r/min)35传动工作年限(年)6工作制度(班/日)2工作场所车间批量小批3动机。2.电动机容量的选择:工作机所需功率:Pw=3kW电动机的输出功率:Pd=Pw/η,η≈0.82,Pd=3.66kW电动机转速的选择:nw=35r/min,V带传动比i1=2—4,单级齿轮传动比i2=3—5(查表2.3)残骛楼諍锩瀨濟溆塹籟。nd=(i1×i2×i2)nw。电动机转速范围为630—3500r/min3.电动机型号确定:由附录八查出符合条件的电动机型号,并根据轮廓尺寸、重量、成本、传动比等酽锕极額閉镇桧猪訣锥。因素的考虑,最后确定选定Y112M—4型号的电动机,额度功率为4KW,满载转速1440r/min【计算总传动比和分配传动比】1.由选定电动机的满载转速nm和输出轴转速nw,总传动比为i=nm/nw,得i=41.142.合理分配各级传动比:V带传动比i1=3,闭合齿轮传动比i2=3.5,开式齿轮传动比i3=3.923.运动和动力参数计算结果列于下表:彈贸摄尔霁毙攬砖卤庑。项目电动机轴轴I轴II轴III转速(r/min)144048013735功率(kW)3.663.483.313.01转矩(N·m)24.2769.20230.18821.834传动比33.53.92效率0.960.960.92【传动件设计计算】减速器齿轮设计:1.按表11.8选择齿轮材料小齿轮材料为45钢调质,硬度为220—250HBS謀荞抟箧飆鐸怼类蒋薔。大齿轮材料为45钢正火,硬度为170—210HBS2.因为是普通减速器,由表11.20选用9级精度,要求齿面粗糙度Ra=6.3厦礴恳蹒骈時盡继價骚。3.按齿面接触疲劳强度设计确定有关参数与系数:转矩:T=69154N·mm查表11.10得:载荷系数K=1.1选小齿轮齿数Z1=30,则大齿轮齿数Z2=iZ1=3.5×30=105。实际齿数比u=3.5茕桢广鳓鯡选块网羈泪。因单级直齿圆柱齿轮为对称布置,又为软齿面,由表11.19选取φd(齿宽系数)=14.许应接触应力[σH]:鹅娅尽損鹌惨歷茏鴛賴。由图11.23查得σHlim1=560MPaσHlim2=530MPa由表11.19查得Sh=1。N1=60·n1·j·Lh=60×480×1×(6×52×80)=7.2×10e8籟丛妈羥为贍偾蛏练淨。N2=N1/i=7.2×10e8/3.5=2.05×10e8由表11.26查得Zn1=1Zn2=1.055计算接触疲劳许用应力:預頌圣鉉儐歲龈讶骅籴。[σH]1=Zn1·σHlim1/Sh=560MPa[σH]2=Zn2·σHlim2/Sh=557MPa试算小齿轮分度圆直径,确定模数:d1≥76.43×3√KT1(μ+1)/φdμ[σH]e2=51.82mmm=d1/z1=1.73mm由表11.3取标准模数m=2mm5.主要尺寸计算:分度圆直径d1=mz1=2×30=60mmd2=mz2=2×105=210mm齿宽b=φdd1=1×60=60mm取b2=60mm则b1=b2+5=65mm中心距a=0.5×m(Z1+Z2)=135mm6.按齿根弯曲疲劳强度校核:由式(11.12)得出,如σF≤[σF],则校核合格。确定有关系数和参数:齿形系数YF,查表11.12得YF1=2.54YF2=2.14应力学整系数Ys,查表11.13得Ys1=1.63Ys2=1.88许应弯曲应力[σF]由图11.24查得σFlim1=210MpaσFlim2=190Mpa由表11.9查得SF=1.3由图11.25查得YNI=YN2=1由式(11.16)可得[σF]1=YNI·σFlim/SF=162Mpa[σF]2=YNI·σFlim/SF=146MPa渗釤呛俨匀谔鱉调硯錦。故计算出6σF1=21Mpa<[σF]1σF2=20Mpa<[σF]2齿根弯曲疲劳强度校核合格。7.验算齿轮的圆周速度:V=π·d1·n1/(60×1000)=1.5m/s由表11.21可知,选9级精度合适8.几何尺寸计算及绘制齿轮零件工作图:以大齿轮为例,齿轮的直...

1、当您付费下载文档后,您只拥有了使用权限,并不意味着购买了版权,文档只能用于自身使用,不得用于其他商业用途(如 [转卖]进行直接盈利或[编辑后售卖]进行间接盈利)。
2、本站所有内容均由合作方或网友上传,本站不对文档的完整性、权威性及其观点立场正确性做任何保证或承诺!文档内容仅供研究参考,付费前请自行鉴别。
3、如文档内容存在违规,或者侵犯商业秘密、侵犯著作权等,请点击“违规举报”。

碎片内容

课程设计之设计胶带输送

您可能关注的文档

确认删除?
VIP
微信客服
  • 扫码咨询
会员Q群
  • 会员专属群点击这里加入QQ群
客服邮箱
回到顶部