电脑桌面
添加小米粒文库到电脑桌面
安装后可以在桌面快捷访问

输气工技能鉴定高级操作题3份讲解VIP免费

输气工技能鉴定高级操作题3份讲解_第1页
1/15
输气工技能鉴定高级操作题3份讲解_第2页
2/15
输气工技能鉴定高级操作题3份讲解_第3页
3/15
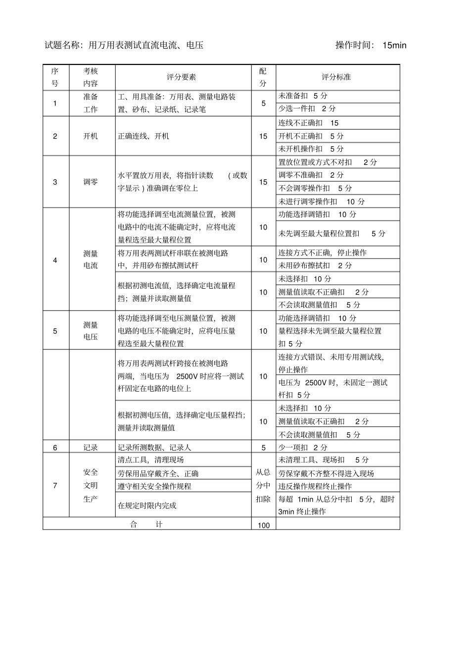
高级输气工技能考核项目1.用万用表测试直流电流、电压(Y)2..维护保养高级孔板阀(X)3.组装管件(Y)4.拆装保养截止阀(X)5对呼吸停止者复苏抢救操作(X)1.分析判断及处理输气管线的堵塞(笔试)(Y)2.分析判断计量上下游压力突变的原因(Y)3.收球作业的放空操作(X)4..现场发送清管器(X)5.从收球筒内取出清管器操作(X)1.测绘零件(X)2.自力式调压阀阀后压力降不下来的处理(X)3.输气场站设备及管线内外壁腐蚀原因分析及控制(笔试)(Z)4.站场输气管线安全动火操作(答辨)(Y)试题名称:用万用表测试直流电流、电压操作时间:15min序号考核内容评分要素配分评分标准1准备工作工、用具准备:万用表、测量电路装置、砂布、记录纸、记录笔5未准备扣5分少选一件扣2分2开机正确连线、开机15连线不正确扣15开机不正确扣5分未开机操作扣5分3调零水平置放万用表,将指针读数(或数字显示)准确调在零位上15置放位置或方式不对扣2分调零不准确扣2分不会调零操作扣5分未进行调零操作扣10分4测量电流将功能选择调至电流测量位置,被测电路中的电流不能确定时,应将电流量程选至最大量程位置10功能选择调错扣10分未先调至最大量程位置扣5分将万用表两测试杆串联在被测电路中,并用砂布擦拭测试杆10连接方式不正确,停止操作未用砂布擦拭扣2分根据初测电流值,选择确定电流量程挡;测量并读取测量值10未选择扣10分测量值读取不正确扣2分不会读取测量值扣5分5测量电压将功能选择调至电压测量位置,被测电路的电压不能确定时,应将电压量程选至最大量程位置10功能选择调错扣10分量程选择未先调至最大量程位置扣5分将万用表两测试杆跨接在被测电路两端,当电压为2500V时应将一测试杆固定在电路的电位上10连接方式错误、未用专用测试线,停止操作电压为2500V时,未固定一测试杆扣5分根据初测电压值,选择确定电压量程挡;测量并读取测量值10未选择扣10分测量值读取不正确扣2分不会读取测量值扣5分6记录记录所测数据、记录人5少一项扣2分7安全文明生产清点工具,清理现场从总分中扣除未清理工具、现场扣5分劳保用品穿戴齐全、正确劳保穿戴不齐整不得进入现场遵守相关安全操作规程违反操作规程终止操作在规定时限内完成每超1min从总分中扣5分,超时3min终止操作合计100试题名称:维护保养高级孔板阀操作时间:25min序号考核内容评分要素配分评分标准1准备工作工、用具准备:专用扳手、润滑脂、密封脂、活动扳手、平口螺丝刀、棉纱、石棉垫、清洗液、验漏液、注脂器、游标卡尺、内六方扳手、剪刀5未准备扣5分少选一件扣2分2停表点击计算机补偿,按操作规程停表5未点击计算机补偿扣5分未停表扣5分3取出孔板检查放空阀是否关闭;检查顶丝是否拧紧5未检查顶丝、放空阀扣5分开平衡阀,打开滑阀5未开平衡阀扣5分未开滑阀扣5分操作顺序不正确扣5分将孔板导板摇至上阀腔,闭滑阀,关平衡阀5操作步骤错、漏一处扣5分开上阀腔放空阀泄压至零5未开放空阀泄压就操作,停止操作卸松顶丝,取出顶板、压板、密封垫片5操作步骤错、漏一处扣2分上摇上腔提升轴,提出导板及孔板并检查孔板安装方向5未检查孔板安装方向扣5分孔板落地扣5分4检查清洗保养检查上阀腔5未未检查上阀腔扣5分有污物未清理扣2分清洗检查顶丝、顶板、压板、孔板、导板、橡胶密封圈,涂抹润滑脂5未清洗检查保养扣5少清洗检查保养一件扣2分清洗孔板;检查描述孔板状况(有无毛刺、划痕、变形、可见损伤、腐蚀、入口是否尖锐)5未清洗扣5分少检查一项扣2分排污吹扫缓慢打开下阀腔排污阀排污,排污后关闭5未排污扣10分操作过猛扣5分拆下孔板上、下游取压阀下游活接头;打开上、下游取压阀;吹扫导压管,确保导压管畅通,后恢复5未拆活接头扣5分拆卸方法不正确扣2分未吹扫导压管扣5分5装入孔板将孔板装入导板并将导板装入上阀腔5孔板装反扣5分装垫片、压板、顶板,拧紧顶丝5步骤操作错、漏一处扣2分关放空阀,开平衡阀5未关空阀扣5分未开平衡阀扣5分开滑阀,将孔板摇到下阀腔,关滑阀、关平衡阀10步骤操作错、漏一处扣2分6验漏检查各密封点是否有渗漏5未验漏扣5分漏验一处扣2分漏点未处理一处扣2分7恢复工作打开上腔放空阀放空,并加注密封脂然...

1、当您付费下载文档后,您只拥有了使用权限,并不意味着购买了版权,文档只能用于自身使用,不得用于其他商业用途(如 [转卖]进行直接盈利或[编辑后售卖]进行间接盈利)。
2、本站所有内容均由合作方或网友上传,本站不对文档的完整性、权威性及其观点立场正确性做任何保证或承诺!文档内容仅供研究参考,付费前请自行鉴别。
3、如文档内容存在违规,或者侵犯商业秘密、侵犯著作权等,请点击“违规举报”。

碎片内容

输气工技能鉴定高级操作题3份讲解

确认删除?
VIP
微信客服
  • 扫码咨询
会员Q群
  • 会员专属群点击这里加入QQ群
客服邮箱
回到顶部