电脑桌面
添加小米粒文库到电脑桌面
安装后可以在桌面快捷访问

高中物理-闭合电路欧姆定律应用(第2课时)学案-新人教版选修3VIP免费

高中物理-闭合电路欧姆定律应用(第2课时)学案-新人教版选修3_第1页
1/4
高中物理-闭合电路欧姆定律应用(第2课时)学案-新人教版选修3_第2页
2/4
高中物理-闭合电路欧姆定律应用(第2课时)学案-新人教版选修3_第3页
3/4
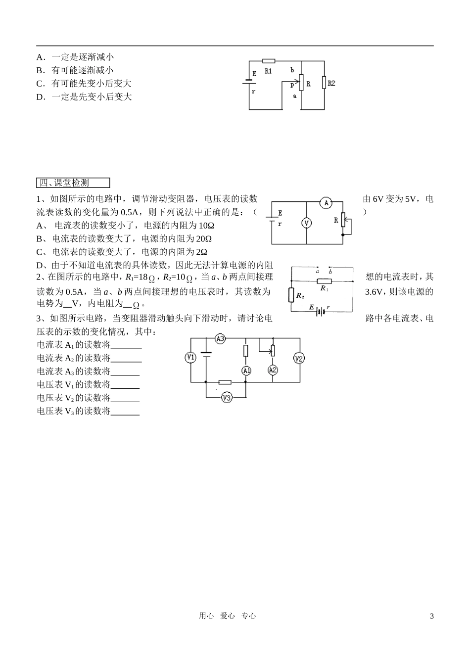
随记第七节闭合电路欧姆定律的应用习题课(第2课时)一、学习目标1、理解闭合电路欧姆定律的意义,并能应用它解决实际问题2、结合部分电路欧姆定律、电功率、电阻定律、焦耳定律、串并联电路的特点进行综合分析较复杂的问题二、温故知新根据闭合电路的欧姆定律分析:一个电源对外电路负载电阻R供电,电源电动势为E,内阻为r,要让负载电阻R获得尽可能大的电压,R和r的大小关系为;要使R中的电流尽可能大,R和r的大小关系为;要使R消耗的功率尽可能大,R和r的大小关系为。三、探究导航【例题1】如图所示电路中,R1=0.8Ω,R3=6Ω,滑动变阻器的全值电阻R2=12Ω,电源电动势E=6V,内阻r=0.2Ω,当滑动变阻器的滑片在变阻器中央位置时,闭合开关S,电路中的电流表和电压表的读数各是多少?【针对练习1】在图所示的电路中,R2为定值电阻,R1为滑动变阻器,当滑动变阻器的滑片P向左滑动时()A、电流表示数变大,电压表示数变小B、电流表示数变小,电压表示数变大C、电流表和电压表示数都变小电流表和电压表示数都变大【例题2】如图所示,电源的电动势是6V,内电阻是0.5,小电动机M的线圈电阻为0.5,限流电阻R0为3,若电压表的示数为3V,试求:⑴电源的功率和电源的输出功率⑵电动机消耗的功率和电动机输出的机械功率用心爱心专心1随记【针对练习2】电动势为3V、内电阻为1的电源只给一个额定电压为3V的小灯泡供电,若小灯泡两端的实际电压为2.5V,忽略温度对灯泡电阻的影响,则此时小灯泡的实际功率是W,小灯泡的额定功率是W【例题3】如图所示的电路中,R1、R2均为定值电阻,且R1=100Ω,R2的阻值未知,R3是一个滑动变阻器,在其滑片从最左端滑至最右端的过程中,测得电源的路端电压U随电流I的变化图线如图所示,其中图线上的A、B两点是滑片在变阻器两个不同的端点时分别得到的。求:⑴电源的电动势和内电阻;⑵定值电阻R2的阻值;⑶滑动变阻器R3的最大值;⑷上述过程中R1上得到的最大功率以及电源的最大输出功率。【针对练习3】如图所示的电路中,R1和R2是定值电阻,在滑动变阻器R的滑动片P从下端a逐渐滑到上端b的过程中,电阻R1上消耗的电功率()用心爱心专心2A.一定是逐渐减小B.有可能逐渐减小C.有可能先变小后变大D.一定是先变小后变大四、课堂检测1、如图所示的电路中,调节滑动变阻器,电压表的读数由6V变为5V,电流表读数的变化量为0.5A,则下列说法中正确的是:()A、电流表的读数变小了,电源的内阻为10ΩB、电流表的读数变大了,电源的内阻为20ΩC、电流表的读数变大了,电源的内阻为2ΩD、由于不知道电流表的具体读数,因此无法计算电源的内阻2、在图所示的电路中,R1=18,R2=10,当a、b两点间接理想的电流表时,其读数为0.5A,当a、b两点间接理想的电压表时,其读数为3.6V,则该电源的电势为V,内电阻为。3、如图所示电路,当变阻器滑动触头向下滑动时,请讨论电路中各电流表、电压表的示数的变化情况,其中:电流表A1的读数将电流表A2的读数将电流表A3的读数将电压表V1的读数将电压表V2的读数将电压表V3的读数将用心爱心专心3随记4、有一电动势为30V、内电阻为1的电源,将它与一盏额定电压为6V、额定功率为12W的小灯泡及一台线圈电阻为2的电动机串联成闭合电路,小灯泡恰好正常发光,求电动机的输出功率。5、手电筒的两节干电池用了很久后,小灯泡只能发出很微弱的光了。把这两节干电池取出来,用电压表测量,每一节干电池两端的电压都很接近于1.5V,把它们装入电子钟里,电子钟能正常工作,试用闭合电路欧姆定律来解释这个现象。根据闭合电路欧姆定律U=E-Ir,电池用久了,内阻r较大,由于小灯泡的电阻较小,电流I较大,所以路端电压U较低,小灯泡只能发出微弱的光;用电压表测量或装入电子钟,由于电流I很小,内阻上的电压很小,路端电压仍接近于电源电动势。6、如图所示电路,变阻器R1的最大值为4Ω,此时它的有效电阻为2Ω,定值电阻R2=6Ω,电源内阻r=1Ω。当开关闭合时,电源消耗的总功率为16W,输出功率为12W,这时灯正常发光。求:⑴电灯的电阻;⑵当开关断开时,要使灯仍能正常发光,R1的滑片应当移到什么位置?并求出此时电源的输出功率和电源的效率?用心爱心专心4

1、当您付费下载文档后,您只拥有了使用权限,并不意味着购买了版权,文档只能用于自身使用,不得用于其他商业用途(如 [转卖]进行直接盈利或[编辑后售卖]进行间接盈利)。
2、本站所有内容均由合作方或网友上传,本站不对文档的完整性、权威性及其观点立场正确性做任何保证或承诺!文档内容仅供研究参考,付费前请自行鉴别。
3、如文档内容存在违规,或者侵犯商业秘密、侵犯著作权等,请点击“违规举报”。

碎片内容

高中物理-闭合电路欧姆定律应用(第2课时)学案-新人教版选修3

您可能关注的文档

相关文档

确认删除?
VIP
微信客服
  • 扫码咨询
会员Q群
  • 会员专属群点击这里加入QQ群
客服邮箱
回到顶部