电脑桌面
添加小米粒文库到电脑桌面
安装后可以在桌面快捷访问

高一生物暑期训练23VIP免费

高一生物暑期训练23_第1页
1/7
高一生物暑期训练23_第2页
2/7
高一生物暑期训练23_第3页
3/7
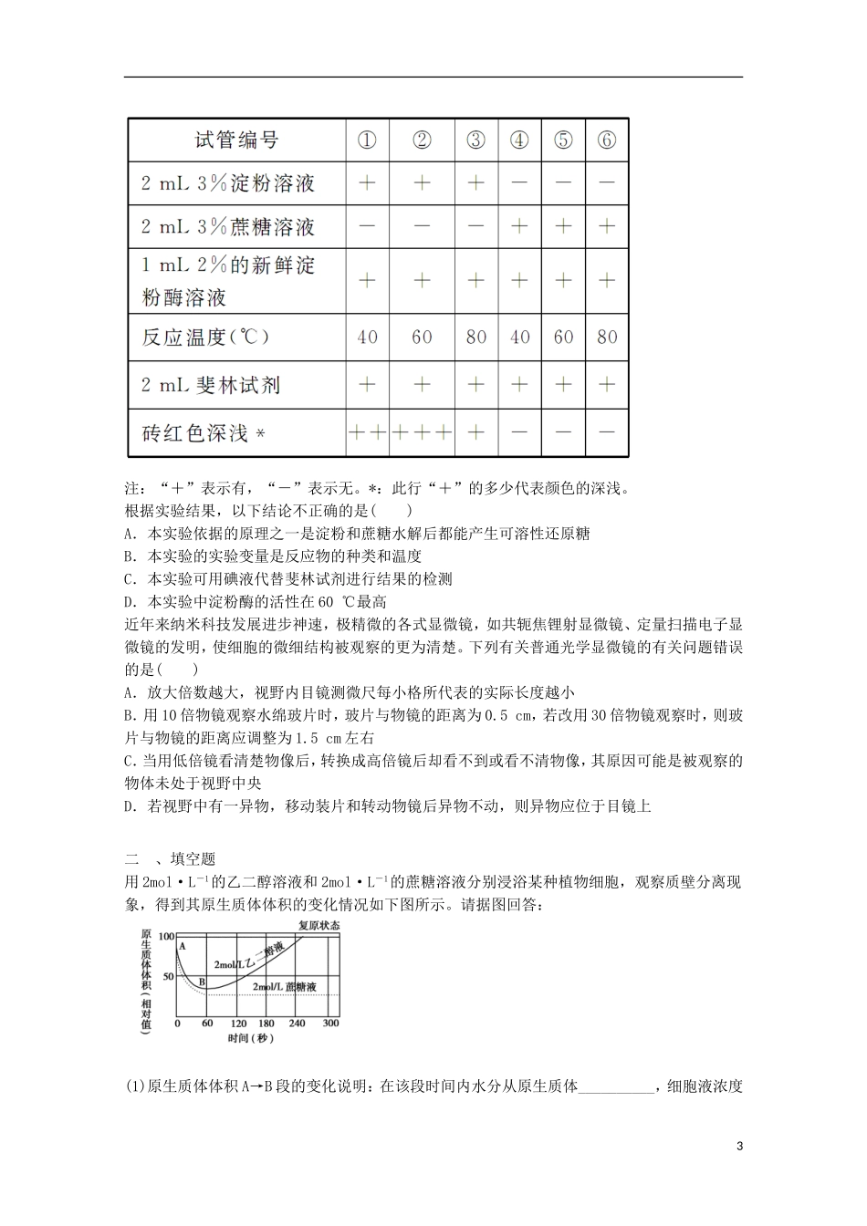
高一生物暑期训练23一、选择题下列有关细胞全能性的叙述,正确的是()A.组织培养繁育花卉所利用的原理是细胞具有全能性B.克隆羊的诞生说明高度分化的动物细胞具有全能性C.用花粉培育成的植株往往高度不育,说明花粉细胞不具有全能性D.愈伤组织的形成说明高度分化的植物细胞具有全能性下列过程中,涉及肽键数量变化的是()A.洋葱根尖细胞染色体的复制B.用纤维素酶处理植物细胞C.小肠上皮细胞吸收氨基酸D.蛋清中加入NaCl使蛋白质析出下列选项中,关于蛋白质在人体内的功能哪项是错误的()A.酶的主要成分B.组织修复的原料C.细胞成分的更新物质D.能量的主要来源蓝藻细胞不能进行以下哪项生理活动()A.有丝分裂B.有氧呼吸C.光合作用D.基因突变如图为细胞结构模式图,下列叙述错误的是()A.SARS病毒无上述任何结构,但其体内也存在遗传物质B.大肠杆菌和酵母菌的体内都没有核膜包围的结构⑨C.硝化细菌的细胞无⑥,但能进行有氧呼吸D.蓝藻细胞不含有⑦,但能进行光合作用如图是利用某高等动物精巢作为实验材料所观察到的细胞分裂图像。依图分析,该生物的体细胞有丝分裂后期的细胞内中心粒和染色体数目分别是()A.2个、4条B.2个、8条C.4个、8条D.4个、16条如图中Ⅰ~Ⅲ说明了物质和离子通过细胞膜的转运,下列叙述中正确的是1()A.所有图中均有主动运输B.所有图中均有被动运输C.图Ⅰ、Ⅱ和Ⅲ可表示自由扩散D.图Ⅲ中细胞内ADP的含量会增加下列有关有氧呼吸和无氧呼吸的说法正确的是()A.有氧呼吸和无氧呼吸的第一阶段均是在细胞质基质中完成的B.高等植物只能进行有氧呼吸,不能进行无氧呼吸C.是否产生二氧化碳是有氧呼吸和无氧呼吸的主要区别D.有氧呼吸产生ATP最多的是第二阶段用化学分析法测得某有机物的化学成分及含量如下表所示,则该物质最可能是()元素CONHSFe含量(%)92.3933.5182.7541.2140.0060.006A.核酸B.脂肪C.蛋白质D.糖类细胞周期的各阶段,一个细胞中的染色体和DNA分子数量比不可能是下列中的()一个由20种、500个氨基酸组成的蛋白质,它的氨基酸的排列顺序可能是()A.20500种B.50020种C.10000种D.2020种在兔子的精细胞核中,DNA质量为4×10-12g,那么在有丝分裂后期时,其骨髓细胞核中DNA质量为()A.4×10—12gB.8×10-12gC.1.6×10-11gD.3.2×10一llg在测定胃蛋白酶活性时,将溶液的pH由10降到2的过程中,胃蛋白酶的活性()。A.不断上升B.没有变化C.先升后降D.先降后升下表是探究淀粉酶对淀粉和蔗糖作用的实验设计及结果:2注:“+”表示有,“-”表示无。*:此行“+”的多少代表颜色的深浅。根据实验结果,以下结论不正确的是()A.本实验依据的原理之一是淀粉和蔗糖水解后都能产生可溶性还原糖B.本实验的实验变量是反应物的种类和温度C.本实验可用碘液代替斐林试剂进行结果的检测D.本实验中淀粉酶的活性在60℃最高近年来纳米科技发展进步神速,极精微的各式显微镜,如共轭焦锂射显微镜、定量扫描电子显微镜的发明,使细胞的微细结构被观察的更为清楚。下列有关普通光学显微镜的有关问题错误的是()A.放大倍数越大,视野内目镜测微尺每小格所代表的实际长度越小B.用10倍物镜观察水绵玻片时,玻片与物镜的距离为0.5cm,若改用30倍物镜观察时,则玻片与物镜的距离应调整为1.5cm左右C.当用低倍镜看清楚物像后,转换成高倍镜后却看不到或看不清物像,其原因可能是被观察的物体未处于视野中央D.若视野中有一异物,移动装片和转动物镜后异物不动,则异物应位于目镜上二、填空题用2mol·L-1的乙二醇溶液和2mol·L-1的蔗糖溶液分别浸浴某种植物细胞,观察质壁分离现象,得到其原生质体体积的变化情况如下图所示。请据图回答:(1)原生质体体积A→B段的变化说明:在该段时间内水分从原生质体__________,细胞液浓度3__________;(2)在1分钟后,处于2mol·L-1蔗糖溶液中的细胞,其细胞液浓度将__________,此时,在细胞壁与原生质层之间充满了__________,要使该细胞复原,应将其置于__________中;(3)在1分钟后,处于2mol·L-1乙二醇溶液中的细胞,其原生质体体积的变化是由于__________逐渐进入细胞内,引起细胞液浓度__________;(4)并不是...

1、当您付费下载文档后,您只拥有了使用权限,并不意味着购买了版权,文档只能用于自身使用,不得用于其他商业用途(如 [转卖]进行直接盈利或[编辑后售卖]进行间接盈利)。
2、本站所有内容均由合作方或网友上传,本站不对文档的完整性、权威性及其观点立场正确性做任何保证或承诺!文档内容仅供研究参考,付费前请自行鉴别。
3、如文档内容存在违规,或者侵犯商业秘密、侵犯著作权等,请点击“违规举报”。

碎片内容

高一生物暑期训练23

您可能关注的文档

中小学资料+ 关注
实名认证
内容提供者

精美课件,值得下载

确认删除?
VIP
微信客服
  • 扫码咨询
会员Q群
  • 会员专属群点击这里加入QQ群
客服邮箱
回到顶部