电脑桌面
添加小米粒文库到电脑桌面
安装后可以在桌面快捷访问

卧式储罐体积容积计算(带公式)VIP免费

卧式储罐体积容积计算(带公式)_第1页
1/1
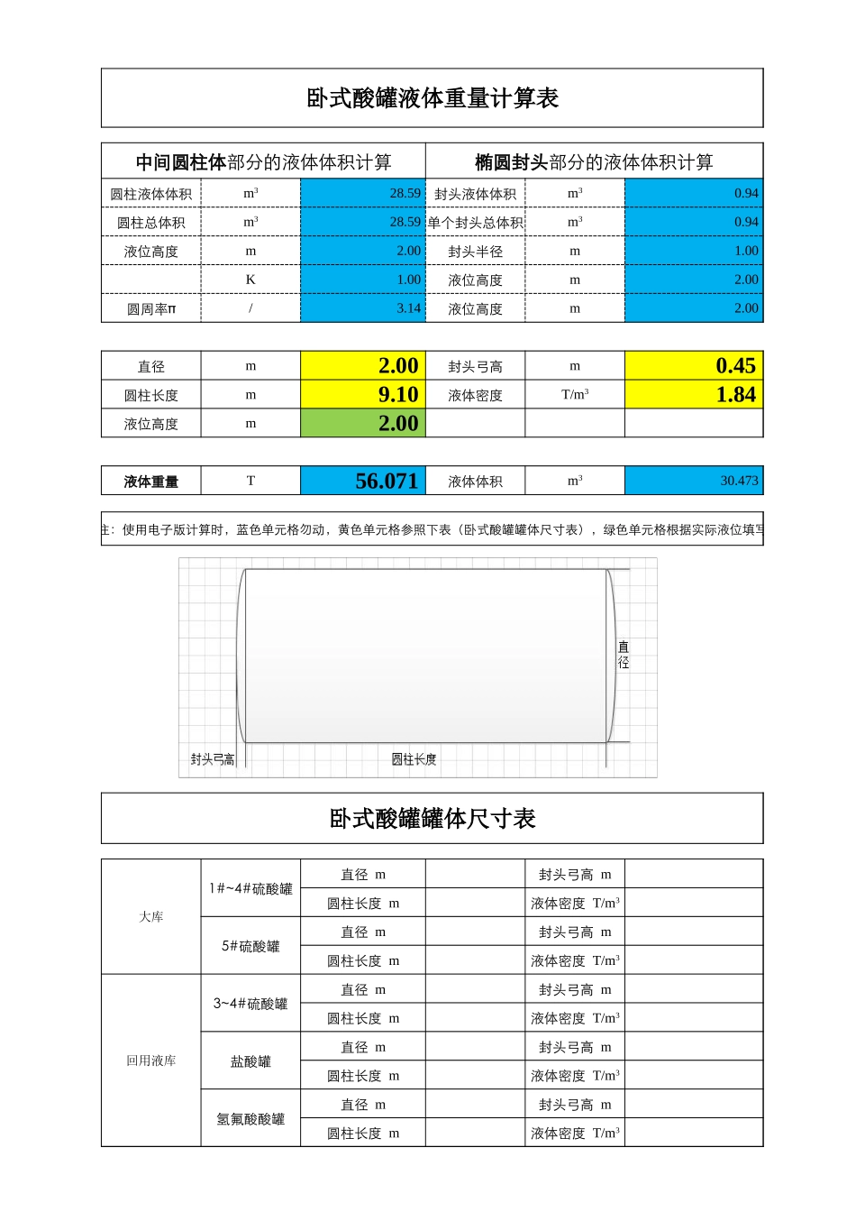
卧式酸罐液体重量计算表圆柱液体体积28.59封头液体体积0.94圆柱总体积28.59单个封头总体积0.94液位高度m2.00封头半径m1.00K1.00液位高度m2.00/3.14液位高度m2.00直径m2.00封头弓高m0.45圆柱长度m9.10液体密度1.84液位高度m2.00液体重量T56.071液体体积30.473备注:使用电子版计算时,蓝色单元格勿动,黄色单元格参照下表(卧式酸罐罐体尺寸表),绿色单元格根据实际液位填写。卧式酸罐罐体尺寸表大库回用液库盐酸罐氢氟酸酸罐中间圆柱体部分的液体体积计算椭圆封头部分的液体体积计算m3m3m3m3圆周率πT/m3m31#~4#硫酸罐直径m封头弓高m圆柱长度m液体密度T/m35#硫酸罐直径m封头弓高m圆柱长度m液体密度T/m33~4#硫酸罐直径m封头弓高m圆柱长度m液体密度T/m3直径m封头弓高m圆柱长度m液体密度T/m3直径m封头弓高m圆柱长度m液体密度T/m3

1、当您付费下载文档后,您只拥有了使用权限,并不意味着购买了版权,文档只能用于自身使用,不得用于其他商业用途(如 [转卖]进行直接盈利或[编辑后售卖]进行间接盈利)。
2、本站所有内容均由合作方或网友上传,本站不对文档的完整性、权威性及其观点立场正确性做任何保证或承诺!文档内容仅供研究参考,付费前请自行鉴别。
3、如文档内容存在违规,或者侵犯商业秘密、侵犯著作权等,请点击“违规举报”。

碎片内容

卧式储罐体积容积计算(带公式)

最好的沉淀+ 关注
实名认证
内容提供者

行业文档

相关文档

确认删除?
VIP
微信客服
  • 扫码咨询
会员Q群
  • 会员专属群点击这里加入QQ群
客服邮箱
回到顶部