电脑桌面
添加小米粒文库到电脑桌面
安装后可以在桌面快捷访问

钢筋混凝土结构课程设计VIP专享VIP免费

钢筋混凝土结构课程设计_第1页
1/18
钢筋混凝土结构课程设计_第2页
2/18
钢筋混凝土结构课程设计_第3页
3/18
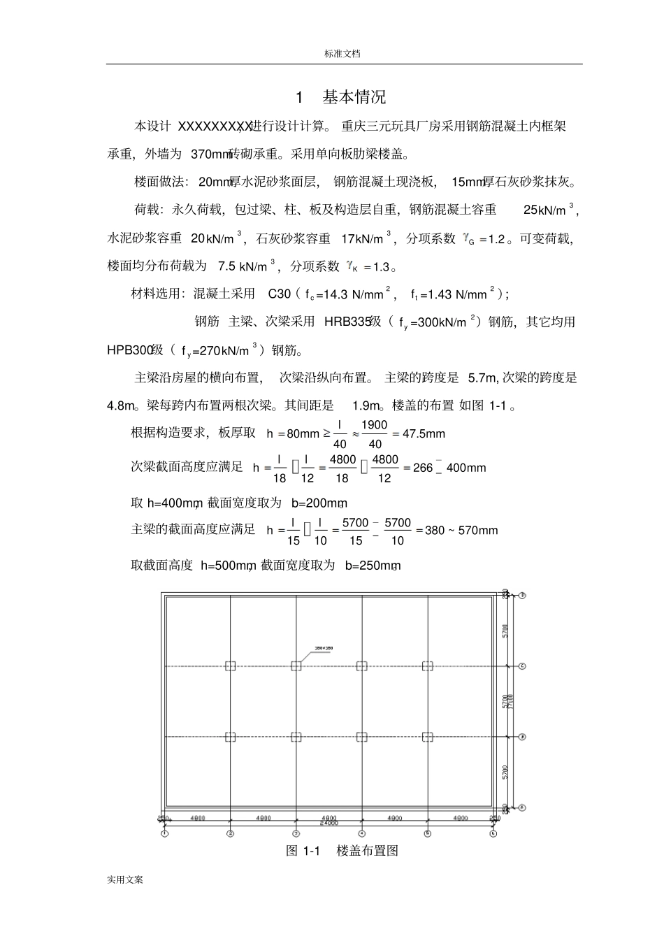
标准文档实用文案1基本情况本设计XXXXXXXXX,进行设计计算。重庆三元玩具厂房采用钢筋混凝土内框架承重,外墙为370mm砖砌承重。采用单向板肋梁楼盖。楼面做法:20mm厚水泥砂浆面层,钢筋混凝土现浇板,15mm厚石灰砂浆抹灰。荷载:永久荷载,包过梁、柱、板及构造层自重,钢筋混凝土容重253kN/m,水泥砂浆容重203kN/m,石灰砂浆容重173kN/m,分项系数1.2G。可变荷载,楼面均分布荷载为7.53kN/m,分项系数1.3K。材料选用:混凝土采用C30(cf=14.32N/mm,tf=1.432N/mm);钢筋主梁、次梁采用HRB335级(yf=3002kN/m)钢筋,其它均用HPB300级(yf=2703kN/m)钢筋。主梁沿房屋的横向布置,次梁沿纵向布置。主梁的跨度是5.7m,次梁的跨度是4.8m。梁每跨内布置两根次梁。其间距是1.9m。楼盖的布置如图1-1。根据构造要求,板厚取19008047.54040lhmmmm次梁截面高度应满足4800480026640018121812llhmm取h=400mm,截面宽度取为b=200mm。主梁的截面高度应满足57005700380~57015101510llhmm取截面高度h=500mm,截面宽度取为b=250mm。图1-1楼盖布置图标准文档实用文案2单向板结构设计2.1板的设计2.1.1板的计算按塑性分析法计算内力。2.1.2荷载恒荷载标准值:20mm水泥砂浆面层320.0220/0.4/mkNmkNm80mm钢筋混凝土板320.0825/2.0/mkNmkNm15mm厚石灰砂浆抹灰320.01517/0.255/mkNmkNm22.655/kgkNm活荷载标准值27.5/kqkNm横荷载设计值21.22.6553.186/gkNm活荷载设计值21.37.59.75/qkNm合计212.936/gqkNm2.1.3内力计算次梁的截面200400mmmm,板在墙上的支撑长度为120mm,则板的计算跨度为:边跨00.20.081.90.121.72222nhllm0.20.121.90.121.74222nalm01.72lm中间跨01.90.21.7lm跨度差0000(1.721.7)/1.71.210说明可按等跨连续板计算内力。取1m宽板作为计算单元,计算简图如图2-1所示。标准文档实用文案图2-1计算简图连续板各截面的弯矩计算见表2-1。表2-1连续板各截面弯矩计算截面1边跨跨内B离端第二支座2中间跨跨内C中间支座弯矩计算系数m111111116114计算跨度0l01.72lm01.72lm01.7lm01.7lm20()mMgql3.48-3.482.342.672.1.4截面承载力计算01000,80,802060bmmhmmhmm。C30混凝土,cf=14.32N/mm。HPB300钢筋,yf=2702kN/m,连续板各截面的配筋计算见表2-2。表2-2连续板各截面配筋计算截面位置边区板带(1-2,5-6轴线间)中间区板带(2-5轴线间)边跨跨内离端第二支座离端第二支跨跨内、中间跨跨内中间支座边跨跨内离端第二支座离端第二跨跨内、中间跨跨内中间支座M(2kN/m)3.48-3.482.34-2.673.48-3.480.82.34=1.870.8(-2.67)=-2.14212.936/gqkNm标准文档实用文案210scMfbh0.0670.0670.0450.0520.0670.0670.0360.041112s0.0690.0690.0460.0540.0690.0690.0370.04210csyfbhAf219219146172219219118134选配钢筋6/8@1706/8@1706@1906@1606/8@1706/8@1706@2006@200实配钢筋面积228228149177228228141141支座截面的受压区高度系数均小于0.35,满足弯矩调幅的要求;minmax(0.2%,45/)45/451.43/270100%0.238%tytyffff所以,2,minmin0.238%100080190.4sAbhmm2.1.5板的裂缝验算裂缝宽度验算属于正常使用极限状态,采用荷载的标准组合。按弹性方法计算截面弯矩,考虑可变荷载的最不利布置,有'2'200kgkqkMglql式中'kg—折算永久荷载标准值,'/22.6557.5/26.405/kkkggqkNm'kq—折算可变荷载标准值,'/27.5/23.75/kkqqkNmg—五跨连续板满布荷载下相应截面的弯矩系数,按有关表格查的;q—五跨连续板最不利荷载布置下相应的弯矩系数,按有关表格查的。由荷载标准组合产生的跨中和支座弯矩:2(0.0786.4050.13)1.720/2.32/kMkNmkNm2(0.1056.4050.1193)1.720/3.05/BkMkNmkNm22(0.0336.4050.0793)1.7/1.30/kMkNmkNm2(0.0796.4050.1113)1.7/2.42/CkMkNmkNm23(0.0466.4050.0853)1.7/1.59/kMkNmkNm受弯构件的受力特征系数1.9cr,光面钢筋的相对粘结特征系数0.7,C30混凝土抗拉强度标准值22.01/tkfNmm;保护层厚度c=15mm<20mm,取c=20mm,计算标准文档实用文案过程见表2-3,裂缝宽度均小于一类环境规范规定值。表2-3板的裂缝宽度验算截面1B2C3kM2.32-3.051.30-2.421.592/sAmm22822814914914920/0.87(/)sqksMhANmm202.9266.8170.6317...

1、当您付费下载文档后,您只拥有了使用权限,并不意味着购买了版权,文档只能用于自身使用,不得用于其他商业用途(如 [转卖]进行直接盈利或[编辑后售卖]进行间接盈利)。
2、本站所有内容均由合作方或网友上传,本站不对文档的完整性、权威性及其观点立场正确性做任何保证或承诺!文档内容仅供研究参考,付费前请自行鉴别。
3、如文档内容存在违规,或者侵犯商业秘密、侵犯著作权等,请点击“违规举报”。

碎片内容

钢筋混凝土结构课程设计

确认删除?
VIP
微信客服
  • 扫码咨询
会员Q群
  • 会员专属群点击这里加入QQ群
客服邮箱
回到顶部