电脑桌面
添加小米粒文库到电脑桌面
安装后可以在桌面快捷访问

《信息时代离不开传感器》同步练习4VIP专享VIP免费

《信息时代离不开传感器》同步练习4_第1页
1/5
《信息时代离不开传感器》同步练习4_第2页
2/5
《信息时代离不开传感器》同步练习4_第3页
3/5
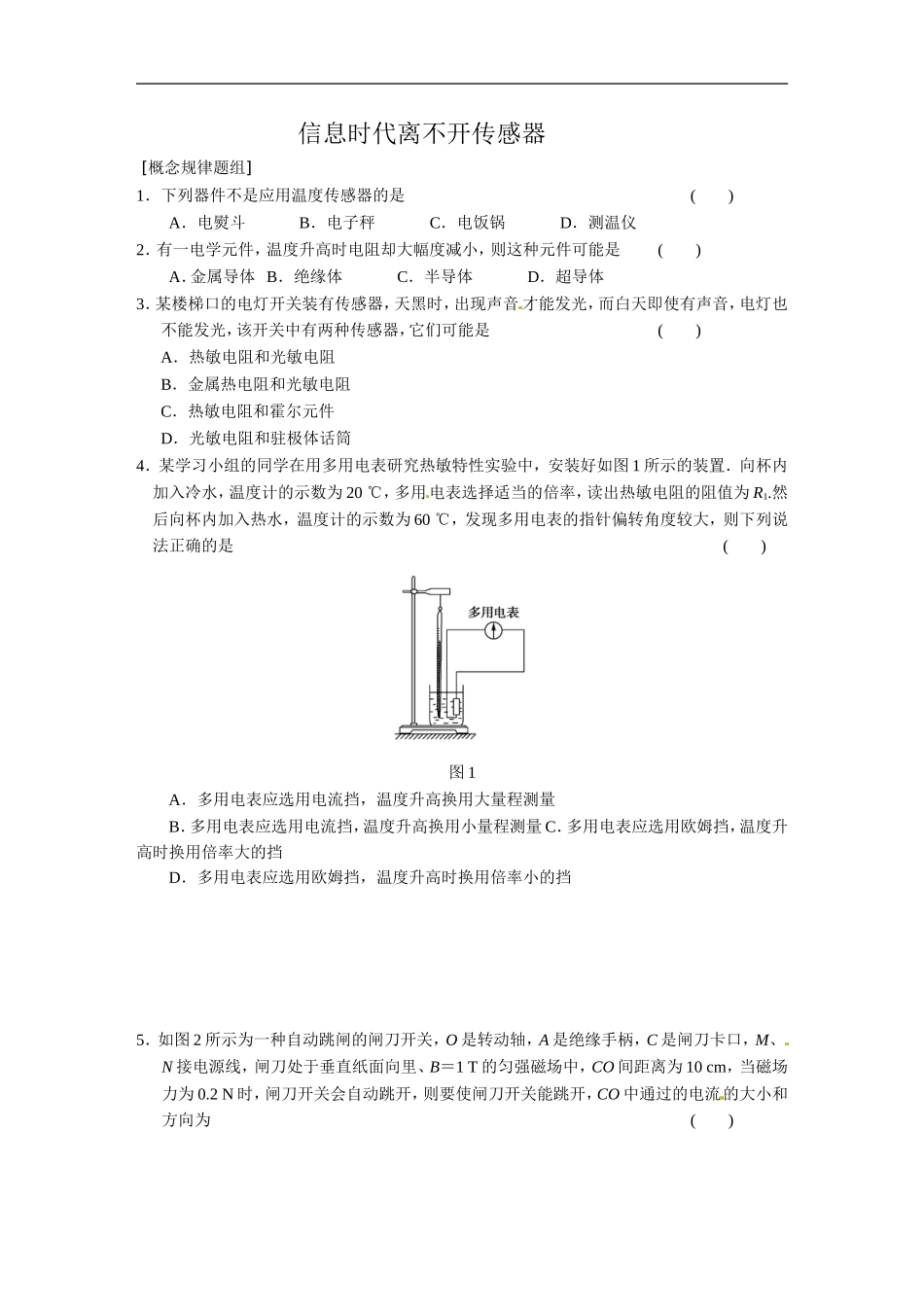
信息时代离不开传感器[概念规律题组]1.下列器件不是应用温度传感器的是()A.电熨斗B.电子秤C.电饭锅D.测温仪2.有一电学元件,温度升高时电阻却大幅度减小,则这种元件可能是()A.金属导体B.绝缘体C.半导体D.超导体3.某楼梯口的电灯开关装有传感器,天黑时,出现声音才能发光,而白天即使有声音,电灯也不能发光,该开关中有两种传感器,它们可能是()A.热敏电阻和光敏电阻B.金属热电阻和光敏电阻C.热敏电阻和霍尔元件D.光敏电阻和驻极体话筒4.某学习小组的同学在用多用电表研究热敏特性实验中,安装好如图1所示的装置.向杯内加入冷水,温度计的示数为20℃,多用电表选择适当的倍率,读出热敏电阻的阻值为R1.然后向杯内加入热水,温度计的示数为60℃,发现多用电表的指针偏转角度较大,则下列说法正确的是()图1A.多用电表应选用电流挡,温度升高换用大量程测量B.多用电表应选用电流挡,温度升高换用小量程测量C.多用电表应选用欧姆挡,温度升高时换用倍率大的挡D.多用电表应选用欧姆挡,温度升高时换用倍率小的挡5.如图2所示为一种自动跳闸的闸刀开关,O是转动轴,A是绝缘手柄,C是闸刀卡口,M、N接电源线,闸刀处于垂直纸面向里、B=1T的匀强磁场中,CO间距离为10cm,当磁场力为0.2N时,闸刀开关会自动跳开,则要使闸刀开关能跳开,CO中通过的电流的大小和方向为()图2A.电流方向C→OB.电流方向O→CC.电流大小为1AD.电流大小为0.5A6.惯性制导系统已广泛应用于导弹工程中,这个系统的重要元件之一是加速度计.加速度计的构造和原理的示意图如图3所示.沿导弹长度方向安装的固定光滑杆上套一个质量为m的滑块,滑块两侧分别与劲度系数均为k的弹簧相连;两弹簧的另一端与固定壁相连;滑块原来静止,弹簧处于自然长度,滑块上有指针,图3可通过标尺测出滑块的位移,然后通过控制系统进行制导.设某段时间内导弹沿水平方向运动,指针向左偏离O点的距离为x,则这段时间内导弹的加速度()A.方向向左,大小为kx/mB.方向向右,大小为kx/mC.方向向左,大小为2kx/mD.方向向右,大小为2kx/m[方法技巧题组]7.如图4所示是电容式话筒的示意图,它是利用电容制作的传感器,话筒的振动膜前面镀有薄薄的金属层,膜后距膜几十微米处有一金属板,振动膜上的金属层和这个金属板构成电容器的两极,在两极间加一电压U,人对着话筒说话时,振动膜前后振动,使电容发生变化,导致话筒所在图4电路中的其他物理量发生变化,使声音信号被话筒转化为电信号,其中导致电容变化的原因可能是电容两极板间的()A.距离变化B.正对面积变化C.介质变化D.电压变化8.如图5所示的电路中,两端的电压恒定,L为小灯泡,R为光敏电阻,LED为发光二极管(电流越大,发出的光越强),且R与LED相距不远,下列说法中正确的是()A.当滑动触头P向左移动时,L消耗的功率增大B.当滑动触头P向左移动时,L消耗的功率减小C.当滑动触头P向右移动时,L消耗的功率可能不变图5D.无论怎样移动滑动触头P,L消耗的功率都不变9.如图6所示是会议室和宾馆房间的天花板上装有的火灾报警器的结构原理图,罩内装有发光二极管LED、光电三极管和不透明的挡板.平时光电三极管接收不到LED发出的光,呈现高电阻状态,发生火灾时,下列说法正确的是()图6A.进入罩内的烟雾遮挡了光线,使光电三极管电阻更大,检测电路检测出变化发出警报B.发生火灾时,光电三极管温度升高,电阻变小,检测电路检测出变化发出警报C.发生火灾时,进入罩内的烟雾对光有散射作用,部分光线照射到光电三极管上,电阻变小,发出警报D.以上说法均不正确10.传感器担负着信息的采集任务,在自动控制中发挥着重要作用,传感器能够将感受到的物理量(如温度、光、声等)转换成便于测量的量(通常是电学量),例如热敏传感器,主要是应用了半导体材料制成的热敏电阻.热敏电阻阻值随温度变化的图线如图7甲所示,图乙是由热敏电阻Rt作为传感器制作的简单自动报警器的线路图.则下列说法正确的是()图7A.为了使温度过高时报警器响铃,c应接在a处B.为了使温度过高时报警器响铃,c应接在b处C.若使启动报警的温度提高些,应将滑动变阻器滑片P向右移动D.如果在调...

1、当您付费下载文档后,您只拥有了使用权限,并不意味着购买了版权,文档只能用于自身使用,不得用于其他商业用途(如 [转卖]进行直接盈利或[编辑后售卖]进行间接盈利)。
2、本站所有内容均由合作方或网友上传,本站不对文档的完整性、权威性及其观点立场正确性做任何保证或承诺!文档内容仅供研究参考,付费前请自行鉴别。
3、如文档内容存在违规,或者侵犯商业秘密、侵犯著作权等,请点击“违规举报”。

碎片内容

《信息时代离不开传感器》同步练习4

您可能关注的文档

确认删除?
VIP
微信客服
  • 扫码咨询
会员Q群
  • 会员专属群点击这里加入QQ群
客服邮箱
回到顶部