电脑桌面
添加小米粒文库到电脑桌面
安装后可以在桌面快捷访问

01测物体密度高频考点VIP免费

01测物体密度高频考点_第1页
1/6
01测物体密度高频考点_第2页
2/6
01测物体密度高频考点_第3页
3/6
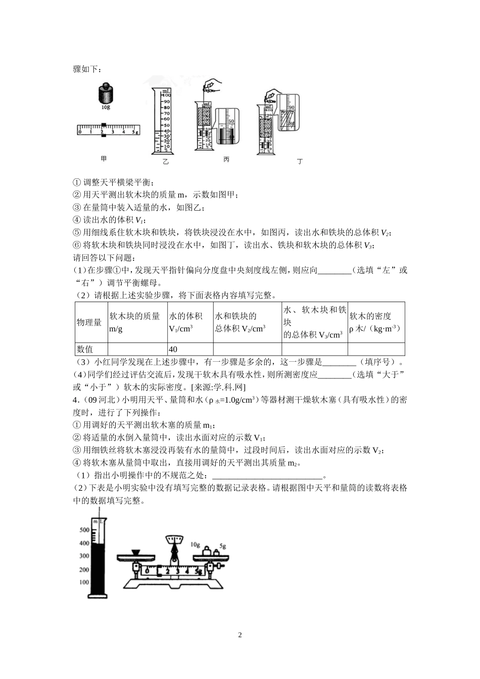
测物体密度高频考点由密度的计算公式可知,要测物体密度,应先测量物体的质量再测量物体体积。天平可以测物体的质量,量筒可以测物体体积,因此,可以用天平和量筒配合测出物体的密度。一、天平量筒法测量原理1.(11宿迁)在测量小石块密度的实验中,(1)如图甲所示,小明在使用天平过程中的错误是:____________________________。(2)小明纠正错误后继续实验,天平平衡时,右盘中所加砝码和游码的位置如图乙所示,则小石块的质量为_______g.把小石块放入装有10mL水的量筒中,量筒内液面的位置如图丙所示,则小石块的密度是______________kg/m3.2.(11河南)某小组测量—种易溶于水且形状不规则的固体小颗粒物质的密度,测量的部分方法和结果如图甲、乙所示。(1)将天平放在水平桌面上,将游码移至标尺的___________处,然后调节______________,使天平平衡。接着,用天平测量适量小颗粒的质量。当天平重新平衡时,砝码质量和游码位置如图甲所示,则称量的颗粒质量是________________g。(2)因颗粒易溶于水,小组同学采用图乙所示的方法测量体积,所称量的颗粒体积是________cm3。(3)该物质的密度是________________g/cm3。(4)在步骤C中,若摇动不够充分,则测出的密度比实际密度值偏________。3.(11潜江)同学们想测量开水瓶软木塞的密度,于是切下一块干软木,进行了实验,实验步1Vm用量筒测体积用天平测质量骤如下:①调整天平横梁平衡;②用天平测出软木块的质量m,示数如图甲;③在量筒中装入适量的水,如图乙;④读出水的体积V1;⑤用细线系住软木块和铁块,将铁块浸没在水中,如图丙,读出水和铁块的总体积V2;⑥将软木块和铁块同时浸没在水中,如图丁,读出水、铁块和软木块的总体积V3;请回答以下问题:(1)在步骤①中,发现天平指针偏向分度盘中央刻度线左侧,则应向________(选填“左”或“右”)调节平衡螺母。(2)请根据上述实验步骤,将下面表格内容填写完整。物理量软木块的质量m/g水的体积V1/cm3水和铁块的总体积V2/cm3水、软木块和铁块的总体积V3/cm3软木的密度ρ木/(kg·m-3)数值40(3)小红同学发现在上述步骤中,有一步骤是多余的,这一步骤是________(填序号)。(4)同学们经过评估交流后,发现干软木具有吸水性,则所测密度应________(选填“大于”或“小于”)软木的实际密度。[来源:学.科.网]4.(09河北)小明用天平、量筒和水(ρ水=1.0g/cm3)等器材测干燥软木塞(具有吸水性)的密度时,进行了下列操作:①用调好的天平测出软木塞的质量m1;②将适量的水倒入量筒中,读出水面对应的示数V1;③用细铁丝将软木塞浸没再装有水的量筒中,过段时间后,读出水面对应的示数V2;④将软木塞从量筒中取出,直接用调好的天平测出其质量m2。(1)指出小明操作中的不规范之处:__________________________。(2)下表是小明实验中没有填写完整的数据记录表格。请根据图中天平和量筒的读数将表格中的数据填写完整。2物理量m1/gV1/cm3V2/cm3m2/g干燥软木塞的密度ρ/gcm-3测量值6370(3)对具有吸水性物质的体积测量提出一种改进方法。__________________________。二、三测法如果物体的质量和体积这两个物理量,只能直接测量其中一个量,如:(1)只有天平测量物体质量,没有量筒测量物体体积;(2)只能测量出物体的体积,无法直接测量物体的质量我们将这两种情况列出,分析具体情形(1)只有天平测量物体质量,没有量筒测量物体体积;测量原理5.(11宜昌)牛奶密度是检验牛乳质量的一项重要指标,小华为了比较市场上两种不同品牌牛奶的密度,采用了如下方法:(1)分别将两种不同品牌牛奶的密度测出来进行比较,为此他利用弹簧测力计、空饮料瓶、水、细线等物品来测量。其操作步骤是:①用弹簧测力计测出空饮料瓶的重力G1;②在空饮料瓶中装满水,用弹簧测力计测出瓶和水的总重力G2,计算水的体积V=______(用测出物理量的字母表示,水的密度ρ水已知);③_______________;(说出具体方法和要测出的物理量并用字母表示)④计算牛奶密度ρ=______(用测出的物理量的字母表示)(2)小华还设计了其它两种实验方法。方法一:将一正方体塑料块先后...

1、当您付费下载文档后,您只拥有了使用权限,并不意味着购买了版权,文档只能用于自身使用,不得用于其他商业用途(如 [转卖]进行直接盈利或[编辑后售卖]进行间接盈利)。
2、本站所有内容均由合作方或网友上传,本站不对文档的完整性、权威性及其观点立场正确性做任何保证或承诺!文档内容仅供研究参考,付费前请自行鉴别。
3、如文档内容存在违规,或者侵犯商业秘密、侵犯著作权等,请点击“违规举报”。

碎片内容

01测物体密度高频考点

您可能关注的文档

中小学文库+ 关注
实名认证
内容提供者

精品资料应用尽有

相关文档

确认删除?
VIP
微信客服
  • 扫码咨询
会员Q群
  • 会员专属群点击这里加入QQ群
客服邮箱
回到顶部