电脑桌面
添加小米粒文库到电脑桌面
安装后可以在桌面快捷访问

江苏省连云港市岗埠中学八年级物理上册《物态变化》单元测试题VIP免费

江苏省连云港市岗埠中学八年级物理上册《物态变化》单元测试题_第1页
1/5
江苏省连云港市岗埠中学八年级物理上册《物态变化》单元测试题_第2页
2/5
江苏省连云港市岗埠中学八年级物理上册《物态变化》单元测试题_第3页
3/5
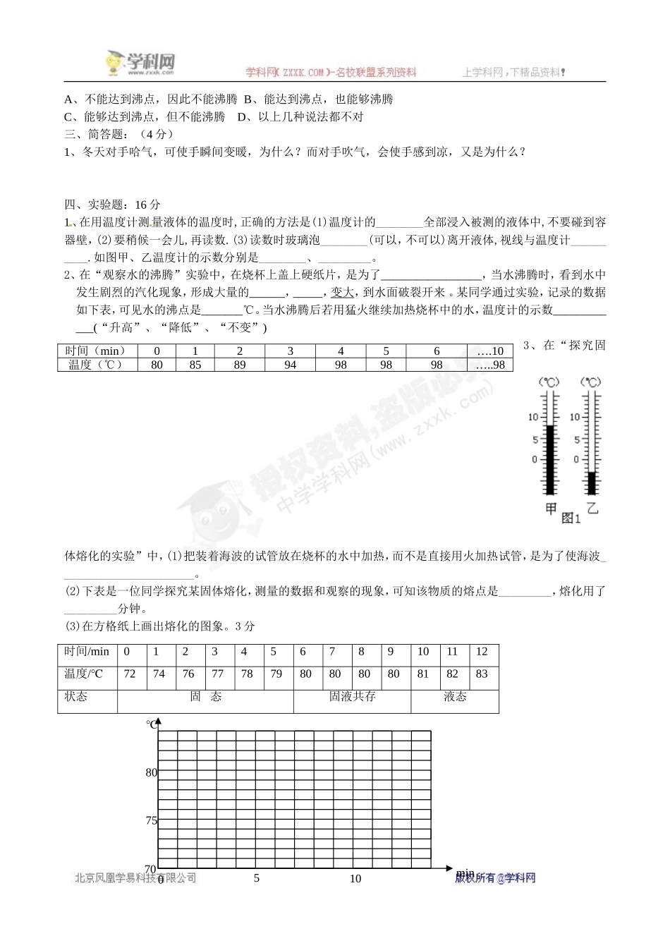
一.填空题(每空1分,共39分)1、温度是表示物体的_________________,常用温度计的工作原理是利用液体的___________________性质制成的。[来源:Zxxk.Com]2、冬天早晨看到房间的玻璃窗出现小水珠,水珠是在玻璃窗的_______(内、外)表面;夏天开着空调的汽车,车窗的_______(内、外)表面会出现水珠。[来源:学科网]3、如下图体温计的量程是:___________,分度值为:_______,示数是________。4、在发射火箭时,在发射台下建一大水池,让火焰喷到水池里,这主要是利用水___________时________热,从而保护发射台。5、晶体在熔化过程_______热,温度__________;非晶体在熔化过程_______热,温度__________。如下图是某物质熔化的图像,从图中可知,它的熔点是______℃;其中段是熔化过程,物质处于_____状态。6、在空格内填上物态变化名称:卫生球放久了会变小,是_________现象;钢水浇铸成钢球是__________现象;冬天早晨草地上的霜是__________现象;早晨有浓雾是_________现象。冬天下雪__________;冰消雪融__________。7、汽化的两种方式是___________和___________,汽化要_________热。8、家用液化气是在常温下用_____________的方法使石油气液化后贮存在钢瓶里的,另一种液化的方法是______________。9、在电冰箱里从压缩机送来的气态氟利昂在冷凝器中_________,从而_______(吸收、放出)热量,把热排到冰箱外;而在电冰箱的蒸发器内,液态氟利昂迅速__________,从而__________(吸收、放出)热量,使冷冻室内的温度降低。10、吃冰棒和皮肤上擦酒精都感到凉快,前者主要是利用冰棒__________时要_______热,后者是酒精_________时要_______热。北方冬天菜窑里放入几桶水,可以利用水凝固时_______热,使窑内温度不致太低,菜不会冻坏。11、用扇子扇干燥的温度计的玻璃泡,其示数将________.(“升高”、“降低”或“不变”)12、夏天从冰箱里拿出一块-10℃的冰_________(会,不会)立即熔化;把0℃的冰放在0℃的水里,冰__________(会,不会)熔化。二、选择题:(每题2分,共36分)1、甲、乙两杯正在熔化的冰,甲放在阳光下,乙杯放在背阴处,两杯中水的温度()A、相等B、甲高于乙C、甲低乙D、不能判定2、冬天在户外的人呼出的“白气”是()A、人呼出的水蒸气B、人呼出的水蒸气遇冷液化形成的细小水珠。C、空气中的水蒸气液化成细小水珠D、人呼出的二氧化碳气体3、把-5℃的冰投入0℃的水中(周围空气是0℃),过了一段时间,()A、冰的数量增多B、水的数量变多C、冰和水的数量都没变D、以上三种情况都有可能4、用数量相同的0℃的水和0℃的冰来冷却物体,效果()A.水好B.冰好C.一样好5、在炎热的夏天,放在碗中的冰棒慢慢熔化,在熔化过程中冰棒的温度:()A、降低B、不变C、升高D、先降低后升高6、在25℃的房间里,将温度计从25℃的酒精中取出,它的示数将()A、下降B、上升C、先下降后上升D、先上升后下降7、把冰水混合物拿进-6℃的冰柜里,冰的质量不断增加的过程中,冰水混合物的温度将()A、保持不变B、温度降低C、温度上升D、上述三种情况都可能。8、物体放出热量,它的温度()A、一定降低B、一定升高C、一定不变D、可能降低也可能不变[来源:Zxxk.Com]9、松香在熔化过程中会:()A、放热,温度不断降低B、吸热,温度不断升高C、吸热,温度不变D、放热,温度不变10、下列说法中正确的是()A.霜在形成的过程中要吸热B.冰必须先熔化成水,才能变成水蒸气C冬天,室外冰冻的衣服变干要放热D.樟脑丸在变小的过程中要吸热11、海波的熔点为48℃,那么48℃的海波处于:()A、固态B、液态C、固液共存D、以上三种都有可能12、下列物态变化过程中都吸热的是()A.熔化、汽化、升华B.熔化、液化、凝华[来源:Zxxk.Com]C.汽化、液化、升华D.凝固、液化、凝华13、用久了的灯泡会发黑,是因为钨丝发生了:()A、凝固B、升华C、凝华D、先升华后凝华14、把烧红的铁块放入水中,会听到吱吱的响声并看到“白气”,这现象()A、液化B、汽化C、先熔化后汽化D、先汽化后液化15、体温计的测量精度可达到0.1℃,这是因为()A、体温计的玻璃泡的容积比细管的容积大得多B、体温计的测...

1、当您付费下载文档后,您只拥有了使用权限,并不意味着购买了版权,文档只能用于自身使用,不得用于其他商业用途(如 [转卖]进行直接盈利或[编辑后售卖]进行间接盈利)。
2、本站所有内容均由合作方或网友上传,本站不对文档的完整性、权威性及其观点立场正确性做任何保证或承诺!文档内容仅供研究参考,付费前请自行鉴别。
3、如文档内容存在违规,或者侵犯商业秘密、侵犯著作权等,请点击“违规举报”。

碎片内容

江苏省连云港市岗埠中学八年级物理上册《物态变化》单元测试题

您可能关注的文档

中小学资料+ 关注
实名认证
内容提供者

精美课件,值得下载

确认删除?
VIP
微信客服
  • 扫码咨询
会员Q群
  • 会员专属群点击这里加入QQ群
客服邮箱
回到顶部