电脑桌面
添加小米粒文库到电脑桌面
安装后可以在桌面快捷访问

霍斯车库门调试说明书VIP专享VIP免费

霍斯车库门调试说明书_第1页
1/3
霍斯车库门调试说明书_第2页
2/3
霍斯车库门调试说明书_第3页
3/3
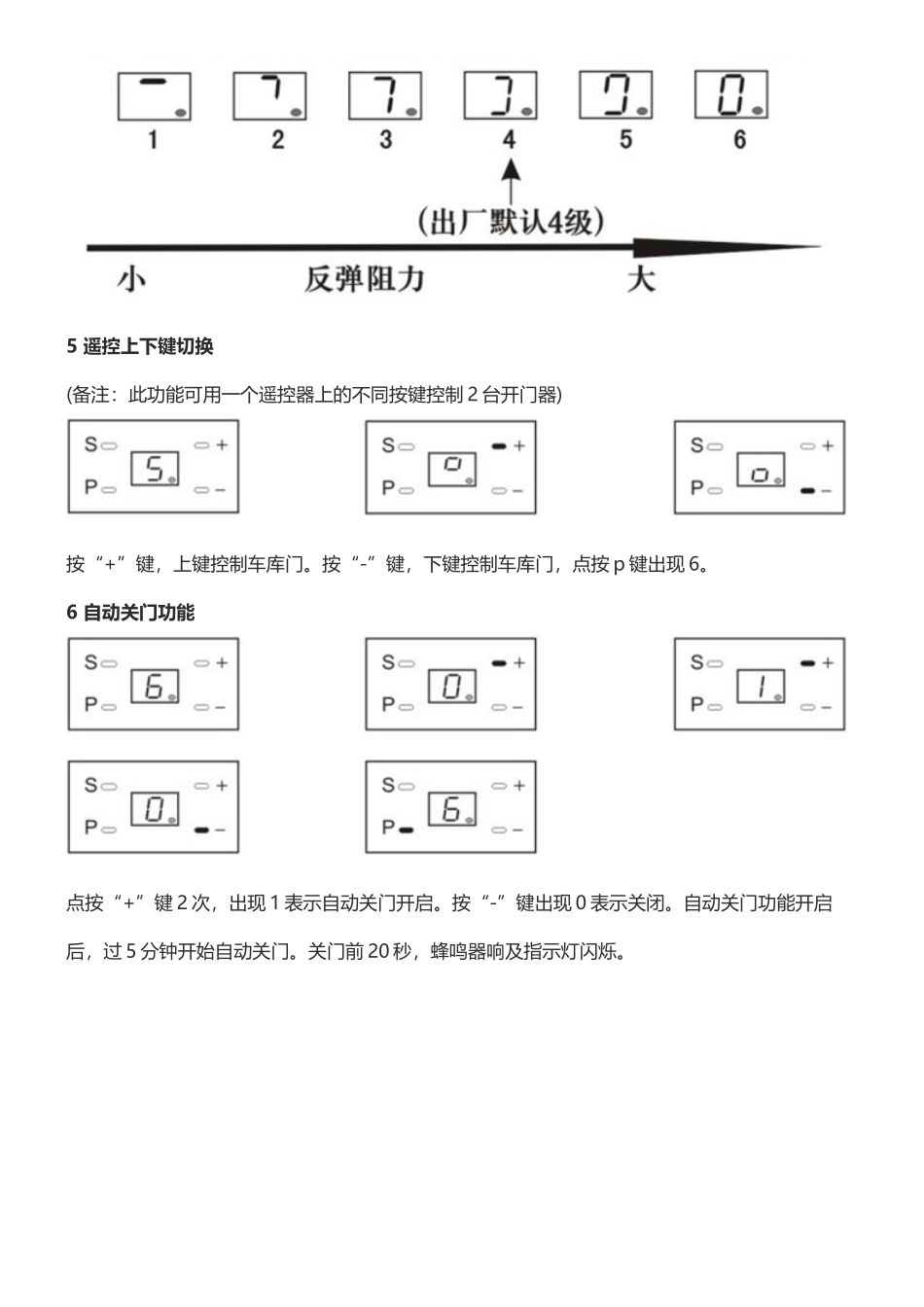
霍斯F-330车库门开门机调试说明书来源:车库门时间:2013-07-2514:02调试方式非专业人员禁止调试一、调试准备1移动门板,直致离合器锁上,以使开门器在调试过程中可直接牵动门板。2接上电源,照明灯亮。电机发出“嘟”一声,显示窗口出现0字并循环转动。(注意:当用户进入程序三分钟后不按键,程序会自动退出;另当设置程序错误时,可先将电源关闭,再开启,按以下步骤重新设置。)二、显示模式S遥控配码消码键。P功能键与储存“+”“-”调节键1上行程设置点按p键不放手(约5秒),“嘟”一声显示屏出现1,按“+”/“-”键设置上行程,设置完毕按p键,储存并显示“2”。2下行程设置按“+”/“-”键设置下行程,设置完毕按p键。储存并显示“3”。3运行阻力曲线跟踪点按“+”键,门板自动上升。上升完毕再按“—”,门板自动下降。在此过程,电脑自动跟踪运行阻力,编写阻力曲线。(一般用户此时再按p键不放手,5秒后显示“0”,即可退出设置程序,完成开门器的基本设置)。按下遥控器开门器可正常运行。(注:用户必须完成以上调试步骤后退出程序,所有设置才有效)4阻力设置。注:出厂时已设置,默认第四级,一般用户无须此设置。点p键,显示屏出现4再按“+”键,或“-”键。设置阻力完毕后按p键,储存并显示“5”。(注:用户选择反弹力过大或过小会影响车库门运行不稳定)5遥控上下键切换(备注:此功能可用一个遥控器上的不同按键控制2台开门器)按“+”键,上键控制车库门。按“-”键,下键控制车库门,点按p键出现6。6自动关门功能点按“+”键2次,出现1表示自动关门开启。按“-”键出现0表示关闭。自动关门功能开启后,过5分钟开始自动关门。关门前20秒,蜂鸣器响及指示灯闪烁。

1、当您付费下载文档后,您只拥有了使用权限,并不意味着购买了版权,文档只能用于自身使用,不得用于其他商业用途(如 [转卖]进行直接盈利或[编辑后售卖]进行间接盈利)。
2、本站所有内容均由合作方或网友上传,本站不对文档的完整性、权威性及其观点立场正确性做任何保证或承诺!文档内容仅供研究参考,付费前请自行鉴别。
3、如文档内容存在违规,或者侵犯商业秘密、侵犯著作权等,请点击“违规举报”。

碎片内容

霍斯车库门调试说明书

确认删除?
VIP
微信客服
  • 扫码咨询
会员Q群
  • 会员专属群点击这里加入QQ群
客服邮箱
回到顶部