电脑桌面
添加小米粒文库到电脑桌面
安装后可以在桌面快捷访问

CAD机械制图练习图 (2)VIP免费

CAD机械制图练习图 (2)_第1页
1/11
CAD机械制图练习图 (2)_第2页
2/11
CAD机械制图练习图 (2)_第3页
3/11
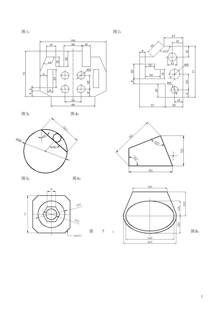
图1:图2:图3:图4:图5:图6:图7:图8:1图9:图10:图11:图12:2图13:图14:图15:图16:图17:图18:3图19:图20:图21:图22:4图23:图24:图25:图26:图27:图28:5实验三:AutoCAD的复杂图形绘制练习一、实验目的:1.熟悉精确绘制图形的方法;2.掌握较好的图形识别和判读的能力;3.掌握AutoCAD中各种绘图和编辑命令的综合运用。4.熟悉图形标注和图形填充的方法二、实验内容:按照相关绘图规范完成以下图例的绘制:1.要求务必遵守相关制图规范;2.根据需要,设置绘图图层;3.绘图要求图形清晰准确4.按照图例进行进行标注和填充。图1:图2:图3:图4:6图5:图6:图7:图8:7图9:图10:8图11:9图12:图13:10实验四:AutoCAD的图形信息查询一、实验目的:1.熟悉查询图形信息的相关命令;2.掌握查询图形信息的各种方法和常见技巧。二、实验内容:1.按照相关绘图规范和要求从J(100,100)点处,绘制如下的图形:1.绘制如下图形,并按照相关规范创建一个自己的标注样式,对图形进行标注。2.在前面绘制的图形中,进一步练习尺寸标注,并对相关标注进行11

1、当您付费下载文档后,您只拥有了使用权限,并不意味着购买了版权,文档只能用于自身使用,不得用于其他商业用途(如 [转卖]进行直接盈利或[编辑后售卖]进行间接盈利)。
2、本站所有内容均由合作方或网友上传,本站不对文档的完整性、权威性及其观点立场正确性做任何保证或承诺!文档内容仅供研究参考,付费前请自行鉴别。
3、如文档内容存在违规,或者侵犯商业秘密、侵犯著作权等,请点击“违规举报”。

碎片内容

CAD机械制图练习图 (2)

金钥匙书屋+ 关注
实名认证
内容提供者

热爱教育事业,爱好互联网行业

确认删除?
VIP
微信客服
  • 扫码咨询
会员Q群
  • 会员专属群点击这里加入QQ群
客服邮箱
回到顶部