电脑桌面
添加小米粒文库到电脑桌面
安装后可以在桌面快捷访问

安全防护标准VIP专享VIP免费

安全防护标准_第1页
1/19
安全防护标准_第2页
2/19
安全防护标准_第3页
3/19
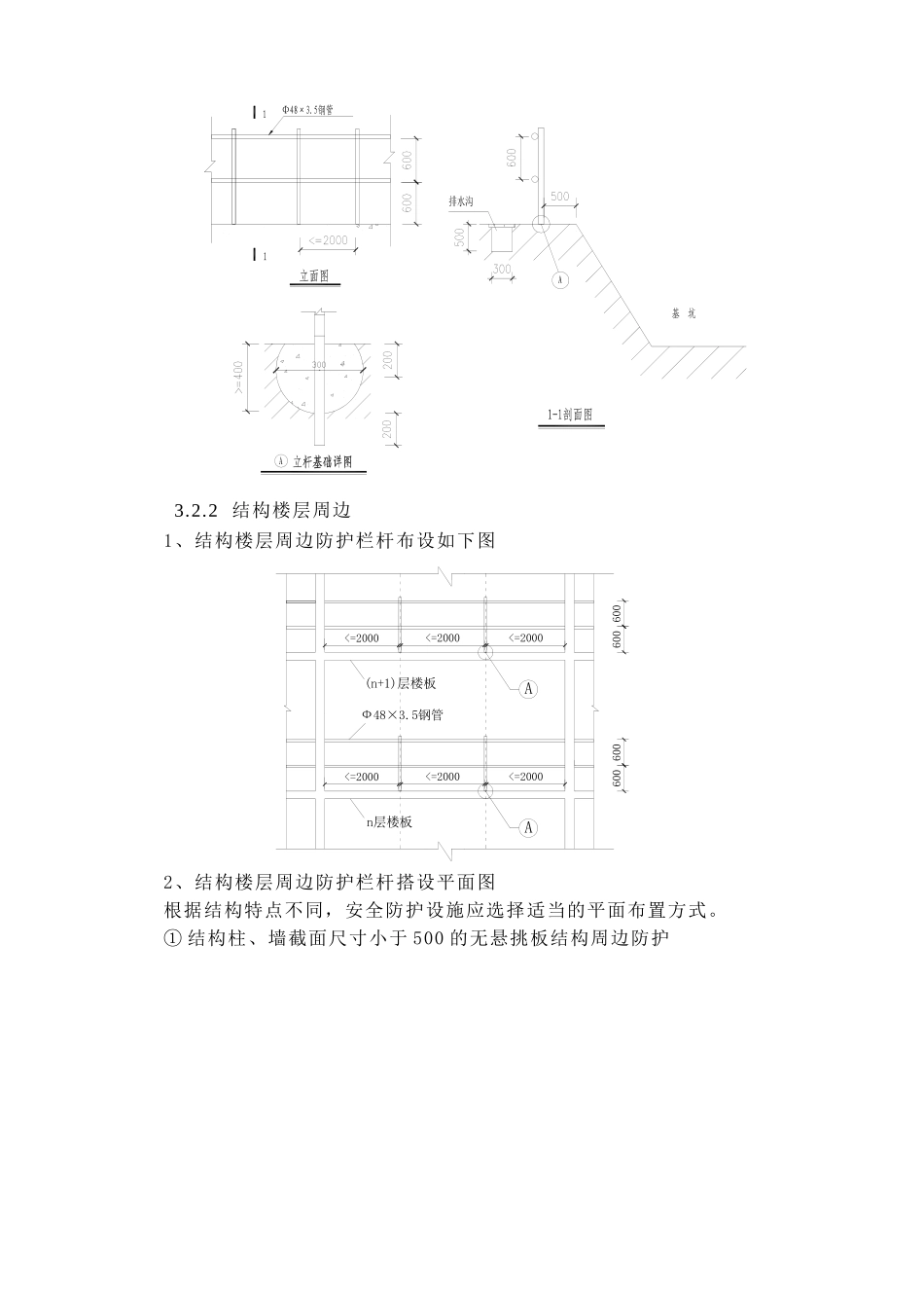
施工现场安全防护设施标准一、确定防护标准的目的1、本标准是规范分公司施工现场安全防护设施的设置、使用及相关作业活动,实施建筑施工现场标准化管理并确定安全防护专项费用的基本依据。2、安全防护设施是指为预防工程施工中发生人员伤亡事故而设置的各类设施设备等。3、现场安全防护设施的设立和使用,除执行本标准的要求外,还应符合国家有关法律法规和现行强制性标准、规范的规定。4、现场安全防护设施的验收由项目经理部组织。二、相关术语1、高处作业坠落高度基准面2m以上(含2m)有可能坠落的高处进行的作业。2、临边作业施工现场中,工作面边沿无围护设施或围护设施高度低于80cm时的高处作业。3、洞口作业孔与洞口边的高处作业,包括施工现场及通道旁深度在2m以上(含2m)的桩孔、人孔、沟槽与管道、孔洞等边沿上的作业。4、卸料平台采用型钢制作定型化、工具式的,安装于结构楼层,为塔吊等垂直运输设备转运周转料具、建筑材料的提供平台。三、临边防护3.1基本规定3.1.1临边作业时,必须设置防护措施。施工现场内的作业平台、人行通道、施工通道、运输接料平台等,如临边落差达到或超过2m,必须沿周边设置防护栏杆。各种垂直运输接料平台,除两侧设防护栏杆外,平台口还应设置安全门或活动防护栏杆。3.1.2防护栏杆应符合以下基本要求:1、防护栏杆应由上下两道横杆及栏杆柱组成,上杆离地高度为1.0~1.2m,下杆离地高度0.5~0.6m。坡度大于1:2.2的屋面,防护栏杆应高1.5m。横杆长度大于2m时,必须加设栏杆柱。2、栏杆柱固定及其与横杆连接,其整体构造应使防护栏杆在上杆任何处,能经受任何方向的1000N的外力。3、防护栏杆必须设置自上而下的密目安全网封闭,或在栏杆下边设置严密固定的高度不低于180mm的挡脚板。4、当临边外侧临街道时,除设置防护栏杆外,敞口立面必须采取满挂密目安全网作全封闭处理。5、防护栏杆及防护用挡脚板应涂刷醒目的黄黑相间或红白相间油漆。6、密目安全网必须是不小于2000目/100cm2的阻燃或难燃的安全网,进场前必须提供相应的生产厂家资料,进场后应随机抽检合格并提供销量单;若地方有规定品牌或厂家的应按照地方要求执行。脚手架上所用安全网同此要求。3.1.3防护栏杆用材和连接方式的选择:1、防护栏杆采用钢筋时,各杆件直径要求见下表,应电焊固定和连接。杆件名称上横杆下横杆栏杆柱杆件直径≥16mm≥14mm≥18mm2、防护栏杆采用钢管时,应统一采用Ф48×3.5mm钢管,以扣件连接,或采用套丝丝扣连接、螺栓连接和焊接等可靠连接方式。3、以其它钢材作防护栏杆时,应选用不小于L63×8的角钢或强度相当的其他规格,以电焊固定和连接。3.1.4栏杆柱固定的基本方式:1、在基坑四周固定,可采用钢管打入地面以下500~700mm深,钢管离基坑坑口边沿的距离不应小于500mm。2、当在混凝土楼面、屋面或墙面固定时,可用预埋件与钢管或钢筋焊接固定,钢管离边沿距离应为200~300mm。3、当在砖或砌块等砌体上固定时,可预先砌入规格为80×6mm弯转扁钢作预埋的混凝土块,用上述方法固定。3.1.5防护栏杆必须经项目自检合格,并满足防护要求。3.2各部位的临边防护3.2.1基坑周边防护栏杆布设如下图3.2.2结构楼层周边1、结构楼层周边防护栏杆布设如下图600600<=2000A<=2000<=2000Ф48×3.5钢管600600<=2000A<=2000<=2000n层楼板(n+1)层楼板2、结构楼层周边防护栏杆搭设平面图根据结构特点不同,安全防护设施应选择适当的平面布置方式。①结构柱、墙截面尺寸小于500的无悬挑板结构周边防护②结构柱、墙截面尺寸大于500的无悬挑板板边防护③悬挑板挑出长度小于500的悬挑板④悬挑板挑出长度大于500的悬挑板边3、结构楼层周边防护栏杆柱固定方式结构楼层周边防护栏杆柱固定方式同样适用于其他类型栏杆与建筑结构的连接和固定。①直接在混凝土楼板上预埋1.4~1.5m的钢管A②预埋钢筋头A③预埋短钢管A200④预埋件(套筒承插式)A⑤膨胀螺栓固定式A3.2.3预制混凝土梁、钢梁侧边构件吊装前,预先在梁两端焊接或螺栓卡固定临时立柱,将Ф10以上钢丝绳用花篮螺栓紧绷于临时立柱上作为安全绳,当梁跨度大于8米时,中间应加设临时立柱。3.2.4楼梯侧边1、常规楼梯的临时防护栏杆...

1、当您付费下载文档后,您只拥有了使用权限,并不意味着购买了版权,文档只能用于自身使用,不得用于其他商业用途(如 [转卖]进行直接盈利或[编辑后售卖]进行间接盈利)。
2、本站所有内容均由合作方或网友上传,本站不对文档的完整性、权威性及其观点立场正确性做任何保证或承诺!文档内容仅供研究参考,付费前请自行鉴别。
3、如文档内容存在违规,或者侵犯商业秘密、侵犯著作权等,请点击“违规举报”。

碎片内容

安全防护标准

确认删除?
VIP
微信客服
  • 扫码咨询
会员Q群
  • 会员专属群点击这里加入QQ群
客服邮箱
回到顶部