电脑桌面
添加小米粒文库到电脑桌面
安装后可以在桌面快捷访问

SM40-HAX说明书VIP专享VIP免费

SM40-HAX说明书_第1页
1/18
SM40-HAX说明书_第2页
2/18
SM40-HAX说明书_第3页
3/18
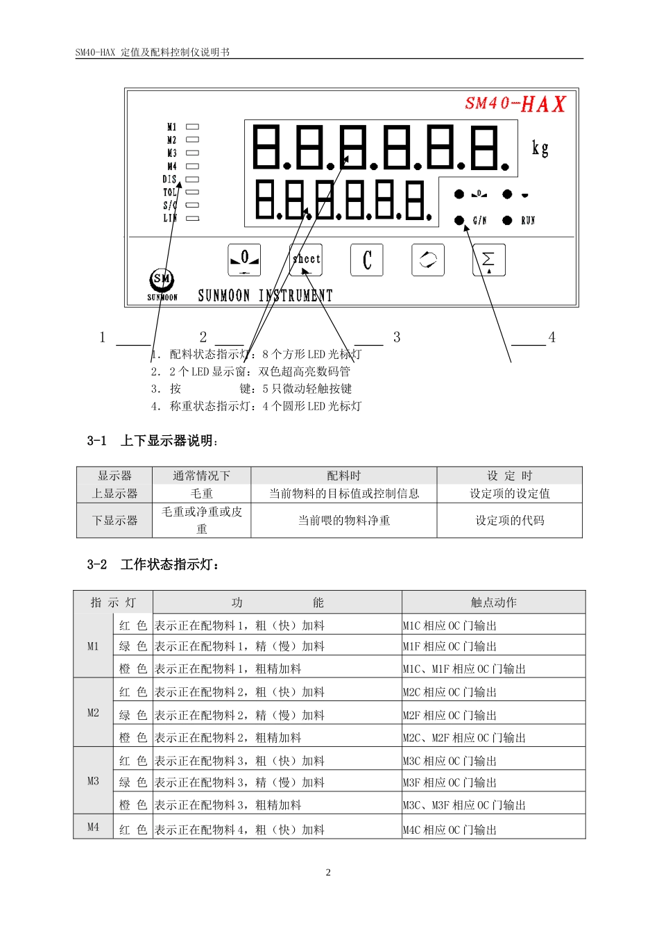
SM40-HAX定值及配料控制仪说明书仪表的操作设置1一般说明:不要将SM40H—AX安装在阳光直射处,并尽量避免安装于温度场变化大、振动处;请注意交流电源的波动,如波动超过使用范围,则必须使用交流电源稳压器或精密交流净化电源,供电电源应接至L和N两个端子上,FG端应良好独立接地线并保证接触良好,不要将电源地线接至其它设备之地线;传感器输入电缆独立走线,所有输出接口线安装时远离强电源,不得扎结在一起。2传感器与SM40—HAX配料控制仪的联接:配料控制仪联接四线制称重传感器配料控制仪联接单只四线制接线盒时的接线图称重传感器时的接线图+EXC——激励+—EXC——激励-+SIG——信号+—SIG——信号-SHLD——屏蔽层3前面板说明:1四线制的称重传感器接线盒+SIG—SIG+EXC-EXCSHLD+SIG—SIG+EXC-EXCSHLD至多只称重传感器···EXC+SIG+SHLDSIG-EXC-SM40-HAX定值及配料控制仪说明书12341.配料状态指示灯:8个方形LED光标灯2.2个LED显示窗:双色超高亮数码管3.按键:5只微动轻触按键4.称重状态指示灯:4个圆形LED光标灯3-1上下显示器说明:显示器通常情况下配料时设定时上显示器毛重当前物料的目标值或控制信息设定项的设定值下显示器毛重或净重或皮重当前喂的物料净重设定项的代码3-2工作状态指示灯:指示灯功能触点动作M1红色表示正在配物料1,粗(快)加料M1C相应OC门输出绿色表示正在配物料1,精(慢)加料M1F相应OC门输出橙色表示正在配物料1,粗精加料M1C、M1F相应OC门输出M2红色表示正在配物料2,粗(快)加料M2C相应OC门输出绿色表示正在配物料2,精(慢)加料M2F相应OC门输出橙色表示正在配物料2,粗精加料M2C、M2F相应OC门输出M3红色表示正在配物料3,粗(快)加料M3C相应OC门输出绿色表示正在配物料3,精(慢)加料M3F相应OC门输出橙色表示正在配物料3,粗精加料M3C、M3F相应OC门输出M4红色表示正在配物料4,粗(快)加料M4C相应OC门输出2SM40-HAX定值及配料控制仪说明书绿色表示正在配物料4,精(慢)加料M4F相应OC门输出橙色表示正在配物料4,粗精加料M4C、M4F相应OC门输出DIS绿灯亮时表示正在卸料DIS相应OC门输出TOL红灯亮时表示加料量超过超差限定值TOL相应OC门输出S/C绿色亮时表示配料方式为自动循环配料红色表示控制器设定为落料提前量自动修正模式LIN黄灯表示控制器处于联机通讯状态,受上位机监控。3-3称重状态指示灯:指示灯功能→0←正零灯红色当秤处于毛重的1/4d内时亮G/N毛重、净重、皮重灯橙色当下显示器处于皮重显示或皮重输入状态时红色当下显示器处于毛重状态时绿色当下显示器处于净重状态时稳定灯绿色当秤处于相对稳定时亮RUN运行灯红色当控制器正在配料时亮,暂停配料时闪烁※当仪表处于配料暂停时,RUN灯闪烁3-4按键操作说明:键键名称重状态设定状态组合键清零键在设定额定重量百分比范围内使重量清零进入后一个设置单元或使光标右移(→)与键同时按下进入参数设定状态或标定称量状态,与组合可以浏览毛重、净重和皮重配方键设定当前默认配方号的一组配方返回上一个设置单元或使光标左移(←)与键同时按下进入显示内码值CodE,再次按下则显示清零后的净内码值CodEt退出键除配料运行状态外,所有状态按此键均可返回称重状态;在已更新、确认设置参数完毕,进入下一项参数显示后,按此键可快速退出参数设置状态,而不必走完参数设置全过程再退出。与键同时按下可以进行去皮操作3SM40-HAX定值及配料控制仪说明书浏览键进入开放参数设置状态(配方组号、循环次数);在开放参数设置状态及配方设置状态从前至后浏览、确认设置内容;在皮重状态下按住此键2秒后可进入皮重值输入状态累计键显示各成分配料累计值,配料循环执行次数;当前闪烁位增1,可循环。与键同时按下进入清除累计状态,再按键清累计量※在进行配料工作时,所有按键锁定3-5蜂鸣器状态说明:Ⅰ:开机自检:蜂鸣器发出二声鸣响自检通过Ⅱ:按键响应:蜂鸣器一声短鸣Ⅲ:出错报警:蜂鸣器一声长鸣4后面板说明:1、传感器输入端子2、输入控制端子3、电源端子4、通讯接口5、输出控制端子124534-1光隔离OC门输出控制接口:4SM40-HAX定值及配料控制仪说明书M1C:第...

1、当您付费下载文档后,您只拥有了使用权限,并不意味着购买了版权,文档只能用于自身使用,不得用于其他商业用途(如 [转卖]进行直接盈利或[编辑后售卖]进行间接盈利)。
2、本站所有内容均由合作方或网友上传,本站不对文档的完整性、权威性及其观点立场正确性做任何保证或承诺!文档内容仅供研究参考,付费前请自行鉴别。
3、如文档内容存在违规,或者侵犯商业秘密、侵犯著作权等,请点击“违规举报”。

碎片内容

SM40-HAX说明书

确认删除?
VIP
微信客服
  • 扫码咨询
会员Q群
  • 会员专属群点击这里加入QQ群
客服邮箱
回到顶部