电脑桌面
添加小米粒文库到电脑桌面
安装后可以在桌面快捷访问

专业性隐患排查表VIP免费

专业性隐患排查表_第1页
1/5
专业性隐患排查表_第2页
2/5
专业性隐患排查表_第3页
3/5
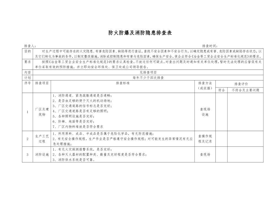
电气设备(专业)隐患排查表排查人:排查时间:目的对变、配电安全管理中可能存在的隐患、有害危险因素、缺陷等进行查证,查找不安全因素和不安全行为,以确定隐患或有害、危险因素或缺陷存在状态,以及它们转化为事故的条件,以制定整改措施,消除或控制隐患和有害与危险因素,确保生产安全,使企业符合《冶金等工贸企业安全生产标准化规范》的要求。要求按照《冶金等工贸企业安全生产标准化规范》的要求认真检查,不放过任何可疑点。对查出问题及时通知有关单位处理,暂时无法处理得应督促有关单位采取有效的预防措施,并立即向安全环保处或公司领导报告。内容见排查项目计划每年不少于四次检查序号排查项目排查标准排查方法(或依据)排查评价符合不符合及主要问题1电气作业1.认真执行《电力安全作业规程》等电业法规;做好系统模拟图、二次线路图、电缆走向图。认真执行工作票、操作票、临时用电票。定期检修、定期试验、定期清理。2、落实好检修规程、运行规程、试验规程、安全作业规程、事故处理规程。做好检修记录、运行记录、试验记录、事故记录设备缺陷记录。各项作业都要严格落实安全措施。查操作票证和记录2变配电间管理1、变电所、控制室、配电室等电气专用建筑物,密闭、防火、防爆、防雨是否符合规程要求;2、各类保护装置的完整性、可靠性检查,包括继电保护装置的校验、整定记录、避雷针、避雷器的保护范围,技术参数,接地装置是否符合规程要求,各种保护接地、接零是否正确可靠,是否合格;3、电气安全用具和灭火器材是否配备齐全;4、配电柜防护是否符合安全要求;5、配电柜安装是否按标准进行设置和安装。查现场管理3电气设备1、电气设备运行中的电压、电流、油压、温度等指标是否正常,有无违反标准现象;2、电气设备完好情况,包括年度绝缘预防性试验情况;主要设备的绝缘试验报告,缺陷和处理意见档案;3、各种电气设备是否完好;4、充油设备、检查油位正常与否,漏油情况;5、瓷绝缘部件是否有裂痕,掉碴情况;6、临时设备,临时线是否有明确的安装要求,使用时间和安全注意事项;7、高、低压架空线有无断股,低压架空线是否有裸露现象,塔杆、拉线是否完好,是否过负荷运行。查现场管理及设施4防护用品1、值班电工是否按规定穿绝缘鞋值班操作;2、各值班配电室内是否配备绝缘靴、绝缘手套及其它安全防护用品;3、绝缘靴、绝缘手套等是否按规定进行定期打压实验合格。查现场防护用品管理排查与责任制挂钩记录防火防爆及消防隐患排查表排查人:排查时间:目的对生产过程中可能存在的火灾隐患、有害危险因素、缺陷等进行查证,查找不安全因素和不安全行为,以确定隐患或有害、危险因素或缺陷存在状态,以及它们转化为事故的条件,以制定整改措施,消除或控制隐患和有害与危险因素,确保生产安全,使企业符合《冶金等工贸企业安全生产标准化规范》的要求。要求按照《冶金等工贸企业安全生产标准化规范》的要求认真检查,不放过任何可疑点。对查出问题及时通知有关单位处理,暂时无法处理的应督促有关单位采取有效的预防措施,并立即向安全环保处、保卫处或公司领导报告。内容见排查项目计划每年不少于四次排查序号排查项目排查标准排查方法(或依据)排查评价符合不符合及主要问题1厂区及建筑物1、消防通道、紧急疏散通道是否通畅;2、是否由足够的便于灭火的机动场地;3、厂区交通道路的信号标志是否完好;4、厂区交通道路是否有足够的照明;5、各种照明设施是否完好;6、阶梯、地面等是否完好;7、厂区内物料堆放是否符合要求查现场设施2生产工艺过程1、所用原料、成品、半成品是否属于危险化学品,有无防范措施;2、有无安全操作规程,生产作业是否严格遵守安全操作规程;对可能发生的异常情况有无应急处理措施;查操作规程及记录3消防设施1、有无火灾探测报警系统,是否完好;2、各种灭火器材的配置种类、数量及完好程度是否符合要求;3、消防供水系统是否可靠。查现场4作业现场1、作业现场符合防火要求;2、各种动力设备的防护装置与设施是否完好;3、有无明显标志的安全出口与紧急疏散通道并通向安全地点;4、火灾爆炸危险场所的电气系统(包括电气设备...

1、当您付费下载文档后,您只拥有了使用权限,并不意味着购买了版权,文档只能用于自身使用,不得用于其他商业用途(如 [转卖]进行直接盈利或[编辑后售卖]进行间接盈利)。
2、本站所有内容均由合作方或网友上传,本站不对文档的完整性、权威性及其观点立场正确性做任何保证或承诺!文档内容仅供研究参考,付费前请自行鉴别。
3、如文档内容存在违规,或者侵犯商业秘密、侵犯著作权等,请点击“违规举报”。

碎片内容

专业性隐患排查表

您可能关注的文档

确认删除?
VIP
微信客服
  • 扫码咨询
会员Q群
  • 会员专属群点击这里加入QQ群
客服邮箱
回到顶部