电脑桌面
添加小米粒文库到电脑桌面
安装后可以在桌面快捷访问

第十六章电压电阻知识点总结VIP免费

第十六章电压电阻知识点总结_第1页
1/4
第十六章电压电阻知识点总结_第2页
2/4
第十六章电压电阻知识点总结_第3页
3/4
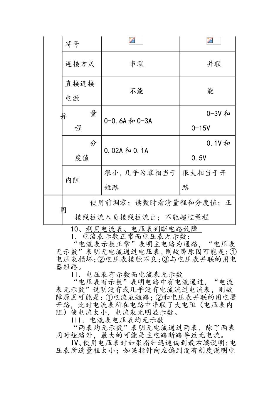
第十六章电压电阻知识点总结一、电压1.产生电流的原因:要在一段电路中产生电流,它的两端就必须有电压,电压是形成电流的原因:电压使电路中的自由电荷定向移动形成了电流。电源是提供电压的装置。2.电路中获得持续电流的条件:①电路中有电源(也就是电路两端有电压);②电路是闭合的。3、电压的单位:国际单位:伏特,简称:伏,符号:V常用单位:kV、mV换算关系:1Kv=103V=106mV1mV=10-3V=10-6Kv4、常见的一些电压值:一节干电池1.5V;一节蓄电池2V;家庭电压220V;人体安全电压不高于36V5、电压测量:仪器:电压表,符号:读数时,看清量程和分度值。量程:0——3V分度值:1大格1V,1小格0.1V0——15V分度值:1大格5V,1小格0.5V6、电压表的使用规则:两要、一不①电压表要并联在电路中。②电流从电压表的“正接线柱”流入,“负接线柱”流出。否则指针会反偏。③被测电压不要超过电压表的最大量程。④电压表可以直接连在电源两端,此时电压表测得是电源电压7、电压表使用不当的危害:①被测电压超过电压表的最大量程时,不仅测不出电压值,电压表的指针还会被打弯甚至烧坏电压表。②选择量程:实验室用电压表有两个量程,0~3V和0~15V。测量时,先选大量程,用开关试触,若被测电压小于3V则换用小的量程,若被测电压大于15V则换用更大量程的电压表。8.串联电路电压的规律:总电压等于各部分电路电压之和;U=U1+U2+…+Un并联电路电压的规律:各支路电压相等,且等于电源电压;U=U1=U2=…=Un串联电路具有分压作用,并联电路具有分流作用9、电流表、电压表的比较电流表电压表异符号连接方式串联并联直接连接电源不能能量程0-0.6A和0-3A0-3V和0-15V分度值0.02A和0.1A0.1V和0.5V内阻很小,几乎为零相当于短路很大相当于开路同使用前调零;读数时看清量程和分度值;正接线柱流入负接线柱流出;不能超过量程10、利用电流表、电压表判断电路故障I.电流表示数正常而电压表无示数:“电流表示数正常”表明主电路为通路,“电压表无示数”表明无电流通过电压表,则故障原因可能是:①电压表损坏;②电压表接触不良;③与电压表并联的用电器短路。II.电压表有示数而电流表无示数“电压表有示数”表明电路中有电流通过,“电流表无示数”说明没有或几乎没有电流流过电流表,则故障原因可能是:①电流表短路;②和电压表并联的用电器开路,此时电流表所在电路中串联了大电阻(电压表内阻)使电流太小,电流表无明显示数。III.电流表电压表均无示数“两表均无示数”表明无电流通过两表,除了两表同时短路外,最大的可能是主电路断路导致无电流。IV、使用电压表时如果指针迅速偏到最右端说明:电压表所选量程太小;如果指针向左偏到没有刻度说明电压表正负接线柱接反了;如果电压表指针偏转角度很小说明电压表所选量程太大。二、电阻1、定义:电阻表示导体对电流阻碍作用的大小2、单位:国际单位:欧姆简称,欧,符号:Ω;.常用单位:千欧、兆欧。3.换算:1MΩ=103KΩ=106Ω1Ω=10-3KΩ=10-6MΩ____4.了解一些电阻值:手电筒的小灯泡,灯丝的电阻为几欧到十几欧。日常用的白炽灯,灯丝的电阻为几百欧到几千欧。实验室用的铜线,电阻小于百分之几欧。电流表的内阻为零点几欧。电压表的内阻为几千欧左右。4、影响因素I.实验原理:在电压不变的情况下,通过电流的变化来研究导体电阻的变化。(也就是用串联在电路中小灯泡亮度的变化来研究导体电阻的变化)II.实验方法:控制变量法。III.结论:①在长度和横截面积相同时,导体的电阻跟导体的材料有关;②在材料和横截面积相同时,导体越长电阻越大;③在材料和长度相同时,导体的横堆面积越大电阻越小。导体的电阻是导体本身的一种性质,它的大小决定于导体的材料、长度、横截面积,还与温度有关。IV.结论理解:⑴导体电阻的大小由导体本身的材料、长度、横截面积决定。与是否接入电路、与外加电压及通过电流大小等外界因素均无关(也就是与电压、电流无关),所以导体的电阻是导体本身的一种性质。5、分类I定值电阻:电路符号。(阻值大小保持不变的电阻)。II变阻器:电路符号⑴滑动变阻器:结构示意图。变阻原理:通过改变...

1、当您付费下载文档后,您只拥有了使用权限,并不意味着购买了版权,文档只能用于自身使用,不得用于其他商业用途(如 [转卖]进行直接盈利或[编辑后售卖]进行间接盈利)。
2、本站所有内容均由合作方或网友上传,本站不对文档的完整性、权威性及其观点立场正确性做任何保证或承诺!文档内容仅供研究参考,付费前请自行鉴别。
3、如文档内容存在违规,或者侵犯商业秘密、侵犯著作权等,请点击“违规举报”。

碎片内容

第十六章电压电阻知识点总结

您可能关注的文档

确认删除?
VIP
微信客服
  • 扫码咨询
会员Q群
  • 会员专属群点击这里加入QQ群
客服邮箱
回到顶部