电脑桌面
添加小米粒文库到电脑桌面
安装后可以在桌面快捷访问

乙酸乙酯MSDSVIP免费

乙酸乙酯MSDS_第1页
1/3
乙酸乙酯MSDS_第2页
2/3
乙酸乙酯MSDS_第3页
3/3
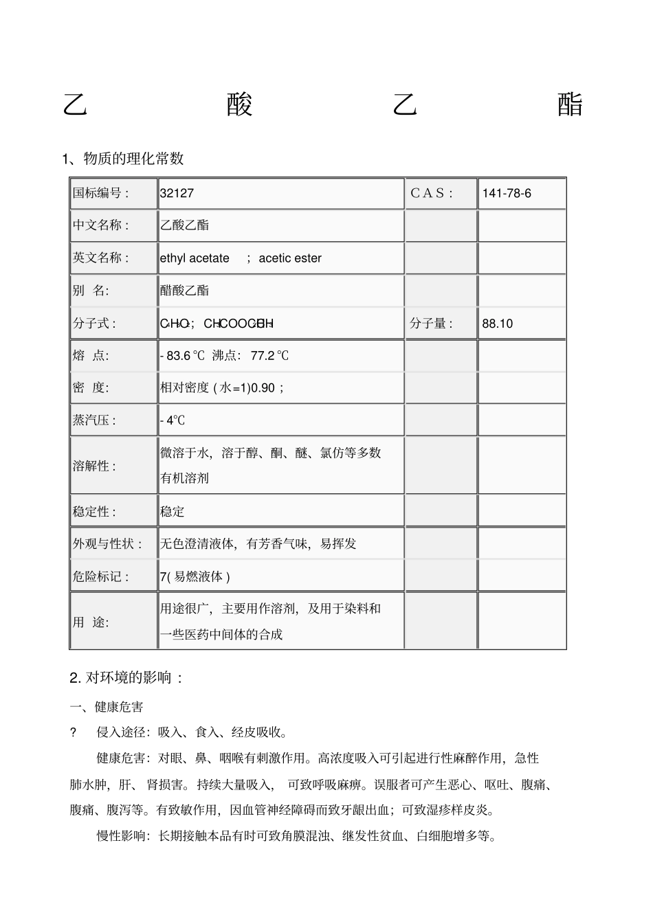
乙酸乙酯1、物质的理化常数国标编号:32127CAS:141-78-6中文名称:乙酸乙酯英文名称:ethylacetate;aceticester别名:醋酸乙酯分子式:C4H8O2;CH3COOCH2CH3分子量:88.10熔点:-83.6℃沸点:77.2℃密度:相对密度(水=1)0.90;蒸汽压:-4℃溶解性:微溶于水,溶于醇、酮、醚、氯仿等多数有机溶剂稳定性:稳定外观与性状:无色澄清液体,有芳香气味,易挥发危险标记:7(易燃液体)用途:用途很广,主要用作溶剂,及用于染料和一些医药中间体的合成2.对环境的影响:一、健康危害?侵入途径:吸入、食入、经皮吸收。健康危害:对眼、鼻、咽喉有刺激作用。高浓度吸入可引起进行性麻醉作用,急性肺水肿,肝、肾损害。持续大量吸入,可致呼吸麻痹。误服者可产生恶心、呕吐、腹痛、腹痛、腹泻等。有致敏作用,因血管神经障碍而致牙龈出血;可致湿疹样皮炎。慢性影响:长期接触本品有时可致角膜混浊、继发性贫血、白细胞增多等。二、毒理学资料及环境行为?毒性:属低毒类。?急性毒性:LD505620mg/kg(大鼠经口);4940mg/kg(兔经口);LC505760mg/m3,8小时(大鼠吸入);人吸入2000ppm×60分钟,严重毒性反应;人吸入800ppm,有病症;人吸入400ppm短时间,眼、鼻、喉有刺激。??亚急性和慢性毒性:豚鼠吸入2000ppm,或7.2g/m3,65资助接触,无明显影响;兔吸入16000mg/m3×1小时/日×40日,贫血,白细胞增加,脏器水肿和脂肪变性。??致突变性:性染色体缺失和不分离:啤酒酵母菌24400ppm。细胞遗传学分析:仓鼠成纤维细胞9g/L。?危险特性:易燃,其蒸气与空气可形成爆炸性混合物。遇明火、高热能引起燃烧爆炸。与氧化剂接触会猛烈反应。在火场中,受热的容器有爆炸危险。其蒸气比空气重,能在较低处扩散到相当远的地方,遇明火会引着回燃。燃烧(分解)产物:一氧化碳、二氧化碳。3.现场应急监测方法:气体检测管法气体速测管(北京劳保所产品、德国德尔格公司产品)4.实验室监测方法:无泵型采样气相色谱法(WS/T155-1999,作业场所空气)气相色谱法《空气中有害物的测定方法》(第二版),杭士平主编羟胺-氯化铁比色法《空气中有害物的测定方法》(第二版),杭士平主编5.环境标准:中国(TJ36-79)车间空气中有害物质的最高容许浓度300mg/m3前苏联(1977)大气质量标准0.1mg/m3前苏联(1975)水体中有害物质最高允许浓度0.1mg/L前苏联(1975)污水排放标准10mg/L嗅觉阈浓度270mg/m36.应急处理处置方法:一、泄漏应急处理迅速撤离泄漏污染区人员至安全区,并进行隔离,严格限制出入。切断火源。建议应急处理人员戴自给正压式呼吸器,穿消防防护服。尽可能切断泄漏源,防止进入下水道、排洪沟等限制性空间。小量泄漏:用活性炭或其它惰性材料吸收。也可以用大量水冲洗,洗水稀释后放入废水系统。大量泄漏:构筑围堤或挖坑收容;用泡沫覆盖,降低蒸气灾害。用防爆泵转移至槽车或专用收集器内,回收或运至废物处理场所处置。二、防护措施呼吸系统防护:可能接触其蒸气时,应该佩戴自吸过滤式防毒面具(半面罩)。紧急事态抢救或撤离时,建议佩戴空气呼吸器。眼睛防护:戴化学安全防护眼镜。身体防护:穿防静电工作服。手防护:戴橡胶手套。其它:工作现场严禁吸烟。工作毕,淋浴更衣。注意个人清洁卫生。三、急救措施皮肤接触:脱去被污染的衣着,用肥皂水和清水彻底冲洗皮肤。就医。眼睛接触:提起眼睑,用流动清水或生理盐水冲洗。就医。吸入:迅速脱离现场至空气新鲜处。保持呼吸道通畅。如呼吸困难,给输氧。如呼吸停止,立即进行人工呼吸。就医。食入:饮足量温水,催吐,就医。灭火方法:灭火剂:抗溶性泡沫、二氧化碳、干粉、砂土。用水灭火无效,但可用水保持火场中容器冷却。

1、当您付费下载文档后,您只拥有了使用权限,并不意味着购买了版权,文档只能用于自身使用,不得用于其他商业用途(如 [转卖]进行直接盈利或[编辑后售卖]进行间接盈利)。
2、本站所有内容均由合作方或网友上传,本站不对文档的完整性、权威性及其观点立场正确性做任何保证或承诺!文档内容仅供研究参考,付费前请自行鉴别。
3、如文档内容存在违规,或者侵犯商业秘密、侵犯著作权等,请点击“违规举报”。

碎片内容

乙酸乙酯MSDS

确认删除?
VIP
微信客服
  • 扫码咨询
会员Q群
  • 会员专属群点击这里加入QQ群
客服邮箱
回到顶部