电脑桌面
添加小米粒文库到电脑桌面
安装后可以在桌面快捷访问

五邑大学高频课程设计报告分析VIP免费

五邑大学高频课程设计报告分析_第1页
1/9
五邑大学高频课程设计报告分析_第2页
2/9
五邑大学高频课程设计报告分析_第3页
3/9
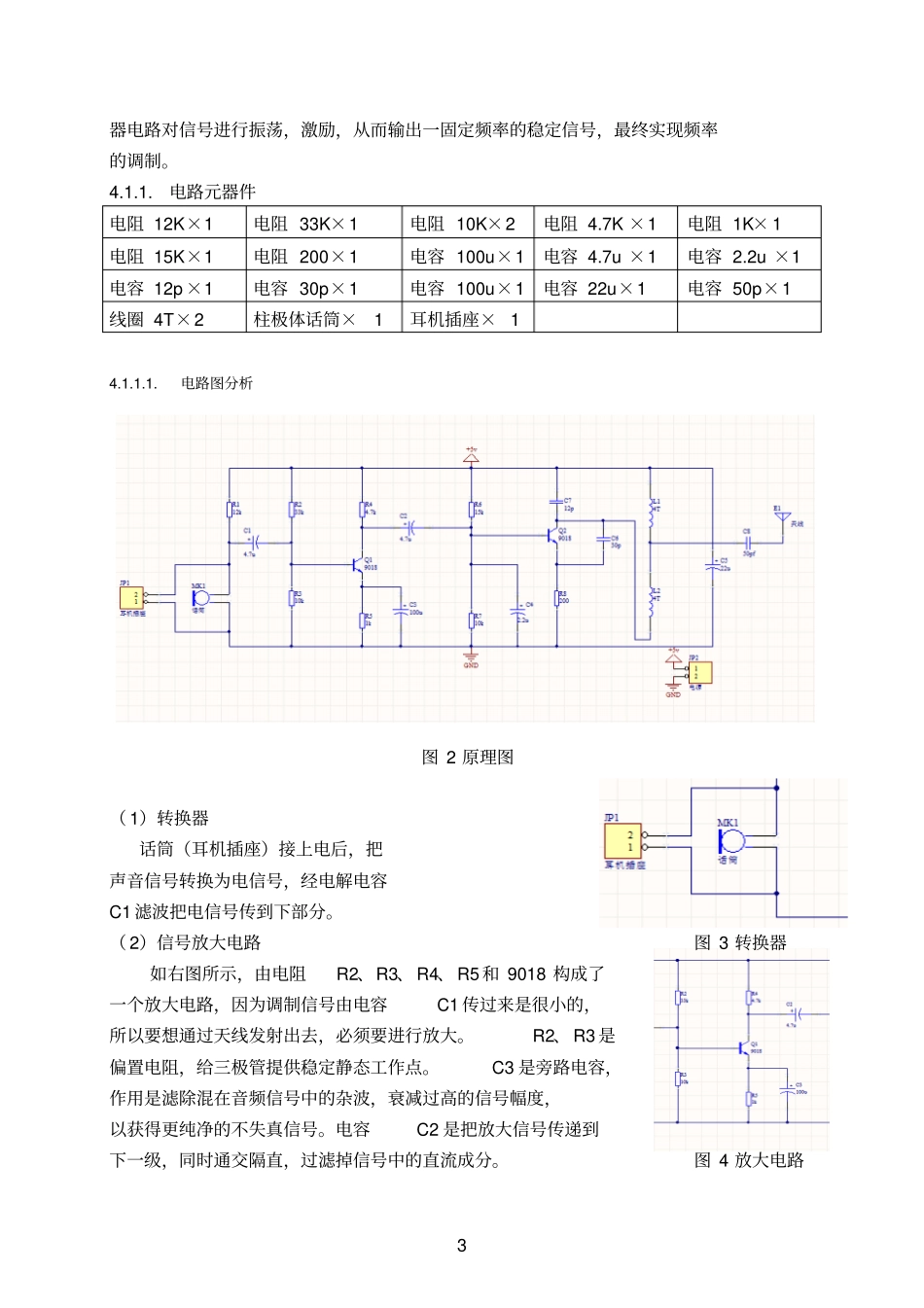
1摘要:调频发射机的制作是对高频电子线路理论知识的一次实践,同时也结合了低频电路知识的运用,能使我们加深对理论知识的理解。本次课程设计利用两个三极管9018元件,制作了一个简易的调频发射机,能实现发射一定功率并用收音机接收的信号。在本发射机中,利用话筒或者耳机插座将话音转化为音频信号,音频信号经过放大后对载波进行调制,产生调频波,通过天线向外发射调频电磁波,用调频收音机便可以接收到清楚的话音。关键词:调频发射机高频电子线路低频电路三极管90181.题目要求1)查阅调频发射机基本原理的资料;2)选择合理的方案,设计调频发射机电路;3)制作PCB电路板(须标注学号),焊接元器件;4)用收音机完成作品调试;5)工作频率88~108MHz,辐射距离大于3米,电源电压5~12V;6)扩展功能:工作频率点可调节;7)撰写作品报告。2.基本原理2.1.电路实现基本原理首先电容麦或者耳机插座将音频信号(调制信号)和高频载波调制为调频波,使高频载波的频率随音频信号发生变化,再对所产生的高频信号通过放大电路进行放大,最后信号进入电容三点式振荡电路激励起振产生一功率足够大且固定频率的稳定信号,使信号输出到天线发送出去。2.1.1.FM调制原理假定调制信号为tUumcos,高频载波电压为tUuccmccos,根据频率调制的定义,调频时载波的瞬时频率)(t应随着u线性变化,此时调频波的瞬时角频率为tUKuKtmfcfccos)((1)令mfUKm△(2)则ttmccos)(△(3)式中,c是未调制时的载波角频率,称为调频波的中心角频率;m△是调频波瞬时角频率偏离中心频率c的最大值,称为调频波的最大角频偏;fK是比例常数,单位是rad/s,称为调制灵敏度,其数值取决于调频电路的参数。(4)由式(3)(4)可求出00)()(dtt2(5)(6)则△ttmttcfcsin)(,调频波电压的数学表达式为)sincos()(costmtUtUufccmcmFM3.设计方案分析3.1.实现调频的方法产生调频信号的方法很多,大致可以分为两类,直接调频和间接调频。直接调频是将调制信号直接控制振荡器的自激振荡频率。间接调频是利用角频率与相角之间的微分和积分的关系,先对调制信号进行适当的处理,再用经过处理后的调制信号对高频载波进行调相。间接调频的优点是载波频率比较稳定,但较于直接调频,电路较复杂,频移小,且寄生调幅较大,通常需多次倍频使频移增加。但我们应该在满足要求的前提下,应力求电路简单、性能稳定可靠。且单元电路级数尽可能少,以减少级间的相互感应、干扰和自激。于是我选择直接调频的方式设计电路。3.1.1.设计思路整个调频发射机的设计思路是采用两个9018设计两级电路,第一级为放大电路把调制信号放大,第二级是电容三点式电路,产生一功率足够大且固定频率的稳定信号并馈送到天线进行发射。图1发射机的基本框架4.电路图设计4.1.电路结构介绍本调频发射机主要由三个基本模块组成,第一级是由柱极体话筒构成的声-电转换电路;第二级音频放大电路;第三级电容三点式振荡器电路。第一级柱极体话筒拾取周围环境声波信号后即输出相应电信号,经C1输入到晶体管Q1,Q1担任音频放大器,对音频信号进行放大,经C2送至由Q2构成的电容三点式振荡音频信号输入调制信号放大电容三点式振荡器天线发射ttdtttmctsin)()(0△mfmfUKm△3器电路对信号进行振荡,激励,从而输出一固定频率的稳定信号,最终实现频率的调制。4.1.1.电路元器件电阻12K×1电阻33K×1电阻10K×2电阻4.7K×1电阻1K×1电阻15K×1电阻200×1电容100u×1电容4.7u×1电容2.2u×1电容12p×1电容30p×1电容100u×1电容22u×1电容50p×1线圈4T×2柱极体话筒×1耳机插座×14.1.1.1.电路图分析图2原理图(1)转换器话筒(耳机插座)接上电后,把声音信号转换为电信号,经电解电容C1滤波把电信号传到下部分。(2)信号放大电路图3转换器如右图所示,由电阻R2、R3、R4、R5和9018构成了一个放大电路,因为调制信号由电容C1传过来是很小的,所以要想通过天线发射出去,必须要进行放大。R2、R3是偏置电阻,给三极管提供稳定静态工作点。C3是旁路电容,作用是滤除混在音频信号中的杂波,衰减过高的信号幅度,以获得更纯净的不失真信号。电容C2是把放大信号传递到下一级,同时通交隔直,过滤掉信号中的直流成...

1、当您付费下载文档后,您只拥有了使用权限,并不意味着购买了版权,文档只能用于自身使用,不得用于其他商业用途(如 [转卖]进行直接盈利或[编辑后售卖]进行间接盈利)。
2、本站所有内容均由合作方或网友上传,本站不对文档的完整性、权威性及其观点立场正确性做任何保证或承诺!文档内容仅供研究参考,付费前请自行鉴别。
3、如文档内容存在违规,或者侵犯商业秘密、侵犯著作权等,请点击“违规举报”。

碎片内容

五邑大学高频课程设计报告分析

确认删除?
VIP
微信客服
  • 扫码咨询
会员Q群
  • 会员专属群点击这里加入QQ群
客服邮箱
回到顶部