电脑桌面
添加小米粒文库到电脑桌面
安装后可以在桌面快捷访问

五金件外观检验标准VIP免费

五金件外观检验标准_第1页
1/8
五金件外观检验标准_第2页
2/8
五金件外观检验标准_第3页
3/8
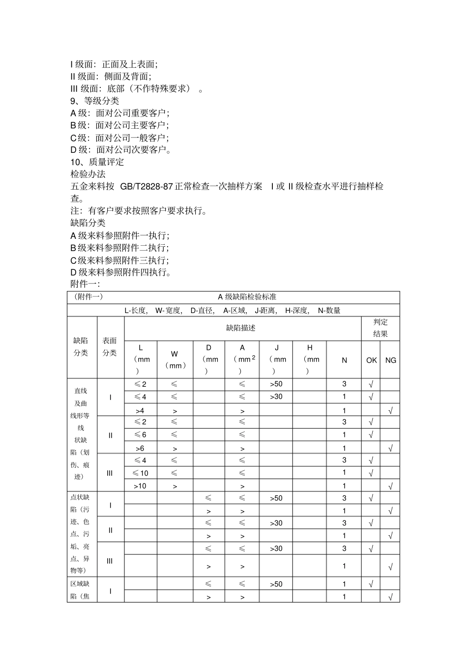
五金件外观检验标准◆1、目的本标准为IQC对五金来料检验、测试提供作业方法指导。2、适用范围本标准适用于所有须经IQC检验、测试五金来料的检验过程。3、职责IQC检验员负责按照本标准对相关来料进行检验、测试。4、工具卡尺(精度不低于)。5、外观缺陷检查条件距离:肉眼与被测物距离30CM。时间:10秒钟内确认缺陷。角度:15-90度范围旋转。照明:600-800LUX之间(有客户要求按照客户要求执行)。视力:以上(含矫正后)。6、检验项目及要求外壳外观a.所有外观面光滑过渡、无冲压不良。b.外观面无划伤、拖花痕迹。c.非喷涂面不能有喷涂印。d.烤灯会面均匀完整、不粗糙、无暗纹,不能有局部堆积、少油、纤维丝。烤漆是否牢固,硬度是否符合要求。e.烤漆层色差光泽均匀、光亮。尺寸测量下列尺寸,所有尺寸均须同图纸吻合或与样板一致。a.外型轮廓。b.定位孔位置。c.特殊点位置及规格(如美观线)。材质a.原材料是符合相关设计要求。b.供应商应提供材质证明资料。试装配将零件与相应的组件试装应配合良好。7、检验方法外观使用目测法检查被检品的外观。检测过程中,产品应被倾斜、摇动、移动,以使待测平面能获得不同的光线,而非在灯光下以常规方式检验。当缺陷在某一特定的光线下被观察到时,应翻转产品至少5度,以确保能在此时的下能观察到该缺陷。缺陷至少能在两种光线下能被检查得到。尺寸使用卡尺测量被检品的尺寸。8、塑壳表面分类I级面:正面及上表面;II级面:侧面及背面;III级面:底部(不作特殊要求)。9、等级分类A级:面对公司重要客户;B级:面对公司主要客户;C级:面对公司一般客户;D级:面对公司次要客户。10、质量评定检验办法五金来料按GB/T2828-87正常检查一次抽样方案I或II级检查水平进行抽样检查。注:有客户要求按照客户要求执行。缺陷分类A级来料参照附件一执行;B级来料参照附件二执行;C级来料参照附件三执行;D级来料参照附件四执行。附件一:(附件一)A级缺陷检验标准L-长度,W-宽度,D-直径,A-区域,J-距离,H-深度,N-数量缺陷分类表面分类缺陷描述判定结果L(mm)W(mm)D(mm)A(mm2)J(mm)H(mm)NOKNG直线及曲线形等线状缺陷(划伤、痕迹)I≤2≤≤>503√≤4≤≤>301√>4>>1√II≤2≤≤3√≤6≤≤1√>6>>1√III≤4≤≤3√≤10≤≤1√>10>>1√点状缺陷(污迹、色点、污垢、亮点、异物等)I≤≤>503√>>1√II≤≤>303√>>1√III≤≤>303√>>1√区域缺陷(焦I≤≤>501√>>1√痕、表面反光等)II≤≤>301√>>1III≤≤>301√>>1凹陷I-III≤>50≤≤2√><50>>2√飞边、毛刺除承认样品外突出边缘≤√突出边缘>√切断不良除承认样品外装配后完全不可见或对外观影响很小√装配后可见但对外观影响较大或影响装配√喷涂剥落I-II不允许有喷涂剥落√裂纹断裂I-II不允许有裂纹断裂√变形翘曲除承认样品外翘曲≤√≥且不影响装配和外观√≥且影响装配√丝印不良除承认样品外丝印毛边、起毛,正常光线明显可见≤1/4线宽√丝印断丝≤线长的1/4√字体模糊,在正常视距30cm-40cm能辨认出√多划、少划√丝印粗细与位置比对样板有差异√字体模糊,不能看清字,无法辨认√狗牙、错印、漏印、重影、断字、字体倾斜、拖油√丝印颜色与样板不相符√装配除承认样品外装配不合格√缝隙或装配间隙不均匀超差以上√装配强度低于8kg√注:1.本表所列各项缺陷均按其程度在所对应行后方框中打“√”标示其可接受范围;2.本表所列缺陷之外的有可能影响产品质量的缺陷限度以承认样品为限;3.本表所列缺陷如可用软布擦去或气枪吸去均属可接收之列(这项目指的是个别的不良,如果是批量性或占比例较大(>3%)的不适应);=允收,NG=拒收。附件二:(附件二)B级缺陷检验标准L-长度,W-宽度,D-直径,A-区域,J-距离,H-深度,N-数量缺陷分类表面分类缺陷描述判定结果L(mm)W(mm)D(mm)A(mm2)J(mm)H(mm)NOKNG直线及曲线形等线状缺陷(划伤、痕迹)I≤3≤≤>503√≤5≤≤>301√>5>>1√II≤3≤≤>503√≤6≤≤>301√>6>>1√III≤4≤≤3√≤8≤≤1√>8>>1√点状缺陷(污迹、色点、污垢、亮点、异物等)I≤≤>503√>>1√II≤≤>303√>>1√III≤≤>303√>>1√区域缺陷(焦痕...

1、当您付费下载文档后,您只拥有了使用权限,并不意味着购买了版权,文档只能用于自身使用,不得用于其他商业用途(如 [转卖]进行直接盈利或[编辑后售卖]进行间接盈利)。
2、本站所有内容均由合作方或网友上传,本站不对文档的完整性、权威性及其观点立场正确性做任何保证或承诺!文档内容仅供研究参考,付费前请自行鉴别。
3、如文档内容存在违规,或者侵犯商业秘密、侵犯著作权等,请点击“违规举报”。

碎片内容

五金件外观检验标准

您可能关注的文档

确认删除?
VIP
微信客服
  • 扫码咨询
会员Q群
  • 会员专属群点击这里加入QQ群
客服邮箱
回到顶部