电脑桌面
添加小米粒文库到电脑桌面
安装后可以在桌面快捷访问

五金通用标准VIP免费

五金通用标准_第1页
1/9
五金通用标准_第2页
2/9
五金通用标准_第3页
3/9
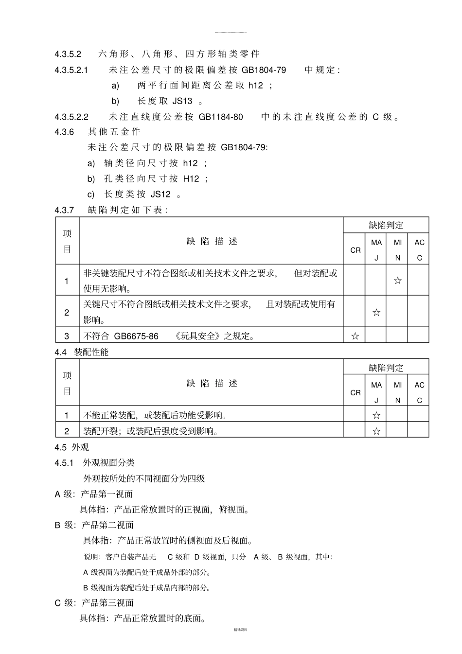
----------------------------精选资料1适用范围适用于IQC/QC/QA/实验室对用于组成产品的金属类零件或经机加工形成的非金属零件的检查和缺陷之判定。2引用标准下列标准所包含的条文,通过在本标准中引用而构成本标准的条文。本标准发布时,所示版本均为有效。所有标准都会被修订,使用本标准时,应使用下列标准的最新版本。GB6675-86玩具安全GB1804-79未注公差尺寸的极限偏差GB1184-80未注形位公差的公差值3缺陷定义3.1ACC(可接受):可以忽略不计的缺陷。3.2CR(致命):产品存在潜在的安全性问题,会导致消费者有生命危害(如:蜫虫、尖点、利边)的缺陷。3.3MAJ(严重):产品没有潜在的安全性问题,但会导致消费者不接受(如:无功能、功能不良、漏配件、外观严重损坏等)的缺陷。3.4MIN(轻微):产品存在缺陷不会导致消费者投诉,但会影响消费者购买欲望的缺陷。4质量标准4.1缺点度量代码:N—数目D—直径(mm)L—长度(mm)H—深度/高度(mm)W—宽度(mm)S—面积(mm2)J—间距(mm)4.2材质使用符合图纸和相关技术文件要求的材料。项目缺陷描述缺陷判定CRMAJMINACC1使用材料不符合图纸或相关技术文件要求。☆2未按图纸或相关技术文件要求进行热处理和表面处理。☆4.3结构尺寸符合相关的零件图纸、技术文件或相关行业、国家或国际标准之要求。4.3.1测量工具4.3.1.1根据不同的精度要求选用投影仪、外径千分尺、游标卡尺,高(深)度尺、直尺、塞规、角度仪等量具。4.3.1.2量具精度选择原则:量具精度不小于尺寸精度要求的2倍,如:----------------------------精选资料a)精度为0.01mm的尺寸,应使用测量精度不低于0.005mm的量具;b)精度为0.10mm的尺寸,应使用测量精度不低于0.05mm的量具;4.3.2金属齿轮及滚珠轴承尺寸公差a)金属齿轮径向跳动的形位公差按GB2362-90,GB2363-90要求,取10级,见下表:精度等级法向模数mn(mm)分度圆直径d(mm)≤12>12~20>20~32>32~50>50~80>80~125>125~200>200~315>315~400(μm)100.1~0.5404245505662687685>0.5~<1.0444650566268748090b)滚珠轴承尺寸公差见附录1。(有图纸的按图纸要求)4.3.3冲压件未注公差尺寸的极限偏差按国家标准GB1804-79中的规定:4.3.3.1孔取H12;4.3.3.2凸台等轴类要素取h12;4.3.3.3中心距按JS12;4.3.3.4非弯曲方向的线性要素取JS13;4.3.3.5由弯曲后确定的尺寸取JS15。4.3.4冲压件未注形位公差的规定:4.3.4.1未注直线度、平面度公差按GB1184-80中未注直线度、平面度公差等级中的C级。4.3.4.2未注对称度公差,按GB1184-80中未注同轴度、对称度公差等级中的C级。4.3.4.3未注圆度公差值,应小于或等于尺寸公差值。4.3.4.4未注平行度:a)对于标有E的平行要素,其平行度应遵守包容原则的规定。b)对于没有标E的平行要素,由平面度或直线度的未注公差值和平行要素间的尺寸公差分别控制。4.3.4.5垂直度和倾斜度由角度公差和直线度或平面度未注公差值分别控制。4.3.5轴类零件4.3.5.1圆柱形轴类零件4.3.5.1.1未注公差尺寸的极限偏差按GB1804-79中规定:a)轴外径取h12;b)长度取JS14。4.3.5.1.2未注直线度、同轴度按GB1184-80中;a)未注直线度公差,未注同轴度公差的C级确定。b)未注圆度公差应小于尺寸公差。c)未注公差滚花(直纹或网纹)零件的圆柱度允差应小于0.08mm,与基轴的同轴度允差应小于0.02mm。----------------------------精选资料4.3.5.2六角形、八角形、四方形轴类零件4.3.5.2.1未注公差尺寸的极限偏差按GB1804-79中规定:a)两平行面间距离公差取h12;b)长度取JS13。4.3.5.2.2未注直线度公差按GB1184-80中的未注直线度公差的C级。4.3.6其他五金件未注公差尺寸的极限偏差按GB1804-79:a)轴类径向尺寸按h12;b)孔类径向尺寸按H12;c)长度类按JS12。4.3.7缺陷判定如下表:项目缺陷描述缺陷判定CRMAJMINACC1非关键装配尺寸不符合图纸或相关技术文件之要求,但对装配或使用无影响。☆2关键尺寸不符合图纸或相关技术文件之要求,且对装配或使用有影响。☆3不符合GB6675-86《玩具安全》之规定。☆4.4装配性能项目缺陷描述缺陷判定CRMAJMINACC1不能正常装配,或装配后功能受影响。☆2装...

1、当您付费下载文档后,您只拥有了使用权限,并不意味着购买了版权,文档只能用于自身使用,不得用于其他商业用途(如 [转卖]进行直接盈利或[编辑后售卖]进行间接盈利)。
2、本站所有内容均由合作方或网友上传,本站不对文档的完整性、权威性及其观点立场正确性做任何保证或承诺!文档内容仅供研究参考,付费前请自行鉴别。
3、如文档内容存在违规,或者侵犯商业秘密、侵犯著作权等,请点击“违规举报”。

碎片内容

五金通用标准

爱的疯狂+ 关注
实名认证
内容提供者

该用户很懒,什么也没介绍

确认删除?
VIP
微信客服
  • 扫码咨询
会员Q群
  • 会员专属群点击这里加入QQ群
客服邮箱
回到顶部