电脑桌面
添加小米粒文库到电脑桌面
安装后可以在桌面快捷访问

人事管理系统测试用例--第六组VIP免费

人事管理系统测试用例--第六组_第1页
1/23
人事管理系统测试用例--第六组_第2页
2/23
人事管理系统测试用例--第六组_第3页
3/23
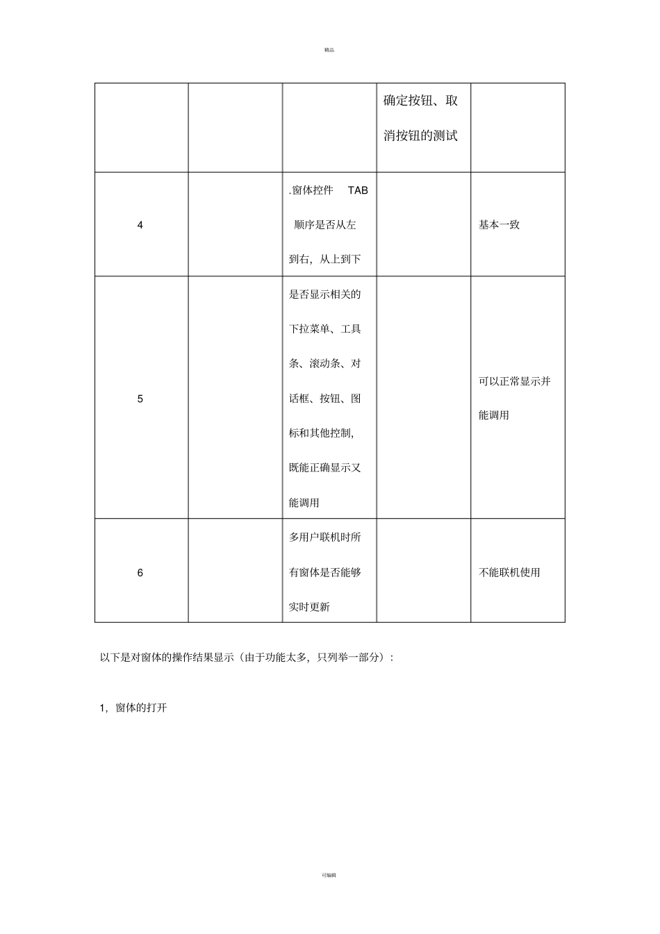
精品可编辑人事管理系统测试用例Vs08软测第六组:贾冠萌,胡世巧、翟梦珂评审日期:2012年3月14日精品可编辑一、功能测试1、对话框测试输入进行测试。包括中文字符、英文字符、数字字符、特殊字符、及几种字符的组合。2、对界面可操作按钮进行测试。包括【新增(N)】【保存(S)】【修改(M)】【查询(A)】【打印(P)】【退出(X)】。同时需要对鼠标右键的菜单进行测试。3、数据保存测试。将1和2进行组合。4、必要条件控制测试。在做了3时将必要条件(如:a、编号、姓名不可为空b、编号、姓名不可重复)控制测试联合起来。二、图形界面测试图形界面测试用例编号前置条件测试内容测试用例类型测试结果1打开任意窗体.窗体是否能够基于相关的输入或菜单命令适当的打开用户登录测试用户名只有管理员可用,密码无输入就能打开2窗体是否能够改变大小、移动和滚动可以3窗体是否能够被关闭窗口最大化、最小化、关闭、可以精品可编辑确定按钮、取消按钮的测试4.窗体控件TAB顺序是否从左到右,从上到下基本一致5是否显示相关的下拉菜单、工具条、滚动条、对话框、按钮、图标和其他控制,既能正确显示又能调用可以正常显示并能调用6多用户联机时所有窗体是否能够实时更新不能联机使用以下是对窗体的操作结果显示(由于功能太多,只列举一部分):1,窗体的打开精品可编辑点击“确定”进入人事工资管理系统,无密码输入。2.窗体能够改变大小、移动和滚动3.窗体相关的功能可以操作精品可编辑点击增加,界面显示如下:点击修改,界面显示:精品可编辑点击删除,提示如下信息:点击“是”,可以成功删除!点击“否”提示窗口消失返回上级界面。三、功能测试就是对产品的各功能进行验证,根据功能测试用例,逐项测试,检查产品是否达到用户要求的功能。常用的测试方法如下:用例编号前置条件测试内容测试用例类型测试结果1打开任意窗体.窗体上“增添”按钮能否执行增加用户资料(职工信息)测可以增加新的用户(职工信息)精品可编辑试2需增加信息录入必填信息项增加用户资料(职工信息)内容编号(按回车自动跳到下一项)、姓名、所属部门,其它信息项可跳过不录入3需增加信息增加信息的其它信息项增加其他信息录入方式所属部门、籍贯、性别、婚姻状况、政治面貌、民族、学历、专业、学位、行政级别、职务、职称、外语语种、外语水平、电脑水平、工资等级、在职状况、用工形式等信息均以选择方式录入4需增加信息增加照片形式内容支持jpg和bmp格式,且图片大小不能超过200K精品可编辑5需增加信息(增加照片)导出/删除照片点击[照片]--[删除照片]/[导出照片]即可将录入的照片删除或是导出了6需增加信息性别、出生日期、年龄与身份证号的输入输入是否符合标准“性别”、“出生日期”、“年龄”三项在输入“身份证号”后系统自动生成7需增加信息合同年限、合同到期、合同签订的输入输入是否符合标准“合同年限”=“合同到期”-“合同签订”8需增加信息增加信息输入完毕增加信息的保存点击“保存”按钮输入的新的个人信息保存到数据库9删除信息删除一个人员信息删除一个人员信息测试选中“乔峰”的记录,点击[删除],显示屏上立即弹出提示“是否删除员工[乔精品可编辑峰]的信息?”,点击[是],完成删除。删除后的信息保存到数据库中保存到数据库中10删除信息同时删除多个员工的信息同时删除多个员工的信息测试按住Shift不放,点选记录的头和结尾选中,直接点击[删除]删除后的信息保存到数据库中11修改信息修改员工已录入信息在弹出窗口的“档案项目”栏中选择要修改的项目,然后在“修改内容”’栏中填入将修改精品可编辑为的值,完成点[开始修改]修改后的信息保存到数据库中12工龄核算工龄核算工龄核算方法的测试“按月核算”:如果(核算日期的月份>入职日期/参加工作日期的月份,核算日期年份-入职日期/参加工作日期的年份,核算日期年份-入职日期/参加工作日期的年份-1)“按年核算”:核算日期年份-入职日期/参加工作时间的年份精品可编辑“按年核算虚工龄”:核算日期年份-入职日期/参加工作时间的年份+1“按日核算”:if(核算日期的月日>入职日期/参加工作日期的月日),核算日期年份-入职日期/...

1、当您付费下载文档后,您只拥有了使用权限,并不意味着购买了版权,文档只能用于自身使用,不得用于其他商业用途(如 [转卖]进行直接盈利或[编辑后售卖]进行间接盈利)。
2、本站所有内容均由合作方或网友上传,本站不对文档的完整性、权威性及其观点立场正确性做任何保证或承诺!文档内容仅供研究参考,付费前请自行鉴别。
3、如文档内容存在违规,或者侵犯商业秘密、侵犯著作权等,请点击“违规举报”。

碎片内容

人事管理系统测试用例--第六组

爱的疯狂+ 关注
实名认证
内容提供者

该用户很懒,什么也没介绍

确认删除?
VIP
微信客服
  • 扫码咨询
会员Q群
  • 会员专属群点击这里加入QQ群
客服邮箱
回到顶部