电脑桌面
添加小米粒文库到电脑桌面
安装后可以在桌面快捷访问

苏丹红、苏丹黄、偶氮苯的薄层层析VIP免费

苏丹红、苏丹黄、偶氮苯的薄层层析_第1页
1/4
苏丹红、苏丹黄、偶氮苯的薄层层析_第2页
2/4
苏丹红、苏丹黄、偶氮苯的薄层层析_第3页
3/4
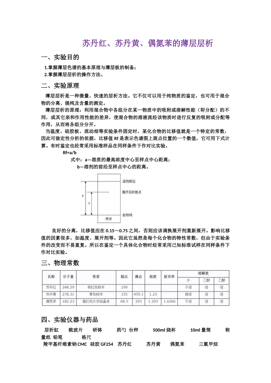
苏丹红、苏丹黄、偶氮苯的薄层层析一、实验目的1.掌握薄层色谱的基本原理与薄层板的制备;2.掌握薄层层析的操作方法。二、实验原理薄层层析是一种微量、快速的层析方法。它不仅可以用于纯物质的鉴定,也可用于混合物的分离、提纯及含量的测定。薄层层析的原理:利用混合物中各组分在某一物质中的吸附或溶解性能(即分配)的不同,或其它亲和作用性能的差异,使混合物的溶液流经该物质时进行反复的吸附或分配等作用,从而将各组分分开。当温度、硅胶板、流动相等实验条件固定时,某化合物的比移值就是一个特定的常数,因此可做定性分析的依据,比移值Rf是表示色谱图上斑点位置的一个数值,它可用下式计算。有时鉴定也经常采用标准样品在同样条件下作对比实验。Rf=a/b式中:a—溶质的最高浓度中心至样点中心距离;b—溶剂的前沿至样点中心的距离。良好的分离,比移值应在0.15~0.75之间,否则应该调换展开剂重新展开。影响比移值的因素很多,如温度、展开剂等。因此它虽然是每个化合物的特性常数,但由于实验条件的改变而不易重复。所以在鉴定一个具体化合物时经常采用己知标准试样在同样条件下作对比实验。三、物理常数四、实验仪器与药品层析缸载玻片研钵药勺台秤500ml烧杯10ml量筒称量纸铅笔格尺羧甲基纤维素钠CMC硅胶GF254苏丹红苏丹黄偶氮苯三氯甲烷蒸馏水五、实验装置图层析缸三用紫外分析仪六、实验步骤1、薄层板的制备(1)准备薄层载玻片实验用薄层载玻片为7.5×2.5cm的载玻片,水洗,干燥。取用时应用手指接触载玻片的边缘,避免指印沾污载玻片的表面,否则吸附剂将难于铺在载玻片上。(2)制备4‰羧甲基纤维素钠(CMC)水溶液在1000ml中加入500ml蒸馏水,在搅拌下,加入2.0g羧甲基纤维素钠固体粉末,搅拌促使其溶解,放置1-2h,使其完全溶解,使用前用水泵减压过滤得CMC水溶液。制成的CMC水溶液要粘稠均匀,不得带CMC团块。(3)制备硅胶浆液先称取的3.0g硅胶GF254吸附剂加在研钵中,用10ml量筒取9.0mlCMC水溶液,慢慢地将大部分CMC水溶液倒入研钵中,边加边研磨搅拌,不断研磨搅拌使硅胶浆液变得粘稠为止,此时用研棒蘸取硅胶液可见粘丝状即可。一般1.0g硅胶需要4‰羧甲基纤维素钠(CMC)水溶液2-3ml。(4)制备薄层板用药匙取一定量,倒在载玻片上,均匀涂布成0.25~0.5mm厚度,轻轻振动玻璃板,使薄层面平整均匀,在水平位置放置,待薄层发白近干;薄层的厚度应厚度应均匀。否则,在展开时溶剂前沿不齐。(5)薄层板活化在室温下凉干(薄层板发白)后,放在烘箱中渐渐升温,105-110℃活化30min,取出稍冷放入干燥器中备用。2、点样用铅笔在距薄层板一端1cm处轻轻划一横线作为起始线,用内径小于1mm端口平整毛细管吸取样品轻轻点在起始线上,斑点直径不超过2mm。分别用毛细管吸取0.02ml苏丹红、偶氮苯的三氯甲烷溶液及苏丹红、苏丹黄与偶氮苯三者的混合溶液,分别点于原点上,以9:1正庚烷-乙酸乙酯为展开剂,待展开剂前沿离顶端约1cm附近时,将色谱板取出,用铅笔标记前沿到达的位置,记下原点至主斑点中心的距离,计算比移值(Rf)。七、实验数据记录与结果处理展开后(A:苏丹红B:苏丹黄C:混合样品)展开前八、思考题1、什么是Rf值?为什么可利用Rf值来鉴定化合物?答:样品中某成分在纸层析或薄层层析特定溶剂系统中移动的距离与流动相前沿的距离之比。化合物的吸附能力与它们的极性成正比,具有较大极性的化合物吸附较强,因此Rf值较小。在给定的条件下(吸附剂、展开剂、板层厚度等),化合物移动的距离和展开剂移动的距离之比是一定的,即Rf值是化合物的物理常数,其大小只与化合物本身的结构有关,因此可以根据Rf值鉴别化合物。2、在混合物薄层色谱实验中,如何判定各组分在薄层板上的位置?答:用薄层色谱时,通常会知道里面含有某种物质,这时候就可以在薄层上和样品平行点上这种纯物质的样,然后放进浸润液中让它走样,完成后取出来,和已知物质走样长度相同的就是混合物中的这种物质,如果混合物中含有3种物质,那么就应该点上2种纯物质的样。3、展开剂的高度若超过了点样线,对薄层色谱有何影响?答:展开剂若高于样品点,会使本就少量的样品溶于展开剂,难以随...

1、当您付费下载文档后,您只拥有了使用权限,并不意味着购买了版权,文档只能用于自身使用,不得用于其他商业用途(如 [转卖]进行直接盈利或[编辑后售卖]进行间接盈利)。
2、本站所有内容均由合作方或网友上传,本站不对文档的完整性、权威性及其观点立场正确性做任何保证或承诺!文档内容仅供研究参考,付费前请自行鉴别。
3、如文档内容存在违规,或者侵犯商业秘密、侵犯著作权等,请点击“违规举报”。

碎片内容

苏丹红、苏丹黄、偶氮苯的薄层层析

您可能关注的文档

确认删除?
VIP
微信客服
  • 扫码咨询
会员Q群
  • 会员专属群点击这里加入QQ群
客服邮箱
回到顶部