电脑桌面
添加小米粒文库到电脑桌面
安装后可以在桌面快捷访问

人教版物理九年级欧姆定律教学设计VIP免费

人教版物理九年级欧姆定律教学设计_第1页
1/8
人教版物理九年级欧姆定律教学设计_第2页
2/8
人教版物理九年级欧姆定律教学设计_第3页
3/8
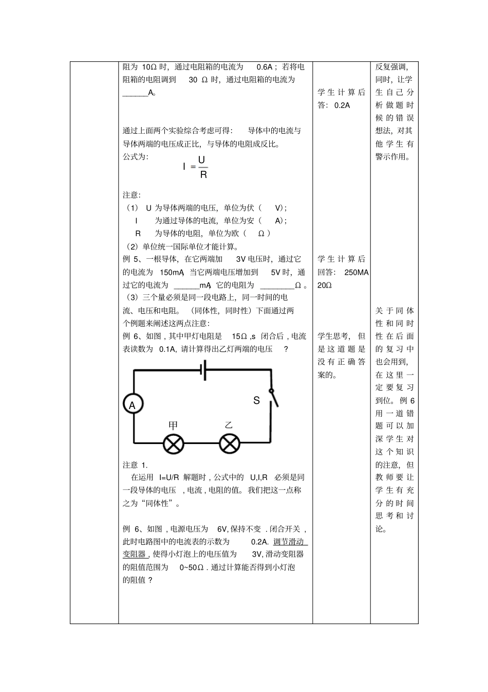
欧姆定律南京梅园中学金强[设计意图]欧姆定律是研究电路最重要的规律之一,也是是考重点考查的内容之一。课标对欧姆定律这部分的要求是:理解欧姆定律,会用电压表和电流表测电阻。分析近几年的中考试卷发现,中考中对学生的两个方面的能力考察明显增加。一个是对电路图的识别,这个也是学生在初三涉及电学知识时候感到最头疼的地方,教师要在平时的电学题目分析过程中慢慢的引导学生去正确的分析电路,所以在复习欧姆定律时候也不要忽视这一点;二是对欧姆定律的计算方面有所加强,并且出现了许多不同类型的题目,针对这一点,复习过程中要让学生熟悉各种类型的题目,了解各种类型题目的解题思路。[复习目标]1、电路中的电流、导体两端的电压或导体的电阻的关系。判断当导体两端的电压或通过导体中的电流改变时,导体电阻是否变化。2、应用欧姆定律,结合串、并联电路中电流、电压、电阻的特点,解决一些综合性问题。如:⑴计算电路中的电流、电压、电阻的大小⑵利用欧姆定律推导出的串联分压,并联分流来求电路中的比值大小问题;⑶分析当电路组成发生变化时,电流表、电压表示数的变化,或计算电流表、电压表示数变化范围;计算在不损坏电表的情况下,滑动变阻器连入电路的阻值范围等。3、实验能力:⑴应用控制变量法,探究电流与电压、电阻的关系,分析实验数据,归纳得出得出结论;⑵用电压表和电流表测电阻,会设计实验方案,记录实验数据,完成实验报告,根据要求选择合适的器材等;⑶分析实验过程中发生电路故障的原因;[复习重点和难点]重点:1、电流与电压、电阻的关系;2、利用欧姆定律的简单的计算;3、欧姆定律的应用,包括伏安法测电阻;串、并联的分压分流问题;动态电路的取值问题;电路故障的原因问题。难点:欧姆定律的应用[教具和学具]ppt课件[课前准备]要求学生在复习前对本章的内容有一个大概的认识,在课前务必要将课本精读一遍。并且要完成课前复习提纲。[教学过程]教学阶段与时间分配教师主导学生主体点评一、电流和电压、电阻教师讲述:从这节课开始,我们将开始复习欧姆定律知表1,可得结论:当导体的本结论要学生回答,的关系识,首先我们从引出欧姆定律的两个实验开始复习。1、欧姆定律的两个实验:例1:某同学在研究电流跟电压、电阻关系的实验中,得到了表1、表2实验数据。电压U(V)124电流I(A)0.10.20.4表1电阻R(Ω)51015电流I(A)0.60.30.2表2比较表1数据,可得什么结论?比较表2数据,可得什么结论?例2、在“研究电流与电阻的关系”的实验中,(1)为达到研究目的,实验必须保持______不变。(2)在实验中,电压表的示数为3V,电流表的示数为0.6A,现将阻值为5Ω的电阻换成10Ω的电阻接入电路来进行研究,则下一步应进行的操作是_____________________________。教师总结:在这两个实验中需要大家注意的是一下几点:1、两个实验都体现了初中物理研究问题的一种思想就是:控制变量法;2、实验中都要用到滑动变阻器,但是作用不一样,需要大家区别开来,在研究I-U的关系实验中滑动变阻器的作用是改变定值电阻两端的电压成倍数变化,在研究I-R的关系实验中它的作用是保证电阻两端的电压不变;3、在利用这个实验结论解题时,一定要记住电阻的大小只与电阻的长度、材料、横截面积以及温度有关,与它两端的电压和通过它的电流是没有关系的。例3、在某电阻两端加4V电压时,通过它的电流是0.2A,若要使通过它的电流为0.6A,应在这个电阻两端加______V的电压。例4、保持电阻箱两端的电压不变,当电阻箱的电电阻一定时,通过导体的电流与导体两端的电压成正比。表2,可得结论:当导体两端的电压一定时,通过导体的电流与导体本身的电阻成反比。实验必须保持电压不变移动滑片,使10Ω电阻两端电压仍为3V学生计算后答:12V可以找多位学生重复回答,加深印象对于第3点是一些学生容易忽视的地方,教师要在习题中阻为10Ω时,通过电阻箱的电流为0.6A;若将电阻箱的电阻调到30Ω时,通过电阻箱的电流为______A。通过上面两个实验综合考虑可得:导体中的电流与导体两端的电压成正比,与导体的电阻成反比。公式为:注意:(1)U为导体两端的电压,单位为...

1、当您付费下载文档后,您只拥有了使用权限,并不意味着购买了版权,文档只能用于自身使用,不得用于其他商业用途(如 [转卖]进行直接盈利或[编辑后售卖]进行间接盈利)。
2、本站所有内容均由合作方或网友上传,本站不对文档的完整性、权威性及其观点立场正确性做任何保证或承诺!文档内容仅供研究参考,付费前请自行鉴别。
3、如文档内容存在违规,或者侵犯商业秘密、侵犯著作权等,请点击“违规举报”。

碎片内容

人教版物理九年级欧姆定律教学设计

文库当当响+ 关注
实名认证
内容提供者

该用户很懒,什么也没介绍

确认删除?
VIP
微信客服
  • 扫码咨询
会员Q群
  • 会员专属群点击这里加入QQ群
客服邮箱
回到顶部