电脑桌面
添加小米粒文库到电脑桌面
安装后可以在桌面快捷访问

应急预案专家评审意见VIP免费

应急预案专家评审意见_第1页
1/7
应急预案专家评审意见_第2页
2/7
应急预案专家评审意见_第3页
3/7
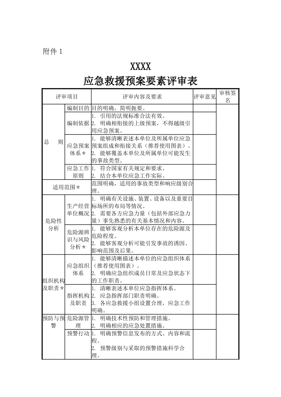
XXX生产安全事故应急预案专家评审意见2011年月日,由组织专家,对该公司编制的《应急救援预案》进行了评审。经与会专家认真审核,形成如下意见:该预案符合国家有关法律、法规、规章和标准,以及有关部门和上级单位规范性文件要求;具备《生产经营单位安全生产事故应急预案编制导则》(AQ/T9002-2006)所规定的各项要素;紧密结合本单位危险源辨识与风险分析;切合的工作实际,与生产安全事故应急处置能力相适应;组织体系、信息报送和处置方案等内容科学合理;应急响应程序和保障措施等内容切实可行;综合应急预案和现场处置方案形成体系,并与有关部门或单位应急预案相互衔接。经与会专家一致讨论决定,同意该预案上报安监部门备案。专家组签名:2010年月日附件:《要素评审表》附件1XXXX应急救援预案要素评审表评审项目评审内容及要求评审意见审核签名总则编制目的目的明确,简明扼要。编制依据1.引用的法规标准合法有效。2.明确相衔接的上级预案,不得越级引用应急预案。应急预案体系*1.能够清晰表述本单位及所属单位应急预案组成和衔接关系(推荐使用图表)。2.能够覆盖本单位及所属单位可能发生的事故类型。应急工作原则1.符合国家有关规定和要求。2.结合本单位应急工作实际。适用范围*范围明确,适用的事故类型和响应级别合理。危险性分析生产经营单位概况1.明确有关设施、装置、设备以及重要目标场所的布局等情况。2.需要各方应急力量(包括外部应急力量)事先熟悉的有关基本情况和内容。危险源辨识与风险分析*1.能够客观分析本单位存在的危险源及危险程度。2.能够客观分析可能引发事故的诱因、影响范围及后果。组织机构及职责*应急组织体系1.能够清晰描述本单位的应急组织体系(推荐使用图表)。2.明确应急组织成员日常及应急状态下的工作职责。指挥机构及职责1.清晰表述本单位应急指挥体系。2.应急指挥部门职责明确。3.各应急救援小组设置合理,应急工作明确。预防与预警危险源管理1.明确技术性预防和管理措施。2.明确相应的应急处置措施。预警行动1.明确预警信息发布的方式、内容和流程。2.预警级别与采取的预警措施科学合理。评审项目评审内容及要求评审意见审核签名信息报告与处置*1.明确本单位24小时应急值守电话。2.明确本单位内部信息报告的方式、要求与处置流程。3.明确事故信息上报的部门、通信方式和内容时限。4.明确向事故相关单位通告、报警的方式和内容。5.明确向有关单位发出请求支援的方式和内容。6.明确与外界新闻舆论信息沟通的责任人以及具体方式。应急响应响应分级*1.分级清晰,且与上级应急预案响应分级衔接。2.能够体现事故紧急和危害程度。3.明确紧急情况下应急响应决策的原则。响应程序*1.立足于控制事态发展,减少事故损失。2.明确救援过程中各专项应急功能的实施程序。3.明确扩大应急的基本条件及原则。4.能够辅以图表直观表述应急响应程序。应急结束1.明确应急救援行动结束的条件和相关后续事宜。2.明确发布应急终止命令的组织机构和程序。3.明确事故应急救援结束后负责工作总结部门。后期处置1.明确事故发生后,污染物处理、生产恢复、善后赔偿等内容。2.明确应急处置能力评估及应急预案的修订等要求。保障措施*1.明确相关单位或人员的通信方式,确保应急期间信息通畅。2.明确应急装备、设施和器材及其存放位置清单,以及保证其有效性的措施。3.明确各类应急资源,包括专业应急救援队伍、兼职应急队伍的组织机构以及联系方式。4.明确应急工作经费保障方案。培训与演练*1.明确本单位开展应急管理培训的计划和方式方法。2.如果应急预案涉及周边社区和居民,评审项目评审内容及要求评审意见审核签名应明确相应的应急宣传教育工作。3.明确应急演练的方式、频次、范围、内容、组织、评估、总结等内容。附则应急预案备案1.明确本预案应报备的有关部门(上级主管部门及地方政府有关部门)和有关抄送单位。2.符合国家关于预案备案的相关要求。制定与修订1.明确负责制定与解释应急预案的部门。2.明确应急预案修订的具体条件和时限。注:“*”代表应急预案的关键要素。Xxx公司专项应急预案要素评审表评审项目评审内容及要求评审意见审核签名事...

1、当您付费下载文档后,您只拥有了使用权限,并不意味着购买了版权,文档只能用于自身使用,不得用于其他商业用途(如 [转卖]进行直接盈利或[编辑后售卖]进行间接盈利)。
2、本站所有内容均由合作方或网友上传,本站不对文档的完整性、权威性及其观点立场正确性做任何保证或承诺!文档内容仅供研究参考,付费前请自行鉴别。
3、如文档内容存在违规,或者侵犯商业秘密、侵犯著作权等,请点击“违规举报”。

碎片内容

应急预案专家评审意见

状元书阁+ 关注
实名认证
内容提供者

爱好英语教学和互联网行业,热爱教育事业,兢兢业业

确认删除?
VIP
微信客服
  • 扫码咨询
会员Q群
  • 会员专属群点击这里加入QQ群
客服邮箱
回到顶部