电脑桌面
添加小米粒文库到电脑桌面
安装后可以在桌面快捷访问

人教版高中化学必修二随堂练习:化学能与热能练习题xVIP专享VIP免费

人教版高中化学必修二随堂练习:化学能与热能练习题x_第1页
1/4
人教版高中化学必修二随堂练习:化学能与热能练习题x_第2页
2/4
人教版高中化学必修二随堂练习:化学能与热能练习题x_第3页
3/4
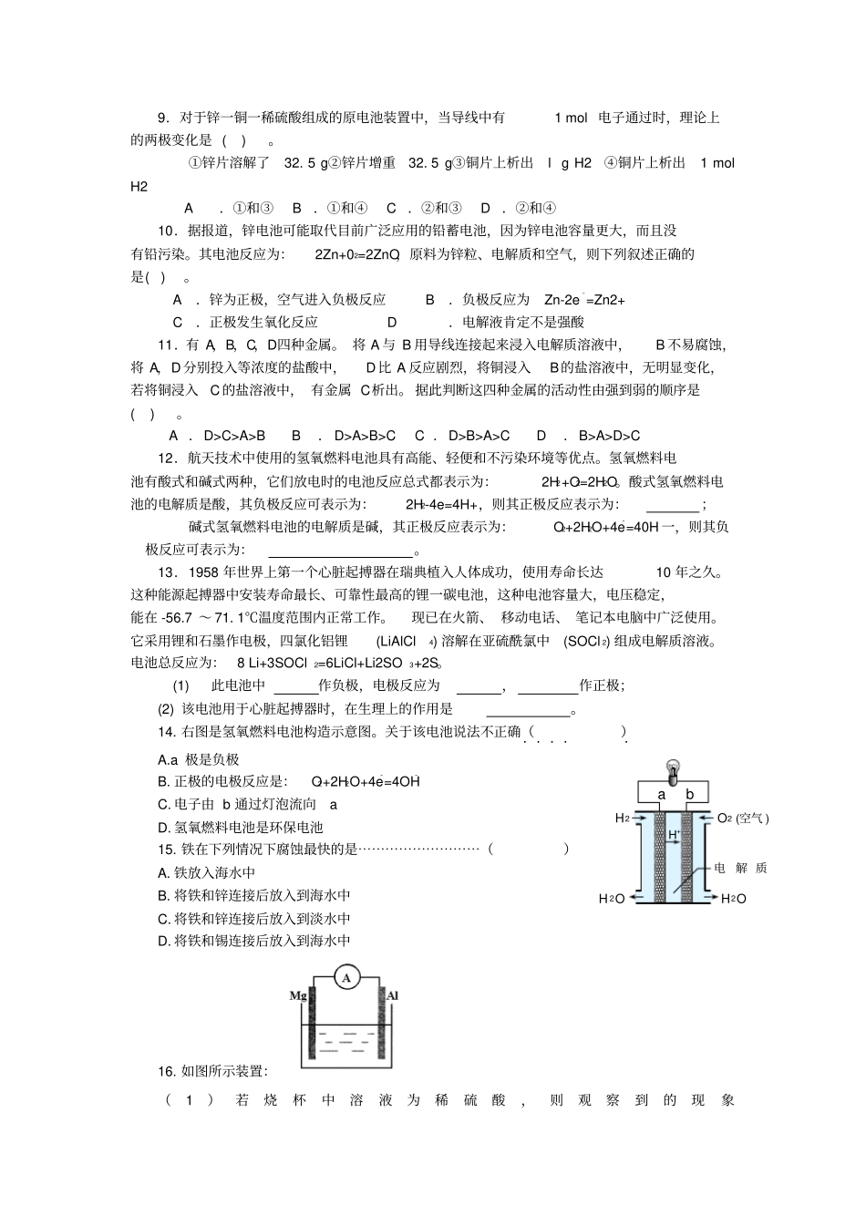
高中化学学习材料(灿若寒星**整理制作)第二节化学能与电能练习题1.废电池的污染引起人们的广泛重视,废电池中对环境形成污染的主要物质是()。A.锌B.汞C.石墨D.二氧化锰2.实验室中制取氢气,最好的方法是()。A.纯锌与稀硫酸反应B.纯锌与浓硫酸反应C.纯锌与稀盐酸反应D.粗锌(含铜、银)与稀硫酸反应3.某金属能和盐酸反应生成氢气,该金属与锌组成原电池时,锌为负极,该金属可能为A.铝B.铜C.锡D.硅4.将锌片和铜片用导线连接于同一稀硫酸溶液中。下列叙述正确的是()。A.正极附近硫酸根离子的浓度逐渐增大B.负极附近硫酸根离子的浓度逐渐增大C.正极、负极硫酸根离子的浓度基本不变D.正极附近硫酸根离子的浓度逐渐减少5.已知空气-锌电池的电极反应为:锌片:Zn+20H--2e-=ZnO+H20石墨:02+2H20+4e-=40H-根据此判断,锌片是()。A.负极,并被氧化B.负极,并被还原C.正极,并被氧化D.正极,并被还原6.一个原电池的总反应离子方程式是Zn+Cu2+=Zn2++Cu,该反应的原电池组成正确()。ABCD正极ZnAgCuCu负极CuCuZnZn电解质溶液CuCl2H2S04CuSO~FeCl27.表明金属甲的活动性比金属乙的活动性强的叙述正确的是()。A.在氧化还原反应中,甲失电子比乙失电子多B.甲比乙同价态的阳离子的氧化性强C.甲能与稀盐酸反应生成氢气而乙不能D.将甲与乙组成原电池时,甲为正极8.X,Y,Z都是金属,把X浸AZ的硝酸溶液中,X的表面有Z析出,X与Y组成原电池时,Y为负极。X,Y,Z三种金属的活动性顺序为()。A.X>Y>ZB.X>Z>YC.Y>X>ZD.Y>Z>X9.对于锌一铜一稀硫酸组成的原电池装置中,当导线中有1mol电子通过时,理论上的两极变化是()。①锌片溶解了32.5g②锌片增重32.5g③铜片上析出lgH2④铜片上析出1molH2A.①和③B.①和④C.②和③D.②和④10.据报道,锌电池可能取代目前广泛应用的铅蓄电池,因为锌电池容量更大,而且没有铅污染。其电池反应为:2Zn+02=2ZnO,原料为锌粒、电解质和空气,则下列叙述正确的是()。A.锌为正极,空气进入负极反应B.负极反应为Zn-2e-=Zn2+C.正极发生氧化反应D.电解液肯定不是强酸11.有A,B,C,D四种金属。将A与B用导线连接起来浸入电解质溶液中,B不易腐蚀,将A,D分别投入等浓度的盐酸中,D比A反应剧烈,将铜浸入B的盐溶液中,无明显变化,若将铜浸入C的盐溶液中,有金属C析出。据此判断这四种金属的活动性由强到弱的顺序是()。A.D>C>A>BB.D>A>B>CC.D>B>A>CD.B>A>D>C12.航天技术中使用的氢氧燃料电池具有高能、轻便和不污染环境等优点。氢氧燃料电池有酸式和碱式两种,它们放电时的电池反应总式都表示为:2H2+O2=2H2O。酸式氢氧燃料电池的电解质是酸,其负极反应可表示为:2H2-4e=4H+,则其正极反应表示为:;碱式氢氧燃料电池的电解质是碱,其正极反应表示为:O2+2H2O+4e-=40H一,则其负极反应可表示为:。13.1958年世界上第一个心脏起搏器在瑞典植入人体成功,使用寿命长达10年之久。这种能源起搏器中安装寿命最长、可靠性最高的锂一碳电池,这种电池容量大,电压稳定,能在-56.7~71.1℃温度范围内正常工作。现已在火箭、移动电话、笔记本电脑中广泛使用。它采用锂和石墨作电极,四氯化铝锂(LiAlCl4)溶解在亚硫酰氯中(SOCl2)组成电解质溶液。电池总反应为:8Li+3SOCl2=6LiCl+Li2SO3+2S。(1)此电池中作负极,电极反应为,作正极;(2)该电池用于心脏起搏器时,在生理上的作用是。14.右图是氢氧燃料电池构造示意图。关于该电池说法不正确(....).A.a极是负极B.正极的电极反应是:O2+2H2O+4e-=4OH-C.电子由b通过灯泡流向aD.氢氧燃料电池是环保电池15.铁在下列情况下腐蚀最快的是⋯⋯⋯⋯⋯⋯⋯⋯⋯()A.铁放入海水中B.将铁和锌连接后放入到海水中C.将铁和锌连接后放入到淡水中D.将铁和锡连接后放入到海水中16.如图所示装置:(1)若烧杯中溶液为稀硫酸,则观察到的现象H2H+H2OH2O电解质O2(空气)ab为。两极反应式为:正极;负极。该装置将能转化为能。(2)若烧杯中溶液为氢氧化钠溶液,则负极为,总反应方程为。17.利用Cu+2FeCl3=CuCl2+2FeCl2反应,设计一个原电池,写出电极反应式。18.有A、B两种金属分别与盐酸反应,产生氢气的...

1、当您付费下载文档后,您只拥有了使用权限,并不意味着购买了版权,文档只能用于自身使用,不得用于其他商业用途(如 [转卖]进行直接盈利或[编辑后售卖]进行间接盈利)。
2、本站所有内容均由合作方或网友上传,本站不对文档的完整性、权威性及其观点立场正确性做任何保证或承诺!文档内容仅供研究参考,付费前请自行鉴别。
3、如文档内容存在违规,或者侵犯商业秘密、侵犯著作权等,请点击“违规举报”。

碎片内容

人教版高中化学必修二随堂练习:化学能与热能练习题x

确认删除?
VIP
微信客服
  • 扫码咨询
会员Q群
  • 会员专属群点击这里加入QQ群
客服邮箱
回到顶部