电脑桌面
添加小米粒文库到电脑桌面
安装后可以在桌面快捷访问

设备内件安装方案VIP免费

设备内件安装方案_第1页
1/20
设备内件安装方案_第2页
2/20
设备内件安装方案_第3页
3/20
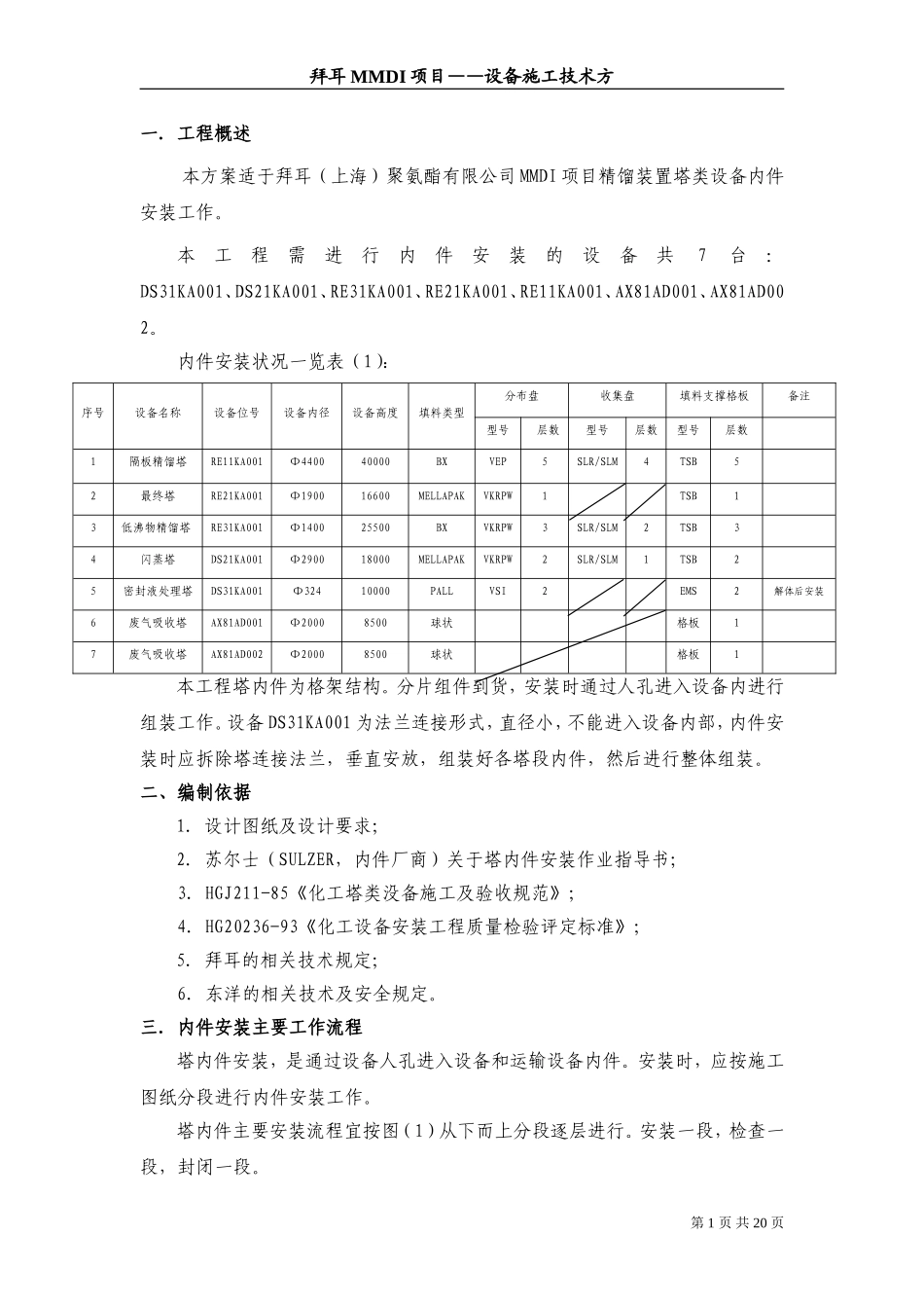
拜耳MMDI项目——设备施工技术方一.工程概述本方案适于拜耳(上海)聚氨酯有限公司MMDI项目精馏装置塔类设备内件安装工作。本工程需进行内件安装的设备共7台:DS31KA001、DS21KA001、RE31KA001、RE21KA001、RE11KA001、AX81AD001、AX81AD002。内件安装状况一览表(1):序号设备名称设备位号设备内径设备高度填料类型分布盘收集盘填料支撑格板备注型号层数型号层数型号层数1隔板精馏塔RE11KA001Φ440040000BXVEP5SLR/SLM4TSB52最终塔RE21KA001Φ190016600MELLAPAKVKRPW1TSB13低沸物精馏塔RE31KA001Φ140025500BXVKRPW3SLR/SLM2TSB34闪蒸塔DS21KA001Φ290018000MELLAPAKVKRPW2SLR/SLM1TSB25密封液处理塔DS31KA001Φ32410000PALLVSI2EMS2解体后安装6废气吸收塔AX81AD001Φ20008500球状格板17废气吸收塔AX81AD002Φ20008500球状格板1本工程塔内件为格架结构。分片组件到货,安装时通过人孔进入设备内进行组装工作。设备DS31KA001为法兰连接形式,直径小,不能进入设备内部,内件安装时应拆除塔连接法兰,垂直安放,组装好各塔段内件,然后进行整体组装。二、编制依据1.设计图纸及设计要求;2.苏尔士(SULZER,内件厂商)关于塔内件安装作业指导书;3.HGJ211-85《化工塔类没备施工及验收规范》;4.HG20236-93《化工设备安装工程质量检验评定标准》;5.拜耳的相关技术规定;6.东洋的相关技术及安全规定。三.内件安装主要工作流程塔内件安装,是通过设备人孔进入设备和运输设备内件。安装时,应按施工图纸分段进行内件安装工作。塔内件主要安装流程宜按图(1)从下而上分段逐层进行。安装一段,检查一段,封闭一段。第1页共20页拜耳MMDI项目——设备施工技术方各塔段内件组装次序安装应按图(2)自下而上分层进行,安装一层,清理一层,检查一层。四.主要施工方法1.对于设备DS31KA001(直径为324mm),内件安装时,首先拆除上塔段,安装下塔段内件,然后复位上塔段,按同样的施工方法安装上塔段。安装方法如下图(3)。2.对于设备RE11KA001、RE21KA001、RE31KA001、DS21KA001,内件运输和安装方法如图(4)。3.对于设备AX81AD001、AX81AD002,其内件较轻,安装位置离人孔较近,故而采取人工通过人孔位置运输。五.施工准备㈠.技术准备1.施工图纸及技术文件齐备。2.施工方案经审查、批准。3.组织具有丰富的施工经验及技术过硬的内件安装队伍。4.技术交底完成。㈡.施工机具准备根据本工程实际,拟订如下施工机具一览表(2):序号名称规格数量备注1葫芦0.5T4只2滑轮0.5T2只3吊车25T2台配备吊带4角向磨光机Φ1252台配备砂轮线盘5角向磨光机Φ1252台6直磨机Φ1002台7轴流风机Φ6002台配电缆8等离子切割机125A2台9行灯变压器12V2套配灯及电缆10扳手2套活动、梅花、套筒11榔头1.5P4只第2页共20页拜耳MMDI项目——设备施工技术方12中平锉L=2002把13小圆锉L=1502把14绳梯L=6米2副15电焊机400A2台临时措施制作16透明胶管φ1020米17抱钳L=5004把18线锤1.5P2只19直角尺L=3002支20盘尺20米2把㈢.临时措施制作1.垂直运输吊篮。为防止塔内件吊装时受到损坏,现场应制作吊篮2件,尺寸宜为2000(L)×1200(W)×1300(H),其承载重量不得低于0.5吨。2.根据塔内径,利用塔内支撑点制作内部吊装临时吊架横梁,承载重量不得低于0.5吨。3.利用塔内支撑点,在人孔处设置进出通道平台,并留出人上下操作通道。4.采用δ=30mm木板制作安装临时搭设的跳板、平台板,便于安装操作。㈣.安全措施安装及检查1.安装前,段上下人孔打开,并在下部人孔处安装轴流风机,进行强制通风。2.在上下人孔处设置操作平台及通道。3.塔内照明安全电压安装。4.消防设施摆放到位。㈤.塔内件到货验收检查1.随设备到货技术资料、合格证明书及安装说明书整理、审查。2.塔内件核查,所有尺寸必须符合设计要求。3.内件清点内容应包括规格型号、尺寸、数量、表面损伤、变形、锈蚀状况,以及包装状况。第3页共20页拜耳MMDI项目——设备施工技术方第4页共20页内件安装主要程序内件到货验收技术文件准备安装机具准备临时措施安装塔内安全措施核查塔操作平台安装检查底段塔盘安装底段塔盘检查底段人孔封闭上段...

1、当您付费下载文档后,您只拥有了使用权限,并不意味着购买了版权,文档只能用于自身使用,不得用于其他商业用途(如 [转卖]进行直接盈利或[编辑后售卖]进行间接盈利)。
2、本站所有内容均由合作方或网友上传,本站不对文档的完整性、权威性及其观点立场正确性做任何保证或承诺!文档内容仅供研究参考,付费前请自行鉴别。
3、如文档内容存在违规,或者侵犯商业秘密、侵犯著作权等,请点击“违规举报”。

碎片内容

设备内件安装方案

您可能关注的文档

确认删除?
VIP
微信客服
  • 扫码咨询
会员Q群
  • 会员专属群点击这里加入QQ群
客服邮箱
回到顶部