电脑桌面
添加小米粒文库到电脑桌面
安装后可以在桌面快捷访问

九年级物理上册 第十四章 欧姆定律单元测试(新版)苏科版试卷VIP免费

九年级物理上册 第十四章 欧姆定律单元测试(新版)苏科版试卷_第1页
1/5
九年级物理上册 第十四章 欧姆定律单元测试(新版)苏科版试卷_第2页
2/5
九年级物理上册 第十四章 欧姆定律单元测试(新版)苏科版试卷_第3页
3/5
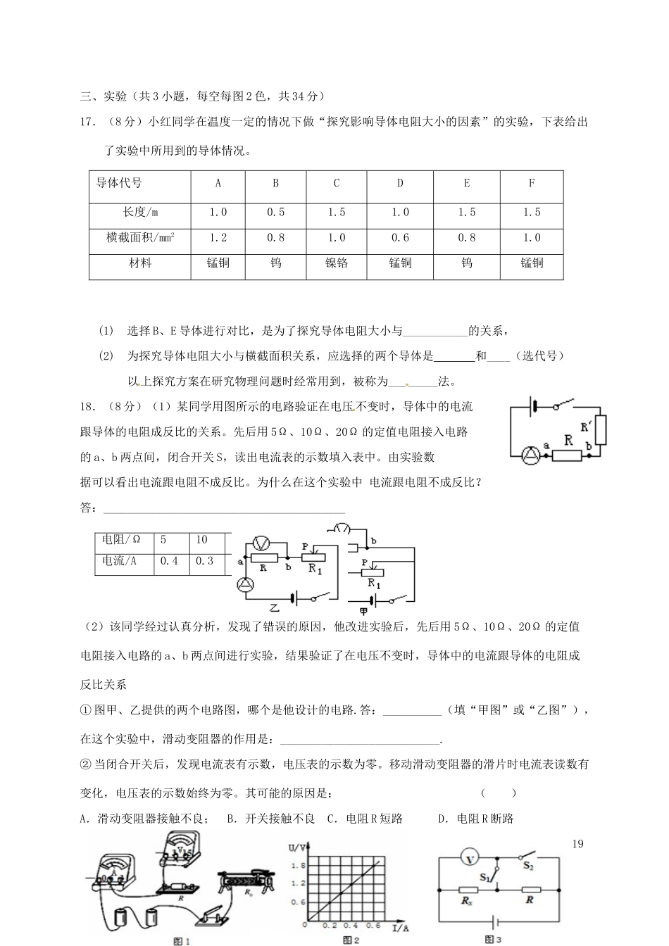
第十四章《欧姆定律》单元测试卷(试卷满分:90分测试时间:45分钟)一.选择题(共10小题,每小题2分,共20分)1.电路中的电流既看不见,也摸不着,但是它的许多特点和水流、车流类似。人们在研究认识电流时,多用水流来相比较,这种研究物理问题的方法叫做()A.控制变量法B.模型法C.类比法D.归纳法2.下面说法正确的是()A.电路断开后,电路中的电流为零,因此电源电压也为零B.电路两端只要有电压,电路中就一定有电流C.电压表有一定的量程,使用时选择的量程越大越好D.在并联电路中,不论灯泡是大是小,每个灯泡两端的电压都相等3.将两个不同型号的灯泡串联在电路中,发现两灯的亮度不同,甲灯比乙灯亮,则下列说法正确的是()A.两灯中的电流不相等,甲灯中电流大于乙灯中电流B.两灯中的电流不相等,乙灯中电流大于甲灯中电流C.两灯中的电流相等D.无法判断两灯中电流的大小4.在如图所示的电路中,电池的电压为12V,滑动变阻器R的最大阻值是50Ω,电阻R1的阻值为10Ω.当变阻器的p端从a端滑向b端时,电流表的变化范围是()A.0.24A~0.2AB.0.2A~0.24AC.0.2A~1.2AD.1.2A~0.2A5.在“伏安法测电阻”的实验中,滑动变阻器不能起到的作用是()A.改变电路中的电流B.改变被测电阻的阻值C.改变被测电阻两端的电压D.保护电路6.小宁的探究小组在练习使用电压表时,军军把电压表接成了如图所示的电路.当闭合开关时所发生的现象是()A.灯泡亮、电压表有示数B.灯泡亮、电压表无示数C.灯泡不亮、电压表有示数D.灯泡不亮、电压表无示数7.如图所示,电源电压为6V,当开关S闭合后,只有一只灯炮发光,且电压表的示数为6V,产生SARPR1ab这一现象的原因可能是()A.灯L1处短路B.灯L2处短路C.灯L1处断路D.灯L2处断路8.教室里装有多盏电灯,每多开一盏灯,则教室内电路的()A.总电流增大B.总电压增大C.总功率变小D.总电压、总电流都不变9.研究并发现通过导体的电流与它两端电压之间的关系,是具有里程碑意义的电学发现,做出这一贡献的科学家是()A.安培B.伏特C.欧姆D.牛顿10.关于导体的电阻,下面说法正确的是()A.加在导体两端的电压越大,导体的电阻越大B.通过导体的电流为零,导体没有电阻C.通过导体的电流越大,导体的电阻越小D.电阻是导体本身的一种性质二、填空题(共6小题,每空2分,共22分)11.一个导体两端加4V电压时,通过它的电流强度为0.8A,则该导体的电阻为,当把它两端电压变为6V时,通过它的电流为___________,它的电阻为_________。当它两端的电压为0V时,流过它的电流为__________,它的电阻为_________。12.一盏灯电阻为12Ω,正常工作时电流为0.5A,若把它接在8V的电源上,还需要再_________联一个_________Ω的电阻。13.在家庭电路中不能用湿手触摸开关,因为在潮湿的情况下,人体的电阻会变小,在电压一定的情况下,通过人体的电流会(填“变大”“变小”或“不变”)。这样就会很容易触电,对人体造成伤害。14.灯泡灯丝断了以后再搭上,电阻__________(选填“变大”“变小”或“不变”),接入原电路后将变亮。15.导体串联后相当于增加了导体的长度,因此导体串联后总电阻。(两空均选填“变大”“变小”或“不变”)16.把两种不同的金属片插入柠檬,制成“水果电池”。用电压表测量水果电池的电压,如图所示,则该水果电池的金属片为正极。三、实验(共3小题,每空每图2色,共34分)17.(8分)小红同学在温度一定的情况下做“探究影响导体电阻大小的因素”的实验,下表给出了实验中所用到的导体情况。(1)选择B、E导体进行对比,是为了探究导体电阻大小与___________的关系,(2)为探究导体电阻大小与横截面积关系,应选择的两个导体是和____(选代号)以上探究方案在研究物理问题时经常用到,被称为________法。18.(8分)(1)某同学用图所示的电路验证在电压不变时,导体中的电流跟导体的电阻成反比的关系。先后用5Ω、10Ω、20Ω的定值电阻接入电路的a、b两点间,闭合开关S,读出电流表的示数填入表中。由实验数据可以看出电流跟电阻不成反比。为什么在这个实验中电流跟电阻不成反比?答:____________________________________...

1、当您付费下载文档后,您只拥有了使用权限,并不意味着购买了版权,文档只能用于自身使用,不得用于其他商业用途(如 [转卖]进行直接盈利或[编辑后售卖]进行间接盈利)。
2、本站所有内容均由合作方或网友上传,本站不对文档的完整性、权威性及其观点立场正确性做任何保证或承诺!文档内容仅供研究参考,付费前请自行鉴别。
3、如文档内容存在违规,或者侵犯商业秘密、侵犯著作权等,请点击“违规举报”。

碎片内容

九年级物理上册 第十四章 欧姆定律单元测试(新版)苏科版试卷

确认删除?
VIP
微信客服
  • 扫码咨询
会员Q群
  • 会员专属群点击这里加入QQ群
客服邮箱
回到顶部