电脑桌面
添加小米粒文库到电脑桌面
安装后可以在桌面快捷访问

优选LEER采购管理模块操作手册VIP免费

优选LEER采购管理模块操作手册_第1页
1/19
优选LEER采购管理模块操作手册_第2页
2/19
优选LEER采购管理模块操作手册_第3页
3/19
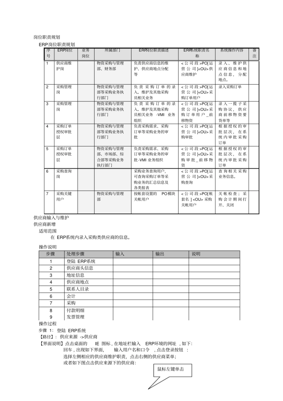
AIMTR.010UserManual用户手册中国联通ERP核心系统工程《物流管理之采购用户手册》文档作者:顾问组创建日期:2010-4-26更新日期:2010-7-20目录岗位职责规划ERP岗位职责规划序号ERP岗位业务岗位所属部门ERP岗位职责描述ERP系统职责名称系统操作内容备注1供应商维护岗物资采购与管理部、财务部负责供应商信息的维护、供应商地点分配等<公司段>PO[运营公司]供应商维护录入、维护供应商信息和地点信息,分配地点。2采购管理岗物资采购与管理部等采购业务执行部门负责采购订单的录入、维护及其他采购员相关业务<公司段>PO[运营公司]采购订单用户录入采购订单3采购管理岗物资采购与管理部等采购业务执行部门负责采购订单的录入、维护及其他采购员相关业务-VMI业务组织<公司段>PO[运营公司]采购订单用户_前移物资录入一揽子采购协议,供应商前移物资要货单等4采购订单授权审批层物资采购与管理部等采购业务执行部门负责采购需求、采购订单等采购业务的审批<公司段>PO[运营公司]采购审批根据授权的审批层次,在系统内审批采购订单5采购订单授权审批层物资采购与管理部、市场部、综合部等采购业务执行部门负责采购需求、采购订单等采购业务的审批-VMI业务组织<公司段>PO[运营公司]采购审批_前移物资根据授权的审批层次,在系统内审批采购订单6采购查询岗采购业务查询用户,可查询采购订单等采购业务的汇总信息及各类报表<公司段>PO[运营公司]采购查询查询相关采购业务信息。7采购关键用户物资采购与管理部按帐套设置的PO模块关帐用户<公司段>PO[帐套名]采购关帐用户关帐检查;采购会计期间打开、关闭供应商输入与维护供应商新增适用范围在ERP系统内录入采购类供应商的信息。操作说明步骤处理步骤输入输出说明1登陆ERP系统2供应商头信息3地址信息4供应商地点5联系人目录6会计7采购8付款明细9发票管理操作过程步骤1:登陆ERP系统【路径】:供应来源->供应商【界面说明】点击桌面的IE图标,在地址栏输入ERP环境的网址,如下:回车,出现如下界面,输入用户名和口令,点击登录按钮:选择左侧相应的供应商维护职责,点击右侧的供应商菜单;或者如下图点击供应来源下的供应商:鼠标左键单击步骤2:供应商头信息【路径】:供应来源->供应商【界面说明】打开供应商搜索界面,输入供应商名称或者供应商编号、纳税人标识、纳税登记编号等条件,点击“查找”按钮。【界面说明】点击供应商界面左侧的“组织”页签,录入供应商别名(一揽子采购协议中用到的供应商,“供应商别名”不能为空),点击“保存”按钮,如下图:鼠标左键双击查找按钮步骤3:地址信息【路径】:供应来源->供应商【界面说明】点击供应商界面左边的“地址薄”页签,进入供应商地址薄界面,如果此界面没有地址信息,点击“创建”按钮:进入地址详细信息界面,输入地址名称、国家、地址行1、省、城市、是否关联交易方等信息;在地址用途选择用于采购及付款;地址层不分OU;点击“继续“按钮,维护供应商地点信息。步骤4:供应商地点【路径】:供应来源->供应商创建按钮继续按钮保存按钮【界面说明】在地址详细信息界面点击“继续”按钮进入地点信息维护界面:选定“设备物料-非工程”地点前的复选框,以新建本OU的地点;地点名称自动默认为地址名称,可修改为需要的名称,如:工程劳务、通信终端等。点击”应用”按钮保存地点信息。注意:前移物资地点一定要在VMIOU下维护。如果该供应商已有地址信息,点击地址行的“显示隐藏按钮”,查看使用此地址的地点信息。如需要新增地点,直接点击地址行的“管理地点”按钮。步骤5:联系人目录【路径】:供应来源->供应商【界面说明】联系人目录页签为可选项,可不维护。点击供应商界面左边的“联系人目录”页签,打开“联系人目录”界面,点击“创建“按钮:应用按钮显示隐藏按钮管理地点按钮创建按钮修改地点名称输入该供应商联系人信息:并通过“添加另一行”按钮维护联系人地址信息。点击“快速选择”按钮,添加供应商地址:点击“应用”按钮,保存信息。步骤6:会计【路径】:供应来源->供应商【界面说明】点击供应商界面左边的“会计”页签。根据财务部门要求维...

1、当您付费下载文档后,您只拥有了使用权限,并不意味着购买了版权,文档只能用于自身使用,不得用于其他商业用途(如 [转卖]进行直接盈利或[编辑后售卖]进行间接盈利)。
2、本站所有内容均由合作方或网友上传,本站不对文档的完整性、权威性及其观点立场正确性做任何保证或承诺!文档内容仅供研究参考,付费前请自行鉴别。
3、如文档内容存在违规,或者侵犯商业秘密、侵犯著作权等,请点击“违规举报”。

碎片内容

优选LEER采购管理模块操作手册

文库响当当+ 关注
实名认证
内容提供者

该用户很懒,什么也没介绍

确认删除?
VIP
微信客服
  • 扫码咨询
会员Q群
  • 会员专属群点击这里加入QQ群
客服邮箱
回到顶部