电脑桌面
添加小米粒文库到电脑桌面
安装后可以在桌面快捷访问

光纤光缆特性标准VIP免费

光纤光缆特性标准_第1页
1/10
光纤光缆特性标准_第2页
2/10
光纤光缆特性标准_第3页
3/10
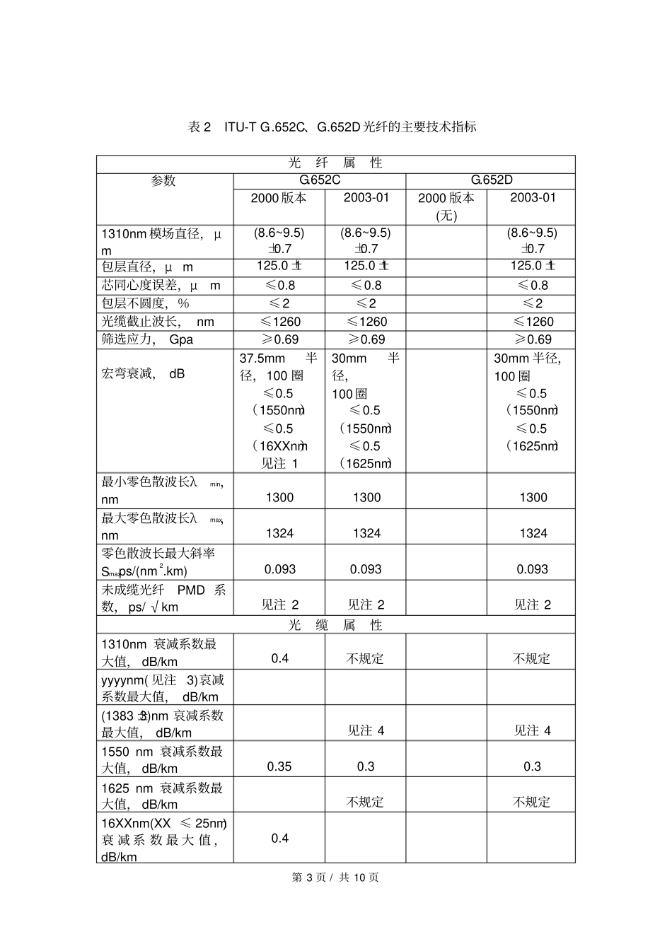
第1页/共10页ITU-T光纤和光缆特性标准研究新进展国际电信联盟ITU-TSG15(第十五研究组)于2000年颁布了光纤标准最新版本后,在2001-2004年研究期的前几次会议上,又继续对G.650(2000)《单模光纤相关参数的定义和试验方法》、G.652(2000)《单模光纤光缆特性》、G.653(2000)《色散位移单模光纤光缆特性》、G.654(2000)《截止波长位移型单模光纤光缆特性》、G.655(2000)《非零色散位移单模光纤光缆特性》等建议提出修订文稿,2003年1月20日至31日在日内瓦召开的会议上,通过了G.652和G.655的修订文稿,G.650、G.653、G.654修订文稿将在今年10月和2004年5月通过。此外,该研究组又起草了一个新建议G.656《宽带光传输用非零色散单模光纤和光缆特性》(Characteristicsofafibreandcablewithnon-zerodispersionforwidebandopticaltransport),该建议将在今年10月通过。本文主要介绍ITU-T光纤光缆特性建议最新研究进展情况,重点介绍G.652和G.655的修订内容。一、ITU-T建议G.652(2003-01)1、G.652光纤的类别G.652类型光纤由2000年版本的三个类别进一步分为了G.652AG.652B、G.652C、G.652D四个类别,增加了G.652D。主要根据光纤支持的应用对PMD的要求和1383nm衰减的要求区分。G.652A光纤主要支持ITU-TG.957规定的SDH传输系统、G.691规定的带光放大的单通道直到STM-16的SDH传输系统,和对于G.693应用的直到40km的10Gbit/s以太网系统及STM-256。G.652B光纤主要支持更高速率例如在G.691和G.692传输系统中直到STM-64应用,在G.693和G.959.1中对于STM-256的某些应用。G.652C光纤(即波长段扩展的非色散位移单模光纤,又称为低水峰光纤)的属性与G.652A的属性是类似的,除了允许使用在1360nm-1530nm扩展波长范围外。G.652D光纤的属性与G.652B的属性是类似的,除了允许使用在1360nm-1530nm扩展波长范围外。2、光纤的主要技术指标G.652A、G.652B、G.652C、G.652D四个类别光纤的主要技术指标如表1、表2所列。为了便于与2000年版本的比较,表中同时给出了2000版本的主要技术指标。表1ITU-TG.652A、G.652B光纤和光缆的主要技术指标光纤属性属性G.652AG.652B2000版本2003-01修改2000版本2003-01修改1310nm模场直径,μm(8.6~9.5)±0.7(8.6~9.5)±0.7(8.6~9.5)±0.7(8.6~9.5)±0.7第2页/共10页包层直径,μm125.0±1125.0±1125.0±1125.0±1芯同心度误差,μm≤0.8≤0.8≤0.8≤0.8包层不圆度,%≤2≤2≤2≤2光缆截止波长,nm≤1260≤1260≤1260≤1260筛选应力,Gpa≥0.69≥0.69≥0.69≥0.69宏弯衰减,dB37.5mm半径,100圈≤0.5(1550nm)30mm半径,100圈≤0.5(1550nm)37.5mm半径,100圈≤0.5(1550nm)≤0.5(16XXnm)见注130mm半径,100圈≤0.5(1550nm)≤0.5(1625nm)最小零色散波长λmin,nm1300130013001300最大零色散波长λmax,nm1324132413241324零色散波长最大斜率Smaxps/(nm2.km)0.0930.0930.0930.093未成缆光纤PMD系数,ps/√km不规定见注2见注2见注2光缆属性1310nm衰减系数最大值,dB/km0.50.50.40.41550nm衰减系数最大值,dB/km0.40.40.350.351625nm衰减系数最大值,dB/km不要求0.416XXnm(XX≤25nm)衰减系数最大值,dB/km不要求0.4PMD系数光缆段数M202020概率Q,%0.010.010.01PMD系数链路设计最大值PMDQ,ps/√km不规定0.50.50.2注1:2000版本,波长16XXnm为待定值。2003将波长16XXnm确定为1625nm。注2:对于特定光缆结构设计如果已经证明,未成缆光纤最大PMD系数某一数值能够满足链路设计最大值PMDQ的要求,光缆制造者则可规定未成缆光纤最大PMD系数值。第3页/共10页表2ITU-TG.652C、G.652D光纤的主要技术指标光纤属性参数G.652CG.652D2000版本2003-012000版本(无)2003-011310nm模场直径,μm(8.6~9.5)±0.7(8.6~9.5)±0.7(8.6~9.5)±0.7包层直径,μm125.0±1125.0±1125.0±1芯同心度误差,μm≤0.8≤0.8≤0.8包层不圆度,%≤2≤2≤2光缆截止波长,nm≤1260≤1260≤1260筛选应力,Gpa≥0.69≥0.69≥0.69宏弯衰减,dB37.5mm半径,100圈≤0.5(1550nm)≤0.5(16XXnm)见注130mm半径,100圈≤0.5(1550nm)≤0.5(1625nm)30mm半径,100圈≤0.5(1550nm)≤0.5(1625nm)最小零色散...

1、当您付费下载文档后,您只拥有了使用权限,并不意味着购买了版权,文档只能用于自身使用,不得用于其他商业用途(如 [转卖]进行直接盈利或[编辑后售卖]进行间接盈利)。
2、本站所有内容均由合作方或网友上传,本站不对文档的完整性、权威性及其观点立场正确性做任何保证或承诺!文档内容仅供研究参考,付费前请自行鉴别。
3、如文档内容存在违规,或者侵犯商业秘密、侵犯著作权等,请点击“违规举报”。

碎片内容

光纤光缆特性标准

确认删除?
VIP
微信客服
  • 扫码咨询
会员Q群
  • 会员专属群点击这里加入QQ群
客服邮箱
回到顶部