电脑桌面
添加小米粒文库到电脑桌面
安装后可以在桌面快捷访问

课程名称电气CADVIP专享VIP免费

课程名称电气CAD_第1页
1/5
课程名称电气CAD_第2页
2/5
课程名称电气CAD_第3页
3/5
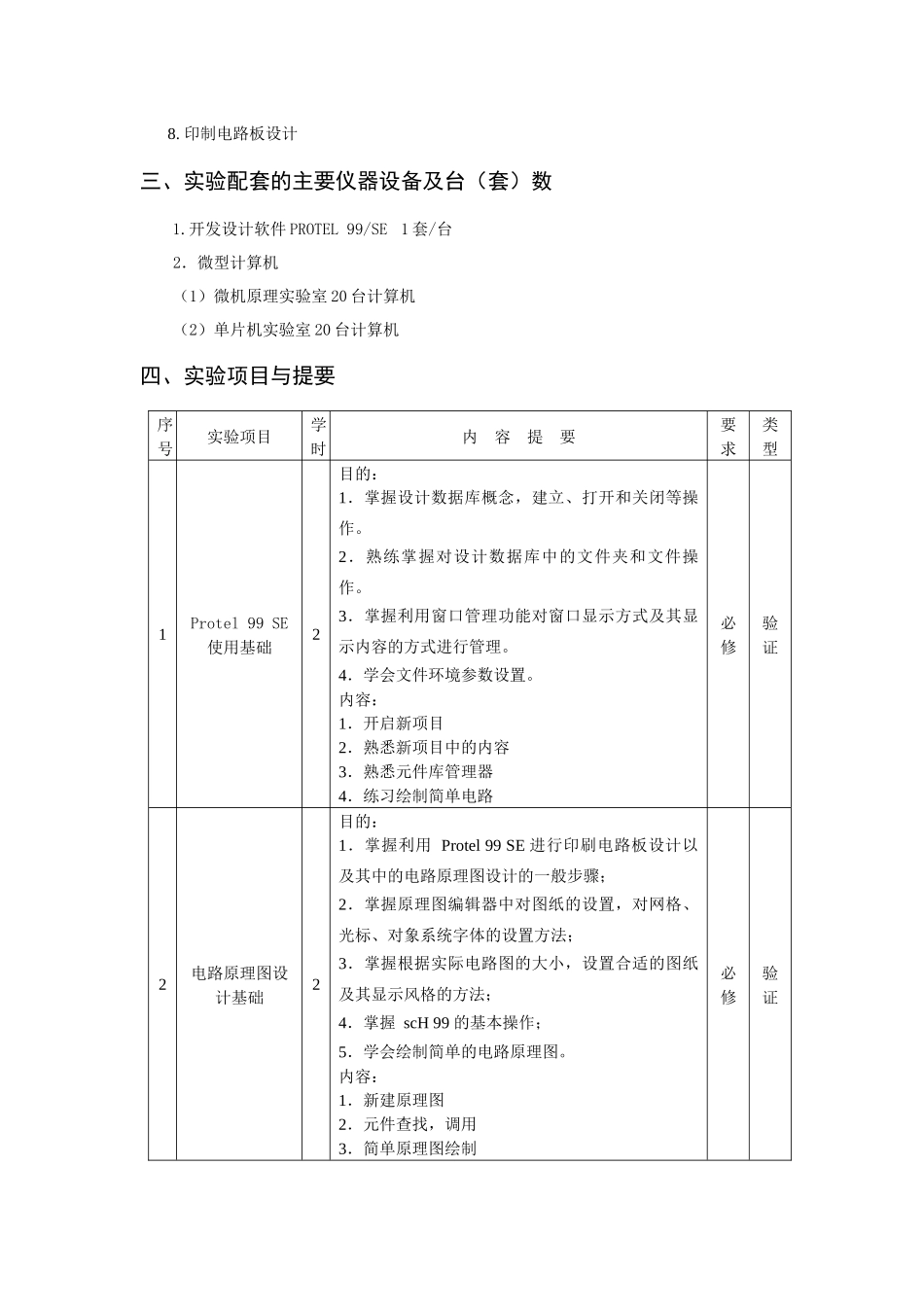
编号:124240课程名称:电气CAD一、实验的地位、作用和目的本实验课程的目的是使学生掌握一门计算机操作技能,并为以后课程设计和毕业设计进行电路板设计打好基础。本实验课程与专业知识联系紧密。通过实验,学生应具备以下能力:1.能熟练应用PROTEL99se绘制原理图。2.能通过原理图设计生成印刷板图。3.能利用所学知识进行电路综合设计。二、课程内容提要本课程内容包括:1.PROTEL99界面认识。2.PROTEL99基本操作。3.绘制原理图的练习。4.非电气图件的练习。5.层次式电路的设计。6.元件制作与网络表的认识。7.印刷电路板的设计流程。8.通过实例练习印刷电路板的生成。本课程实验内容包括:1.Protel99SE使用基础2.电路原理图设计基础3.电路原理图设计4.原理图元件制作5.层次电路图设计6.PCB设计初步7.PCB元件封装制作8.印制电路板设计三、实验配套的主要仪器设备及台(套)数1.开发设计软件PROTEL99/SE1套/台2.微型计算机(1)微机原理实验室20台计算机(2)单片机实验室20台计算机四、实验项目与提要序号实验项目学时内容提要要求类型1Protel99SE使用基础2目的:1.掌握设计数据库概念,建立、打开和关闭等操作。2.熟练掌握对设计数据库中的文件夹和文件操作。3.掌握利用窗口管理功能对窗口显示方式及其显示内容的方式进行管理。4.学会文件环境参数设置。内容:1.开启新项目2.熟悉新项目中的内容3.熟悉元件库管理器4.练习绘制简单电路必修验证2电路原理图设计基础2目的:1.掌握利用Protel99SE进行印刷电路板设计以及其中的电路原理图设计的一般步骤;2.掌握原理图编辑器中对图纸的设置,对网格、光标、对象系统字体的设置方法;3.掌握根据实际电路图的大小,设置合适的图纸及其显示风格的方法;4.掌握scH99的基本操作;5.学会绘制简单的电路原理图。内容:1.新建原理图2.元件查找,调用3.简单原理图绘制必修验证3电路原理图设计2目的:1.掌握原理图编辑器中电气意义对象的放置方法。2.掌握原理图编辑器中电气意义对象的编辑方法。3.掌握利用设计管理器浏览、管理、编辑原理图的方法。4.掌握对原理图的ERC电气法则检测。5.掌握绘制原理图的基本方法,能绘制比较简单的原理图。内容:1.阵列式粘贴、总线、I/O端口设置、图纸设置2.练习原理图绘制必修设计4原理图元件制作2目的:1.继续绘制原理图的基本操作。2.要求熟练使用绘图工具条各按钮操作。3.掌握整体编辑功能。4.掌握自动元件排序功能。内容:1.整体编辑功能2.元件自动排序功能3.原理图绘制必修验证5层次电路图设计2目的:1.继续绘制原理图的基本操作。2.掌握电路方框图的画法。3.掌握电路方框图I/O端口的含义。4.了解层次式电路图设计的概念。内容:1.电路方框图的练习2.原理图的绘制必修验证6PCB设计初步2目的:1.认识元件与元件编辑环境。2.学会制作简单的元器件。3.了解元件检查与元件数据表。4.ERC检查命令的操作。5.掌握网络表的格式、生成与修改。内容:1.元件制作2.网络表的认识3.ERC命令的操作4.编辑元件图必修验证7PCB元件封装2目的:必综制作1.掌握印刷电路板的布线流程和操作步骤。2.了解参数的设置方法。3.掌握使用网络表文件装入元件的方法。4.掌握元件的布局操作。5.掌握自动布线的操作。内容:1.认识电路板管理器2.布线流程和操作步骤3.制作简单的电路板修合8印制电路板设计2目的:1.掌握印刷电路板的布线流程和操作步骤。2.熟悉参数的设置方法。3.学会使用同步器装入元件的方法。4.掌握PLACEMENTTOOLS放置工具栏各按钮功能。内容:1.板层和栅格设置2.画图环境设置3.自动布局规则设置4.制作简单的电路板必修五、说明授课对象本科课程性质专业任选课程学时数32实验学时数16课程英文名称ElectronicComputerAidedDesign适用专业1.测控技术与仪器2.电气工程及其自动化3.电子信息工程主要教材及参考书1精英科技.电路设计完全手册.中国电力出版社,2000.32老虎工作室.电路设计与制板.人民邮电出版社,2002.103夏路易,石宗义.电路原理图与电路板设计教程PROTEL99SE.北京希望电子出版社,2001.5说明六、本大纲修订情况版次执行时间执笔审核批准12003级陈良海张宇林张宇林22004级陈良海张宇林张宇林34

1、当您付费下载文档后,您只拥有了使用权限,并不意味着购买了版权,文档只能用于自身使用,不得用于其他商业用途(如 [转卖]进行直接盈利或[编辑后售卖]进行间接盈利)。
2、本站所有内容均由合作方或网友上传,本站不对文档的完整性、权威性及其观点立场正确性做任何保证或承诺!文档内容仅供研究参考,付费前请自行鉴别。
3、如文档内容存在违规,或者侵犯商业秘密、侵犯著作权等,请点击“违规举报”。

碎片内容

课程名称电气CAD

确认删除?
VIP
微信客服
  • 扫码咨询
会员Q群
  • 会员专属群点击这里加入QQ群
客服邮箱
回到顶部