电脑桌面
添加小米粒文库到电脑桌面
安装后可以在桌面快捷访问

0050某住宅小区6号楼钢筋工程施工方案(DOC48页)VIP免费

0050某住宅小区6号楼钢筋工程施工方案(DOC48页)_第1页
1/41
0050某住宅小区6号楼钢筋工程施工方案(DOC48页)_第2页
2/41
0050某住宅小区6号楼钢筋工程施工方案(DOC48页)_第3页
3/41
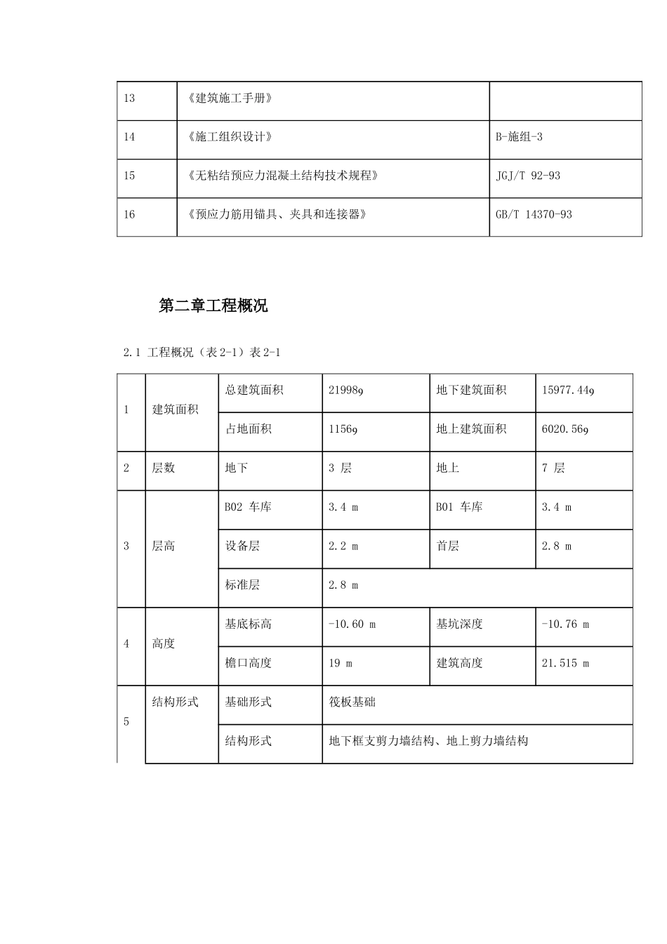
目录第一章编制依据................................................................2第二章工程概况................................................................3第三章施工安排................................................................9第四章施工准备...............................................................11第五章施工方法...............................................................14第六章安全与文明的施工.......................................................45第一章编制依据编制依据详见表1-1表1-1序号名称编号1《混凝土结构工程施工及验收规范》GB50204-922《钢筋焊接验收规范》JGJ18-963《钢筋机械连接通用技术规程》JGJ107-964《建筑物抗震构造详图》97G329(一)5《钢筋混凝土用热扎带肋钢筋》GB1499-986《钢筋混凝土用热扎光圆钢筋》GB13013-917《低碳钢热扎圆盘条》GB/T701-978《建筑机械使用安全技术规范》JGJ33-869《建筑现场临时用电安全技术规范》JGJ46-8810《建筑工程质量检验评定标准》GBJ301-8811《混凝土结构施工图平面整体表示方法制图规则和构造详图》00G10112《北京市建筑工程施工现场安全管理标准》13《建筑施工手册》14《施工组织设计》B-施组-315《无粘结预应力混凝土结构技术规程》JGJ/T92-9316《预应力筋用锚具、夹具和连接器》GB/T14370-93第二章工程概况2.1工程概况(表2-1)表2-11建筑面积总建筑面积21998地下建筑面积15977.44占地面积1156地上建筑面积6020.562层数地下3层地上7层3层高B02车库3.4mB01车库3.4m设备层2.2m首层2.8m标准层2.8m4高度基底标高-10.60m基坑深度-10.76m檐口高度19m建筑高度21.515m5结构形式基础形式筏板基础结构形式地下框支剪力墙结构、地上剪力墙结构6地下防水结构自防水底板、外墙、消防水池、外露顶板,在混凝土中掺加FS防水剂,形成自防水混凝土材料防水在底板下皮及外墙外侧采用LYX-603防水卷材构造防水2:8灰土7结构断面尺寸(mm)底板厚度550基础梁高度950地下外墙厚度350地下内墙厚度300地上外墙厚度180地上内墙厚度160柱断面500×700、500×500、340×700、450×500梁断面400×650、400×500、300×650、400×1180车库楼板厚度150车库顶板厚度350地上楼板厚度80、100、1108转换及置转换位置主体四周结构形式转换深梁9钢筋类别一级钢φ6,φ8,φ10,φ18二级钢φ12,φ14,φ16,φ18,φ20,φ22,φ25。预应力筋φj15fptk=1840直径15.24mm10碱骨料反应结构混凝土为Ⅱ工程,使用C种碱性骨料,碱含量不得超过3kg/m311施工缝地下按后浇带自然分开,地上设于单元交接处位置12钢筋连接形式气压焊基础梁,框架梁主筋(≥Φ20)电渣压力焊≥Φ18竖向钢筋13抗震等级工程设防烈度8度,近震框架抗震等级II级其他剪力墙抗震等级III级2.2钢筋工程概况2.2.1墙体钢筋:(双层双向)(表2-2)表2-2墙体部位竖向分布筋水平分布筋墙体S拉筋梅花形布置外墙内墙外墙内墙7层φ10@200φ10@200φ8@150φ8@200φ6@5001~6层φ10@200φ10@200φ8@150φ8@200φ6@600(1层为φ6@500)地下夹层φ12@100φ10@200φ12@100φ10@200φ6@600地下一层φ14@150φ12@200φ14@150φ12@200φ6@600地下二层φ16@150φ12@200φ16@150φ12@200φ6@600楼梯电梯间φ10@200(地上)φ10@100(地下)φ10@100φ6@6002.2.2暗柱、端柱配筋主筋φ18、φ20、φ25;箍筋:φ10@100、φ10@150、φ10@200。2.2.3底板钢筋φ18@200双层双向,层间马凳铁φ16,间距1500×1500。2.2.4顶板钢筋地下夹层顶板为φ10@200单层双向;地下一层主体部分顶板为φ8@120单层双向,其余车库部分顶板为预应力钢筋;地下二层车库顶板为φ12@130、φ12@150单层双向;主体顶板钢筋为φ8@100、φ8@120、φ8@150。2.2.5钢筋保护层2.2.5.1地下结构底板为35mm;外墙外皮为25mm,内皮为15mm;内墙为15mm;梁、柱为25mm;楼板为15mm(预应力筋保护层为35mm)。2.2.5.2主体结构梁、柱为25mm,板和其他为15mm。2.1.6焊条Ⅰ级钢采用E43,Ⅱ级钢采用E50,I、II级钢相焊时采用E43。2.3混凝土工程概...

1、当您付费下载文档后,您只拥有了使用权限,并不意味着购买了版权,文档只能用于自身使用,不得用于其他商业用途(如 [转卖]进行直接盈利或[编辑后售卖]进行间接盈利)。
2、本站所有内容均由合作方或网友上传,本站不对文档的完整性、权威性及其观点立场正确性做任何保证或承诺!文档内容仅供研究参考,付费前请自行鉴别。
3、如文档内容存在违规,或者侵犯商业秘密、侵犯著作权等,请点击“违规举报”。

碎片内容

0050某住宅小区6号楼钢筋工程施工方案(DOC48页)

确认删除?
VIP
微信客服
  • 扫码咨询
会员Q群
  • 会员专属群点击这里加入QQ群
客服邮箱
回到顶部