电脑桌面
添加小米粒文库到电脑桌面
安装后可以在桌面快捷访问

连续六年环评工程师案例考试真题分享VIP免费

连续六年环评工程师案例考试真题分享_第1页
1/48
连续六年环评工程师案例考试真题分享_第2页
2/48
连续六年环评工程师案例考试真题分享_第3页
3/48
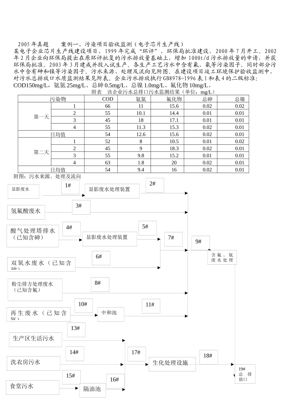
2005 年真题 案例一、污染项目验收监测(电子芯片生产线)某电子企业芯片生产线建设项目,1999 年完成“环评”,环保局批准建设,2000 年 7 月开工。2002年 2 月企业向环保局提出在原环评批复的污水排放量基础上,增加 1000t/d 污水排放量的申请,并获环保局批准。2003 年 3 月建成并投入试生产。各生产工艺污水中含有氟、氨等污染因子。同时部分污水中含有砷和镍等污染因子。污水来源、处理及流向见附图。在建设项目竣工环境保护验收监测中,对污水总排放口水质监测结果见附表。企业污水排放执行 GB8978-1996 表 1 和表 4 的二级标准:COD150mg/L,氨氮 25mg/L、总砷 0.5mg/L、总镍 1.0mg/L、氟化物 10mg/L。附表 该企业污水总排口污水监测结果(单位:mg/L)污染物COD氨氮氟化物总砷总镍第一天1661115.60.020.0225510.114.40.010.013451817.10.010.0145511.315.30.020.01日均值5412.615.60.020.01第二天152810.50.010.02245918.30.020.013559.815.20.010.014631.8200.020.01日均值549.4160.020.01附图:污水来源、处理及流向显影废水1#氢氟酸废水酸气处理塔排水(已知含砷)双氧水废水(已知含砷)粉尘排方处理废水(已知含氟)再 生 废 水 ( 已 知 含氨)生产区生活污水洗衣房污水显影废水处理装置3#2#4#5#显影废水处理装置6#7#9#含 氟 、 氨废 水 处 理装置8#10#中和池11#13#14#食堂污水15#隔油池16#17#生化处理设施18#19#总排放口·1、该企业排放的废水中 COD( A )。·A.浓度达标排放 B.浓度未达标排放·C.排放总量达标 D.排放总量未达标·E.是否浓度达标排放无法判断·2、该企业排放的废水中氟化物(A )。·A.浓度达标排放 B.浓度未达标排放·C.排放总量达标 D.排放总量未达标·E.是否浓度达标排放无法确定·3、该企业排放的废水中总砷( E )。(未在车间排放口监测,故未知浓度是否达标)·A.浓度达标排放 B.浓度未达标排放·C.排放总量达标 D.排放总量未达标·E.是否浓度达标排放无法确定·4、该企业排放的废水中总镍( E )。·A.浓度达标排放 B.浓度未达标排放·C.排放总量达标 D.排放总量未达标·E.是否浓度达标排放无法确定·5、根据附表所列监测结果,含氟、氨废水处理设施(B )。·A.满足氟达标排放的要求 B.未满足氟达标排放的要求·C.需要改进 D.处理效率在验收监测中无需考虑·E.对总砷、总镍达标排放也有明显的作用·6、根据附图和附表所列监测结果,含镍废水( E...

1、当您付费下载文档后,您只拥有了使用权限,并不意味着购买了版权,文档只能用于自身使用,不得用于其他商业用途(如 [转卖]进行直接盈利或[编辑后售卖]进行间接盈利)。
2、本站所有内容均由合作方或网友上传,本站不对文档的完整性、权威性及其观点立场正确性做任何保证或承诺!文档内容仅供研究参考,付费前请自行鉴别。
3、如文档内容存在违规,或者侵犯商业秘密、侵犯著作权等,请点击“违规举报”。

碎片内容

连续六年环评工程师案例考试真题分享

您可能关注的文档

确认删除?
VIP
微信客服
  • 扫码咨询
会员Q群
  • 会员专属群点击这里加入QQ群
客服邮箱
回到顶部