电脑桌面
添加小米粒文库到电脑桌面
安装后可以在桌面快捷访问

前横架零件机械加工工艺及工艺装备方案VIP免费

前横架零件机械加工工艺及工艺装备方案_第1页
1/9
前横架零件机械加工工艺及工艺装备方案_第2页
2/9
前横架零件机械加工工艺及工艺装备方案_第3页
3/9
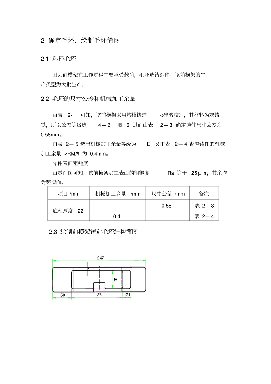
此套设计有全套 CAD图和卡片,1 前横架的工艺分析及生产类型的确定1.1 前横架的技术要求前横架零件技术要求表加工表面尺寸 mm 表面粗糙度Ra/μ m 形位公差 /mm 前横架前面25 前横架底面不允许有凸块等缺陷底板螺纹孔M12 φ 0.5 B 凸起螺纹孔M12 φ 0.1 C 垫片圆槽φ 25 锪平1.2 前横架的工艺分析分析零件图可知,零件经铸造后前面需要粗加工,用立式铣床加工前面。保证螺纹孔的位置度。底面要求不允许有凸块等缺陷。其余表面均为铸造面,不需加工。而主要工作面的加工精度较高,但也可以在正常的生产条件下,采用较经济的方法保质保量的加工出来。所以,该零件的工艺性较好。1.3 确定前横架的生产类型Q=5000 件 / 年由 1— 4 表知,该前横架的生产类型为大批生产。2 确定毛坯、绘制毛坯简图2.1 选择毛坯因为前横架在工作过程中要承受载荷,毛坯选铸造件。该前横架的生产类型为大批生产。2.2 毛坯的尺寸公差和机械加工余量由表2-1可知,该前横架采用熔模铸造<硅溶胶),其材料为灰铸铁,所以公差等级选4— 6, 取 6. 进而由表2— 3 确定铸件尺寸公差为0.58mm。由表 2— 5 选出机械加工余量等级为E。又由表2— 4 查得铸件的机械加工余量

1、当您付费下载文档后,您只拥有了使用权限,并不意味着购买了版权,文档只能用于自身使用,不得用于其他商业用途(如 [转卖]进行直接盈利或[编辑后售卖]进行间接盈利)。
2、本站所有内容均由合作方或网友上传,本站不对文档的完整性、权威性及其观点立场正确性做任何保证或承诺!文档内容仅供研究参考,付费前请自行鉴别。
3、如文档内容存在违规,或者侵犯商业秘密、侵犯著作权等,请点击“违规举报”。

碎片内容

前横架零件机械加工工艺及工艺装备方案

确认删除?
微信客服
  • 扫码咨询
会员Q群
  • 会员专属群点击这里加入QQ群