电脑桌面
添加小米粒文库到电脑桌面
安装后可以在桌面快捷访问

中煤龙化哈尔滨煤化工有限公司企业标准VIP免费

中煤龙化哈尔滨煤化工有限公司企业标准_第1页
1/54
中煤龙化哈尔滨煤化工有限公司企业标准_第2页
2/54
中煤龙化哈尔滨煤化工有限公司企业标准_第3页
3/54
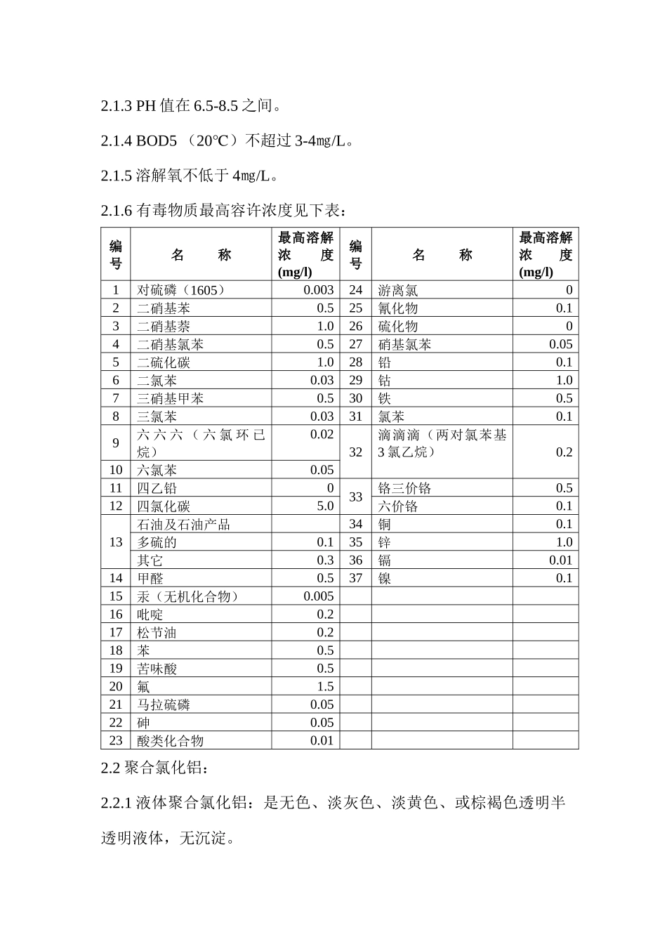
中煤龙化哈尔滨煤化工有限公司企业标准供水分厂净水车间工艺规程QJ/HQ 12.93-991、产品说明我车间生产的主要产品是生产用水、生活用水和冷凝液。这三种产品是不同性质,不同用途的产品,生产用水主要用于生产中的冷却水、循环水以及生产原料。生活用水主要用于人们日常生活饮用,生活用水水质与人们身体健康和日常生活使用息息相关。冷凝液被送到电厂换热站,用为采暖补充水和锅炉的软化水。1.1 生产用水:外观清澈透明,无肉眼可见物,无色无味,各种化学性状指标均不超过国家规定标准,对工艺设备无任何损害。1.2 生活用水:外观清澈透明,无肉眼可见物,无色无味,各种化学性状指标、微生物指标毒理学指标均不超过国家规定标准,对人体无任何毒害。1.3 冷凝液:外观清澈透明、硬度≤2㎎/L,SiO2≤200㎎/L 符合锅炉软化水标准。2、原材料及化学品规格:本车间生产用原材料主要有三种:源水、聚合氯化铝和液氯。2.1 源水2.1.1 不得呈现工业废水和生活污水所特有的颜色、异臭和异味。2.1.2 水面上不得出现较明显的油膜和浮沫。2.1.3 PH 值在 6.5-8.5 之间。2.1.4 BOD5 (20℃)不超过 3-4㎎/L。2.1.5 溶解氧不低于 4㎎/L。2.1.6 有毒物质最高容许浓度见下表:编号名 称最高溶解浓度(mg/l)编号名 称最高溶解浓度(mg/l)1对硫磷(1605)0.00324游离氯02二硝基苯0.525氰化物0.13二硝基萘1.026硫化物04二硝基氯苯0.527硝基氯苯0.055二硫化碳1.028铅0.16二氯苯0.0329钴1.07三硝基甲苯0.530铁0.58三氯苯0.0331氯苯0.19六 六 六 ( 六 氯 环 已烷)0.0232滴滴滴(两对氯苯基3 氯乙烷)0.210六氯苯0.0511四乙铅033铬三价铬0.512四氯化碳5.0六价铬0.113石油及石油产品34铜0.1多硫的0.135锌1.0其它0.336镉0.0114甲醛0.537镍0.115汞(无机化合物)0.00516吡啶0.217松节油0.218苯0.519苦味酸0.520氟1.521马拉硫磷0.0522砷0.0523酸类化合物0.012.2 聚合氯化铝:2.2.1 液体聚合氯化铝:是无色、淡灰色、淡黄色、或棕褐色透明半透明液体,无沉淀。2.2.2 固体聚合氯化铝:白色、淡灰色、淡黄色或棕褐色晶体或粉末。2.2.3 水处理剂聚合氯化铝应符合下列要求:指 标 名 称饮用水处理液体固体优等品一等品优等品一等品相对密度(20℃)≥1.21≥1.19氧化铝(Al2O3)含量%≥12≥10盐基度%60~8550~8560~8550~85水不溶物含量%≤0.2≤0.5≤0.5≤1.5PH(1%水溶液)3.5~5.0硫酸根(SO42-)≤0.35≤9.8氨态氮(N)含量%≤0.01≤0.03≤0.03≤0.09...

1、当您付费下载文档后,您只拥有了使用权限,并不意味着购买了版权,文档只能用于自身使用,不得用于其他商业用途(如 [转卖]进行直接盈利或[编辑后售卖]进行间接盈利)。
2、本站所有内容均由合作方或网友上传,本站不对文档的完整性、权威性及其观点立场正确性做任何保证或承诺!文档内容仅供研究参考,付费前请自行鉴别。
3、如文档内容存在违规,或者侵犯商业秘密、侵犯著作权等,请点击“违规举报”。

碎片内容

中煤龙化哈尔滨煤化工有限公司企业标准

您可能关注的文档

书海行舟+ 关注
实名认证
内容提供者

热爱教学事业,对互联网知识分享很感兴趣

确认删除?
VIP
微信客服
  • 扫码咨询
会员Q群
  • 会员专属群点击这里加入QQ群
客服邮箱
回到顶部