电脑桌面
添加小米粒文库到电脑桌面
安装后可以在桌面快捷访问

机械课程设计:减速箱VIP免费

机械课程设计:减速箱_第1页
1/36
机械课程设计:减速箱_第2页
2/36
机械课程设计:减速箱_第3页
3/36
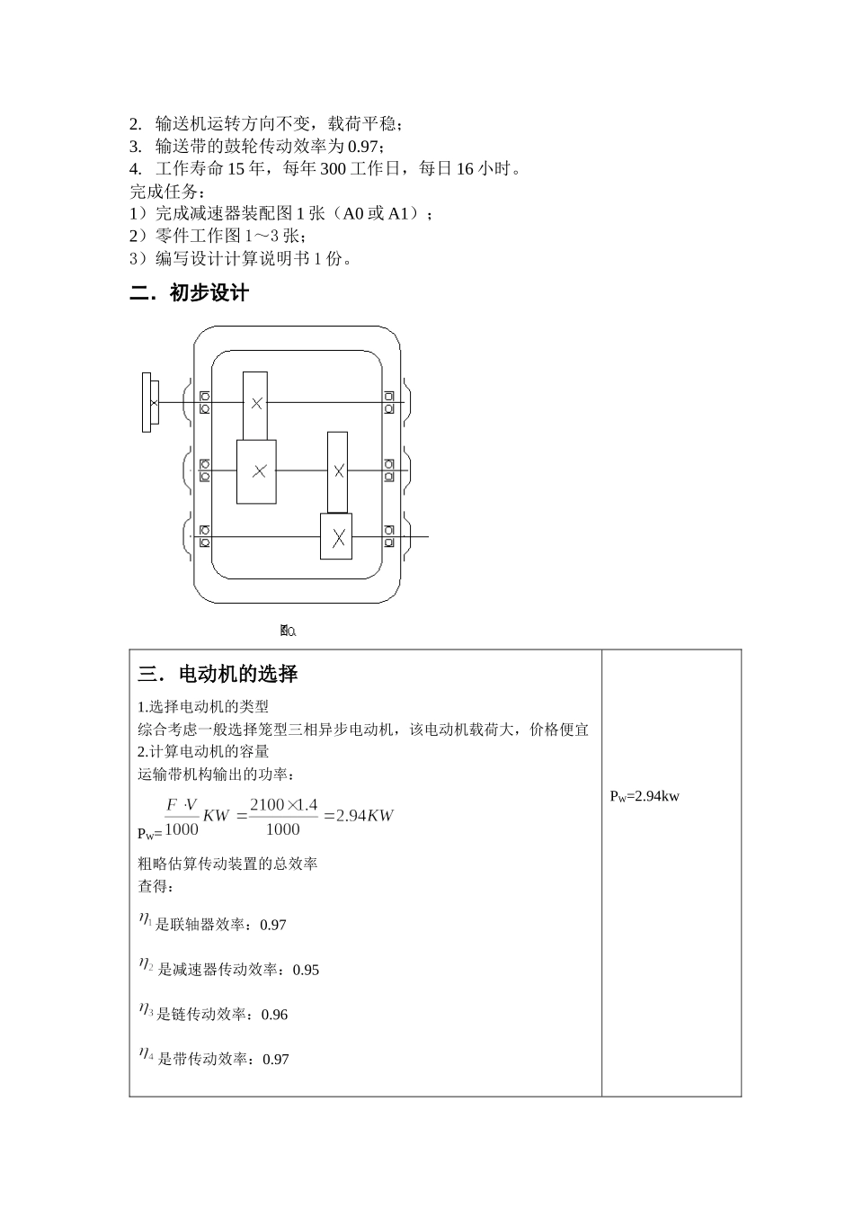
机械课程设计设计用带传动的传动的减速箱装置 目录一.设计任务----------------------------------------------------------------2二.系统总体设计方案----------------------------------------------------2三.电动机的选择----------------------------------------------------------3四.传动装置总体设计----------------------------------------------------4五.传动零件的设计计算-------------------------------------------------5六.轴的计算---------------------------------------------------------------15七.轴承的选择------------------------------------------------------------26八.箱体设计---------------------------------------------------------------29九.润滑密封---------------------------------------------------------------32十.小结-----------------------------------------------------------------33十一.参考文献-----------------------------------------------------------33一、设计任务题目 23 设计用于带传动的传动装置原始数据:1. 输送带牵引力,输送带转速,输送带的鼓轮直径:450mm。2.1FkN1.4/m s2. 输送机运转方向不变,载荷平稳;3. 输送带的鼓轮传动效率为 0.97;4. 工作寿命 15 年,每年 300 工作日,每日 16 小时。完成任务: 1)完成减速器装配图 1 张(A0 或 A1);2)零件工作图 1~3 张;3)编写设计计算说明书 1 份。二.初步设计 三.电动机的选择1.选择电动机的类型综合考虑一般选择笼型三相异步电动机,该电动机载荷大,价格便宜2.计算电动机的容量运输带机构输出的功率:PW= 粗略估算传动装置的总效率查得:是联轴器效率:0.97是减速器传动效率:0.95是链传动效率:0.96是带传动效率:0.97PW=2.94kw初步估算总的传动效率,解得:Pd= 3. 确定电动机的转速:输送带的带速为 1.4m/s 输送鼓轮直径为 450mmnw=减速机构只有一个二级减速箱和链传动,同时考虑两种传动方式的最大传动比和设计尺寸,选择电机的转速为r/min电动机型号 额定功率 同步转速 满载转速 轴径Y112M-4 4 1500 1440 28mm四.传动装置的总体设计1.计算传动装置的总转动比并分配各级传动比:1)传动装置的总传动比为:2)分配各级传动比:链传动的传动比常用范围为 2-5,圆柱齿轮传动比常用范围为 3-5。因为减速箱有两级减速,所以选择链传动的传动比...

1、当您付费下载文档后,您只拥有了使用权限,并不意味着购买了版权,文档只能用于自身使用,不得用于其他商业用途(如 [转卖]进行直接盈利或[编辑后售卖]进行间接盈利)。
2、本站所有内容均由合作方或网友上传,本站不对文档的完整性、权威性及其观点立场正确性做任何保证或承诺!文档内容仅供研究参考,付费前请自行鉴别。
3、如文档内容存在违规,或者侵犯商业秘密、侵犯著作权等,请点击“违规举报”。

碎片内容

机械课程设计:减速箱

书海行舟+ 关注
实名认证
内容提供者

热爱教学事业,对互联网知识分享很感兴趣

确认删除?
VIP
微信客服
  • 扫码咨询
会员Q群
  • 会员专属群点击这里加入QQ群
客服邮箱
回到顶部