电脑桌面
添加小米粒文库到电脑桌面
安装后可以在桌面快捷访问

内容详见附件-江苏省交通运输管理系统VIP专享VIP免费

内容详见附件-江苏省交通运输管理系统_第1页
1/5
内容详见附件-江苏省交通运输管理系统_第2页
2/5
内容详见附件-江苏省交通运输管理系统_第3页
3/5
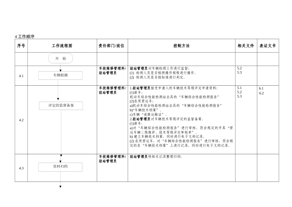
运管系统标志泰州市运输管理处编号:Q/TZYG-QM-Ш- D-05-2006版次:A/0工作指导书生效日期:06 年 02 月 01 日第 1 页 共 4 页车辆技术等级评定工作流程1 适用范围适用于本行政辖区营运车辆技术等级评定工作。2 职责2.1 车技维修管理科驻站管理员负责车辆技术等级评定资料审核、等级评定及记录工作。2.2 车技维修管理科科长负责组织并监督车辆技术等级评定工作。3 质量要求3.1 车技维修管理科对受理的营运车辆的技术等级评定应当即时办理。3.2 驻站管理员应认真审核车辆技术等级评定的申请资料。3.3 车技维修管理科驻站管理员应当对车辆检测过程进行监督。4 工作顺序序号工作流程图责任部门/岗位控制方法相关文件表证文书4.1 车技维修管理科/驻站管理员驻站管理员对车辆检测工作进行监督:(1) 检测人员是否按照操作规程进行操作。(2) 检测人员是否按标准进行判定。5.25.34.2车技维修管理科/驻站管理员1.驻站管理员接受申请人的车辆技术等级评定申请资料:(1)新车:机动车综合性能检测站出具的“车辆综合性能检测报告”(2)在用营运车:a)机动车综合性能检测站出具的“车辆综合性能检测报告”b)“车辆技术档案”。c)车辆“道路运输证”。2.驻站管理员对车辆技术等级评定的监督备案。(1)新车:a)对“车辆综合性能检测报告”进行审核,符合规定的开具“营运车辆二级维护、技术等级评定审核单”。b) 建立车辆技术档案,同时进行电子文档记录。(2) 在用营运车,对“车辆综合性能检测报告”进行审核,符合规定的在“车辆技术档案”上进行记录。同时进行电子文档记录。5.15.25.36.16.24.3车技维修管理科/驻站管理员驻站管理员将相关记录整理归档。车辆检测开 始 资料归档评定的监督备案序号工作流程图责任部门/岗位控制方法相关文件表证文书结 束运管系统标志泰州市运输管理处编号:Q/TZYG-QM-Ш- D-05-2006版次:A/0工作指导书生效日期:06 年 02 月 01 日第 4 页 共 4 页5 相关文件5.1《中华人民共和国道路运输条例》(2004 年国务院 406 令)5.2《营运车辆技术等级划分和评定要求》JT/T198-20045.3《营运车辆综合性能要求和检验方法》(GB18565-2004)5.4《道路车辆外廓尺寸、轴荷及质量限值》(GB1589-2004)5.5《机动车运行安全技术条件》(GB7258-2004)6 表证文书6.1 车辆技术档案6.2 营运车辆二级维护、技术等级评定审核单

1、当您付费下载文档后,您只拥有了使用权限,并不意味着购买了版权,文档只能用于自身使用,不得用于其他商业用途(如 [转卖]进行直接盈利或[编辑后售卖]进行间接盈利)。
2、本站所有内容均由合作方或网友上传,本站不对文档的完整性、权威性及其观点立场正确性做任何保证或承诺!文档内容仅供研究参考,付费前请自行鉴别。
3、如文档内容存在违规,或者侵犯商业秘密、侵犯著作权等,请点击“违规举报”。

碎片内容

内容详见附件-江苏省交通运输管理系统

确认删除?
VIP
微信客服
  • 扫码咨询
会员Q群
  • 会员专属群点击这里加入QQ群
客服邮箱
回到顶部