电脑桌面
添加小米粒文库到电脑桌面
安装后可以在桌面快捷访问

三、锅炉安装工程_质量证明书(散装)VIP免费

三、锅炉安装工程_质量证明书(散装)_第1页
1/35
三、锅炉安装工程_质量证明书(散装)_第2页
2/35
三、锅炉安装工程_质量证明书(散装)_第3页
3/35
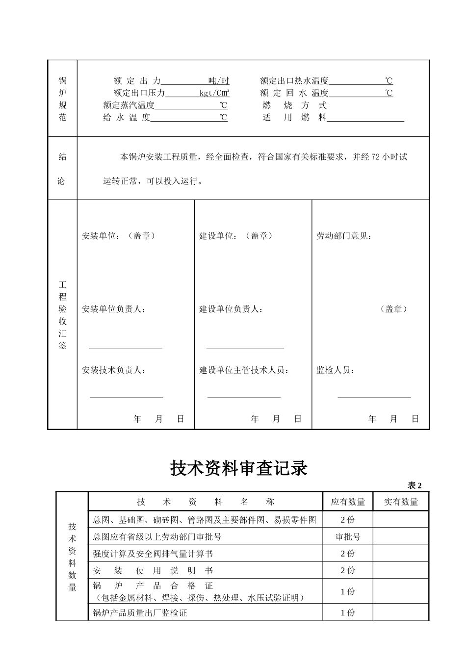
锅炉安装工程质 量 证 明 书 (散 装) 锅 炉 型 号 锅炉出厂编号 建 设 单 位 施 工 单 位 目 录 一 锅炉安装合格证……………………………………………………………………1 二 技术资料审检记录…………………………………………………………………2 三 主要零部件质量检查记录…………………………………………………………3四 基础验收记录………………………………………………………………………4 五 钢架安装记录………………………………………………………………………5六 锅筒、集箱安装记录………………………………………………………………6七 受热面管安装记录…………………………………………………………………7八 胀管施工记录………………………………………………………………………8 九 胀管率测定计算表…………………………………………………………………9十 通球及封闭记录……………………………………………………………………10十一 焊接接头外观质量检查记录………………………………………………………11十二 无损探伤记录………………………………………………………………………12十三 焊接接头试件的机械性能检验记录………………………………………………13十四 金属材料及焊接材料质量证明书…………………………………………………14十五 焊接工作记录………………………………………………………………………15十六 炉排组装记录………………………………………………………………………16十七 铸铁省煤器及空气预热器安装记录………………………………………………17十八 过热器及钢管省煤器安装记录……………………………………………………18十九 汽水管道安装记录…………………………………………………………………19二十 水位表及压力表安装记录…………………………………………………………20二十一 省煤器水压试验记录……………………………………………………………21 二十二 锅炉本体水压试验记录…………………………………………………………22 二十三 阀门、管件单体水压试验记录…………………………………………………23 二十四 辅机安装及单体试运转记录……………………………………………………24二十五 炉墙砌筑质量检查记录…………………………………………………………25 二十六 烘炉记录………………………………………...

1、当您付费下载文档后,您只拥有了使用权限,并不意味着购买了版权,文档只能用于自身使用,不得用于其他商业用途(如 [转卖]进行直接盈利或[编辑后售卖]进行间接盈利)。
2、本站所有内容均由合作方或网友上传,本站不对文档的完整性、权威性及其观点立场正确性做任何保证或承诺!文档内容仅供研究参考,付费前请自行鉴别。
3、如文档内容存在违规,或者侵犯商业秘密、侵犯著作权等,请点击“违规举报”。

碎片内容

三、锅炉安装工程_质量证明书(散装)

您可能关注的文档

文泉书屋+ 关注
实名认证
内容提供者

热爱教学事业,对互联网知识分享很感兴趣

确认删除?
VIP
微信客服
  • 扫码咨询
会员Q群
  • 会员专属群点击这里加入QQ群
客服邮箱
回到顶部