电脑桌面
添加小米粒文库到电脑桌面
安装后可以在桌面快捷访问

2SMW工法桩施工作业标准VIP专享VIP免费

2SMW工法桩施工作业标准_第1页
1/12
2SMW工法桩施工作业标准_第2页
2/12
2SMW工法桩施工作业标准_第3页
3/12
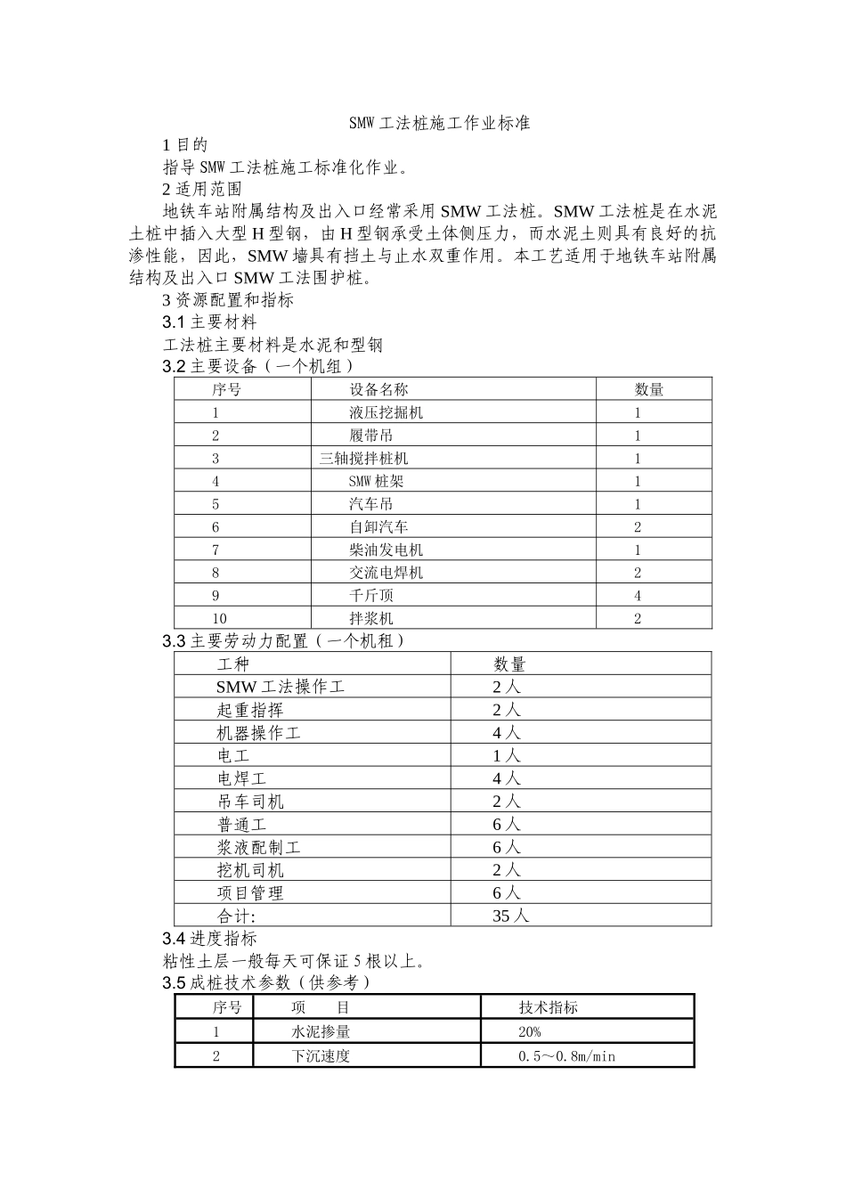
SMW 工法桩施工作业标准1 目的指导 SMW 工法桩施工标准化作业。2 适用范围地铁车站附属结构及出入口经常采用 SMW 工法桩。SMW 工法桩是在水泥土桩中插入大型 H 型钢,由 H 型钢承受土体侧压力,而水泥土则具有良好的抗渗性能,因此,SMW 墙具有挡土与止水双重作用。本工艺适用于地铁车站附属结构及出入口 SMW 工法围护桩。3 资源配置和指标3.1 主要材料工法桩主要材料是水泥和型钢3.2 主要设备(一个机组)序号设备名称数量1液压挖掘机12履带吊13三轴搅拌桩机14SMW 桩架15汽车吊16自卸汽车27柴油发电机18交流电焊机29千斤顶410拌浆机23.3 主要劳动力配置(一个机租)工种数量SMW 工法操作工2 人起重指挥2 人机器操作工4 人电工1 人电焊工4 人吊车司机2 人普通工6 人浆液配制工6 人挖机司机2 人项目管理6 人合计:35 人3.4 进度指标粘性土层一般每天可保证 5 根以上。3.5 成桩技术参数(供参考)序号项 目技术指标1水泥掺量20%2下沉速度0.5~0.8m/min开挖导沟设置定位型钢型钢加工混合搅拌型钢涂减摩材料插入型钢主体结构施工型钢回收SMW 桩机就位浆液制作浆液注入冠梁施工测量放线定 SMW 桩桩位3提升速度1.0m/min4搅拌转速30~50 转/min5浆液流量40L/min4 施工工艺4.1 工艺流程图4.2 施工方法4.2.1 施工准备1)施工准备与测量放线机械进场前对搅拌桩施工区域内地表淤泥、杂物进行清除及场地平整,加固做到地基坚实平整,保证 SMW 围护结构沿线道路平整、畅通,施工场地路基以能行走 50t 大吊车为准。施工前作好管线保护,清理障碍物,然后铺设导木,安装导轨,在导轨上安装底盘(底盘上下为钢板中间夹槽钢焊成),并临时固定,在底盘上搭设塔架。塔架拼装完成后利用塔架进行深层搅拌桩机吊装,同时安装灰浆制备系统包括工作平台、制浆设备及泵送设备、灰浆流动制备站。做好管线连接工作,最后进行机械调试。根据坐标基准点,按设计图放出桩位,并设临时控制桩,填好技术复核单并验收。2)导沟开挖及定位型钢安放(1)开挖沟槽根据基坑围护内边控制线,采用 0.4m3挖机开挖沟槽,并清除地下障碍物,沟槽尺寸如图,开挖沟槽余土应及时处理,以保证 SMW 工法正常施工,并达到文明工地要求。 2)定位型钢放置 垂直沟槽方向放置两根定位型钢,规格为 200×200,长约 2.5m,再在平行沟槽方向放置两根定位型钢规格 300×300,长约 8~20m,转角处 H 型钢采取与围护中心线成 450角插入,H 型...

1、当您付费下载文档后,您只拥有了使用权限,并不意味着购买了版权,文档只能用于自身使用,不得用于其他商业用途(如 [转卖]进行直接盈利或[编辑后售卖]进行间接盈利)。
2、本站所有内容均由合作方或网友上传,本站不对文档的完整性、权威性及其观点立场正确性做任何保证或承诺!文档内容仅供研究参考,付费前请自行鉴别。
3、如文档内容存在违规,或者侵犯商业秘密、侵犯著作权等,请点击“违规举报”。

碎片内容

2SMW工法桩施工作业标准

确认删除?
VIP
微信客服
  • 扫码咨询
会员Q群
  • 会员专属群点击这里加入QQ群
客服邮箱
回到顶部