电脑桌面
添加小米粒文库到电脑桌面
安装后可以在桌面快捷访问

机械设计课程设计任务书VIP免费

机械设计课程设计任务书_第1页
1/37
机械设计课程设计任务书_第2页
2/37
机械设计课程设计任务书_第3页
3/37
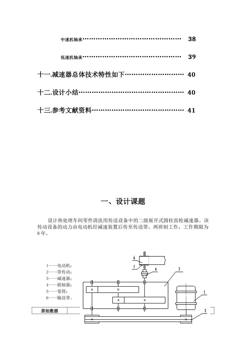
机械设计课程设计任务书专 业:姓 名:学 号:成 绩: 指导教师:目录一.设计课题…………………………………………… 3二.设计课题分析……………………………………… 4三.确定原动机………………………………………… 4四.传动比的分配……………………………………… 5五.机械或部件中各轴的运动学和动力计算………… 5六.传动零件的设计计算……………………………… 71.高速机齿轮设计及……………………………………… 72.低速级齿轮设计及校核………………………………… 13七.V 带及带轮设计及校核…………………………… 20八.轴的设计…………………………………………… 22九.键的计算校核……………………………………… 34十.轴承和选定轴承校核……………………………… 37高速级轴承……………………………………… 37 中速机轴承……………………………………… 38低速机轴承……………………………………… 39十一.减速器总体技术特性如下……………………… 40十二.设计小结………………………………………… 40十三.参考文献资料…………………………………… 41一、设计课题 设计热处理车间零件清洗用传送设备中的二级展开式圆柱齿轮减速器。该传动设备的动力由电动机经减速装置后传至传送带。两班制工作,工作期限为8 年。1----电动机;2----带传动;3----减速器;4----联轴器;5----卷筒;6----输送带。原始数据题 号1-11-21-31-41-51-61-71-81-91-10输送带主轴扭矩T(N·m)7006706509501050900660900900950输送带运行速度V(m/s)0.630.750.850.80.80.70.830.750.850.9卷筒直径D(mm)300330350350380300360320360380二、设计课题分析拿到设计课题首先我们设计的是设计热处理车间零件清洗用传送设备中的二级展开式圆柱齿轮减速器。该传动设备的动力由电动机经减速装置后传至传送带。两班制工作,工作期限为 8 年。所以我们小组立即开展对减速器的了解。在课题要求下我们选择了二级圆柱直齿轮减速器,因为它的工作环境是传送车间,没有要求要斜齿轮还是直齿轮,因此我们选用了更符合要求的直齿轮传动。又因为没有特别大的载荷变动,这样可以确定后面选择齿轮材料和皮带的时候奠定基础。电动机方面尽量选择了要价格清廉,而且又能够满足清洗车间的技术要求。机箱基本选择 45 号钢。电动机的选择至关重要,特别是转速和功率的计算。然后分配传动比,接着对机械或部件中各轴的运动学和动力学...

1、当您付费下载文档后,您只拥有了使用权限,并不意味着购买了版权,文档只能用于自身使用,不得用于其他商业用途(如 [转卖]进行直接盈利或[编辑后售卖]进行间接盈利)。
2、本站所有内容均由合作方或网友上传,本站不对文档的完整性、权威性及其观点立场正确性做任何保证或承诺!文档内容仅供研究参考,付费前请自行鉴别。
3、如文档内容存在违规,或者侵犯商业秘密、侵犯著作权等,请点击“违规举报”。

碎片内容

机械设计课程设计任务书

确认删除?
VIP
微信客服
  • 扫码咨询
会员Q群
  • 会员专属群点击这里加入QQ群
客服邮箱
回到顶部