电脑桌面
添加小米粒文库到电脑桌面
安装后可以在桌面快捷访问

高支撑架设计计算书VIP免费

高支撑架设计计算书_第1页
1/15
高支撑架设计计算书_第2页
2/15
高支撑架设计计算书_第3页
3/15
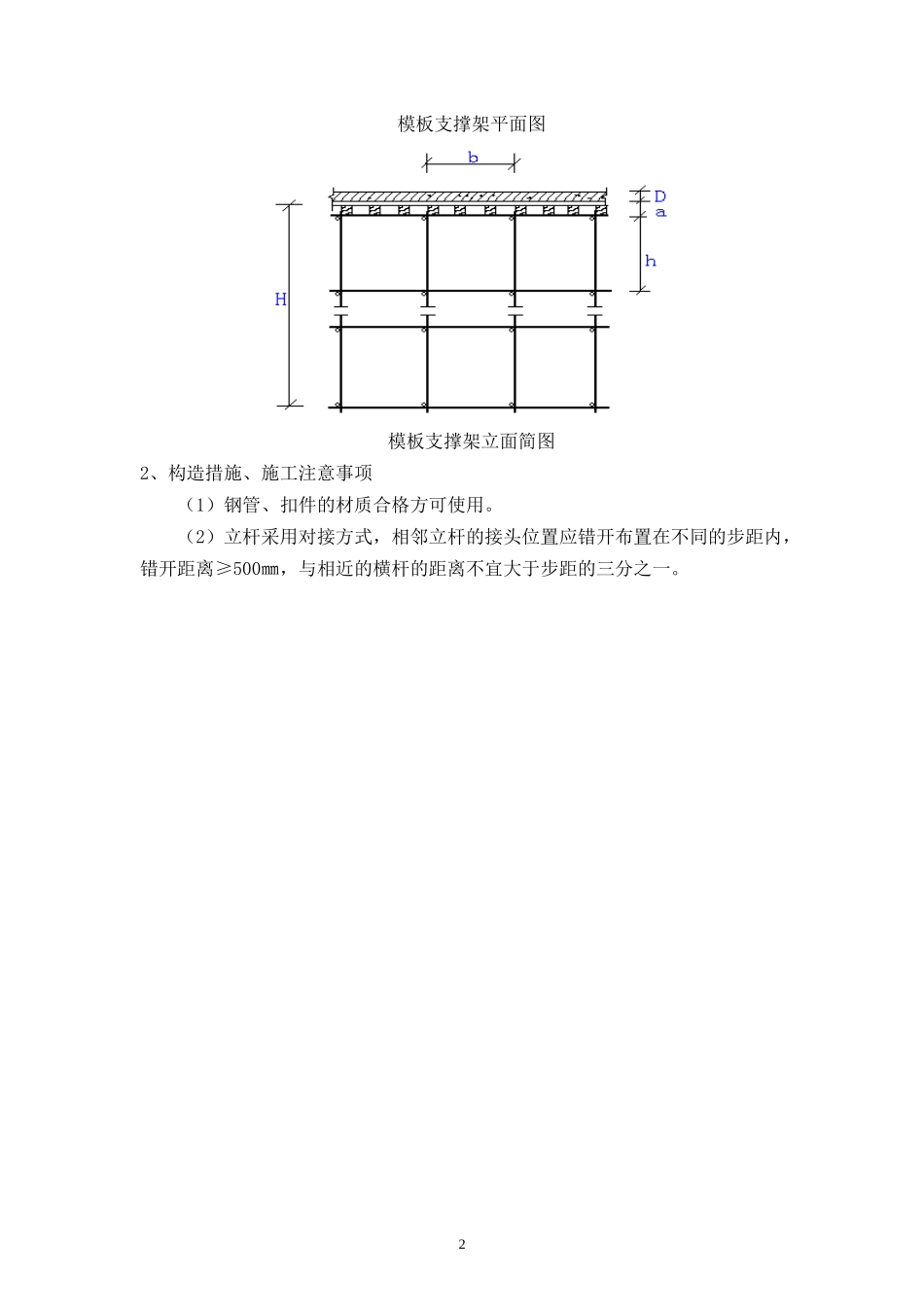
中铁四局会务中心工程高支撑架设计计算书编 号:版 本 号:受 控 号:修改状态:有效状态:中铁四局集团建筑工程有限公司中铁四局会务中心工程项目经理部2008 年 1 月一、工程概况中铁四局会务中心位于合肥市望江路 96 号中铁四局机关大院内,总建筑面积 15477.6㎡。地下 1 层,地上 6 层,总高度 30.2m,檐口高度 22.5m。基础形式为钢筋混凝土独立基础,现浇钢筋混凝土框架结构。其中 8 轴-11 轴的通道部位的模板支撑架最大搭设高度为 12m。高支撑架的计算参照《建筑施工扣件式钢管脚手架安全技术规范》(JGJ130-2001)。本方案还参照《施工技术》2002.3.《扣件式钢管模板高支撑架设计和使用安全》。二 、高支撑架模板设计1、设计参数(1)采用的钢管类型为 ф48×3.5。(2)横向间距最大 1m,纵距最大 1.05m,步距 1.05m。最大搭设高度 12m。(3)最大梁截面尺寸为:350mm×1000mm,立杆距大梁边100mm,大梁底增设一道承重立杆。梁底横向支承钢管间距300mm。(4)沿8、9、10、11、B、C、D、E轴各设一道剪刀撑,B、C轴之间沿南北方向设剪力撑,间距3m,9、10轴之间沿南北方向通长增设一道剪刀剪。(5)立杆平面、立面布置见下图。1模板支撑架平面图模板支撑架立面简图2、构造措施、施工注意事项(1)钢管、扣件的材质合格方可使用。(2)立杆采用对接方式,相邻立杆的接头位置应错开布置在不同的步距内,错开距离≥500㎜,与相近的横杆的距离不宜大于步距的三分之一。2(3)横杆采用对接方式,上下横杆的接长位置应错开布置在不同的立杆纵距内,错开距离≥500㎜且避开跨中,与相近的立杆的距离不宜大于纵距的三分之一。 (4)剪刀撑应联系3-4根立杆,斜杆与地面的夹角为45°~60°。 (5)连墙件可按二步三跨设置,采用单杆适长的横向平杆紧贴结构柱子、用短杆固定于柱侧。(6)支撑设置通长扫地杆用直角扣件与立杆相固定。(7)立杆下加设垫板,可采用槽钢或5cm木板。(8)基坑北侧回填土应在架体搭设完成前施工完毕。(9)支撑架下的地下室顶板,底模不应拆除,如果因施工需要拆除,应在拆除后回顶加固。(10)架体搭设前应对作业班组进行详细交底,搭设过程中,加强检查,确保各项构造措施的落实。(11)砼浇筑时注意浇筑的顺序和方向,严禁堆载过多。3、模板工程的其它要求同本工程模板工程施工方案三、计算书(A)参数信息1.脚手架参数 横向间距或排距(m):1.0;纵距(m):1.2;步距(m):1.2; 立杆上端伸出至模板...

1、当您付费下载文档后,您只拥有了使用权限,并不意味着购买了版权,文档只能用于自身使用,不得用于其他商业用途(如 [转卖]进行直接盈利或[编辑后售卖]进行间接盈利)。
2、本站所有内容均由合作方或网友上传,本站不对文档的完整性、权威性及其观点立场正确性做任何保证或承诺!文档内容仅供研究参考,付费前请自行鉴别。
3、如文档内容存在违规,或者侵犯商业秘密、侵犯著作权等,请点击“违规举报”。

碎片内容

高支撑架设计计算书

您可能关注的文档

确认删除?
VIP
微信客服
  • 扫码咨询
会员Q群
  • 会员专属群点击这里加入QQ群
客服邮箱
回到顶部