电脑桌面
添加小米粒文库到电脑桌面
安装后可以在桌面快捷访问

磁翻板液位计简介选型参数表VIP免费

磁翻板液位计简介选型参数表_第1页
1/8
磁翻板液位计简介选型参数表_第2页
2/8
磁翻板液位计简介选型参数表_第3页
3/8
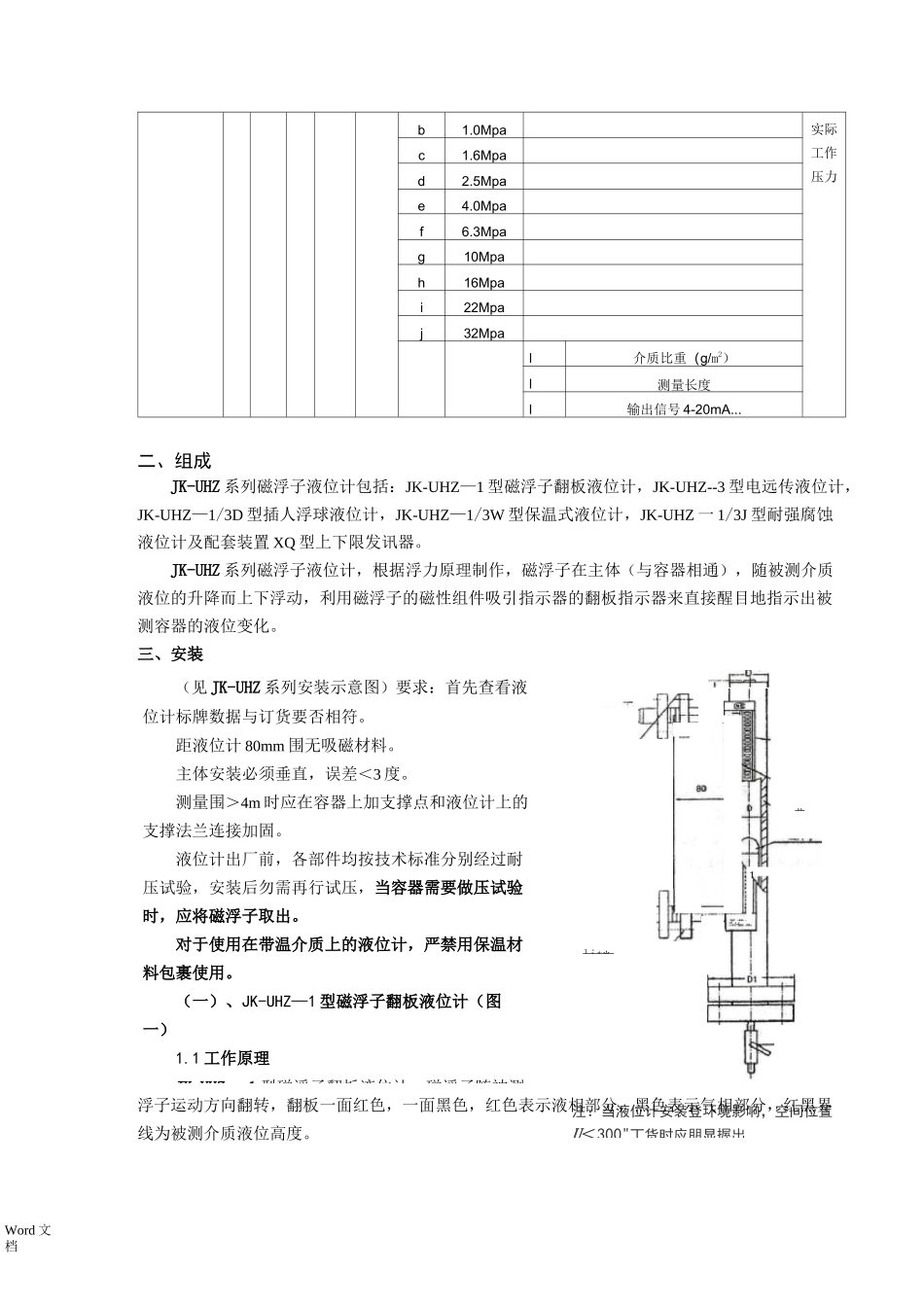
Word 文档侧装/顶装式磁翻板液位计一、用途及特点JK-UHZ 系列磁浮子液位计是一种能就地指示或远传显示与控制的物位仪表,它广泛用于石油、化工、轻工、电力、核工业以及食品、医药等工业中,对各种塔、罐、槽、箱等容器中介质的液位进行指示和控制。JK-UHZ 系列磁浮子液位计的指示部分及发讯器、变送器等均与被测介质完全隔离,介质在主体完全密封,在有压、有毒和易然易爆工况下具有绝对的安全性和可靠性。仪表指示器色感对比鲜明,清晰醒目。仪表指示器可以快速拆装,安装方位可任意选择,观察方向可随意变动,可视角度大。JK-UHZ 系列液位计均可配置 XQ 发讯器,发讯器输出的触点信号具有自保持功能。JK-UHZ 系列磁浮子液位计结构简单,安装、使用、维修极其方便。JK-UHZ系列磁翻板液位计规格系列型号1磁翻板指示2磁翻板指示-远传输出a基本型b保温型(夹套型)S 防霜型 R 电伴热型c插入型d耐腐型e插入保温型f插入耐腐型g保温耐腐型1无报警2带 1 只报警点3带 2 只报警点4带 3 只报警点5带 4 只报警点5不锈钢主体材质6防腐铝7钛8PVC9四氟包裹A-40-0°C工作温度BS80°CC<100CD<150CE<300CF<350CG<480Ca0.6MpaWord 文档(见 JK-UHZ 系列安装示意图)要求:首先查看液位计标牌数据与订货要否相符。距液位计 80mm 围无吸磁材料。主体安装必须垂直,误差<3 度。测量围>4m 时应在容器上加支撑点和液位计上的支撑法兰连接加固。液位计出厂前,各部件均按技术标准分别经过耐压试验,安装后勿需再行试压,当容器需要做压试验时,应将磁浮子取出。对于使用在带温介质上的液位计,严禁用保温材料包裹使用。(一)、JK-UHZ—1 型磁浮子翻板液位计(图一)1.1 工作原理JK-UHZ 一 1 型磁浮子翻板液位计:磁浮子随被测lit*注:当液位计安装登环境影响,空间位置U<300"丁货时应朋显握出b1.0Mpa实际工作压力c1.6Mpad2.5Mpae4.0Mpaf6.3Mpag10Mpah16Mpai22Mpaj32Mpal介质比重(g/m2)l测量长度l输出信号 4-20mA...二、组成JK-UHZ 系列磁浮子液位计包括:JK-UHZ—1 型磁浮子翻板液位计,JK-UHZ--3 型电远传液位计,JK-UHZ—1/3D 型插人浮球液位计,JK-UHZ—1/3W 型保温式液位计,JK-UHZ 一 1/3J 型耐强腐蚀液位计及配套装置 XQ 型上下限发讯器。JK-UHZ 系列磁浮子液位计,根据浮力原理制作,磁浮子在主体(与容器相通),随被测介质液位的升降而上下浮动,利用磁浮子的磁性组件吸引指示器的翻板指示器来直接醒目地指示出...

1、当您付费下载文档后,您只拥有了使用权限,并不意味着购买了版权,文档只能用于自身使用,不得用于其他商业用途(如 [转卖]进行直接盈利或[编辑后售卖]进行间接盈利)。
2、本站所有内容均由合作方或网友上传,本站不对文档的完整性、权威性及其观点立场正确性做任何保证或承诺!文档内容仅供研究参考,付费前请自行鉴别。
3、如文档内容存在违规,或者侵犯商业秘密、侵犯著作权等,请点击“违规举报”。

碎片内容

磁翻板液位计简介选型参数表

您可能关注的文档

确认删除?
VIP
微信客服
  • 扫码咨询
会员Q群
  • 会员专属群点击这里加入QQ群
客服邮箱
回到顶部