电脑桌面
添加小米粒文库到电脑桌面
安装后可以在桌面快捷访问

现代供电技术课程设计某35KV变电所电气一次部分初步设计VIP免费

现代供电技术课程设计某35KV变电所电气一次部分初步设计_第1页
1/44
现代供电技术课程设计某35KV变电所电气一次部分初步设计_第2页
2/44
现代供电技术课程设计某35KV变电所电气一次部分初步设计_第3页
3/44
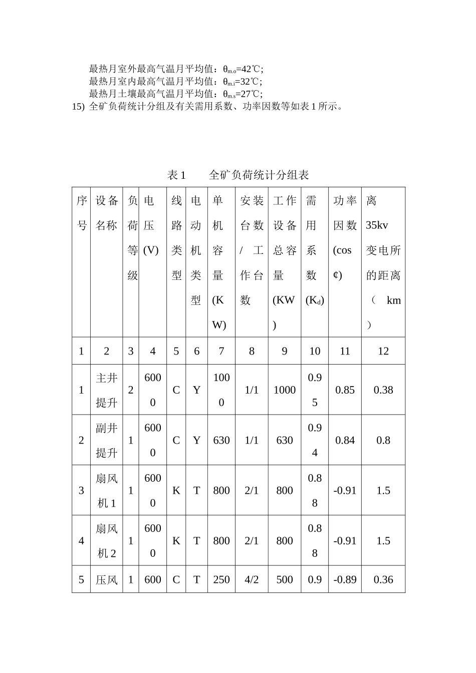
评分______日期______XX 大学课程设计说明书课程名称: 现代供电技术 题 目:某 35KV 变电所电气一次部分初步设计 学 院: XX 学院 专 业: 电子信息科学与技术 学 号: XX 姓 名: XX 指导教师: XX 完成日期: XX 《供电技术》课程设计任务书适用专业:电子信息科学与技术编 写:机电系 崔海波时 间:2013 年 11 月1. 设计题目——某 35KV 变电所电气一次部分初步设计 2. 设计任务(1)变电所位置及供电电源的确定;(2)变电所的负荷统计与主变压器的选择;(3)变电所供电系统拟定;(4)短路电流计算;(5)电气设备的选择;(6)输电线路的选择与敷设;(7)变电所的继电保护与自动化装置。3. 原始资料某年产 90 万 t 原煤的煤矿,其供电设计所需的基本原始数据如下:1)矿年产量:90 万 t;2)服务年限:75 年;3)矿井沼气等级:煤与沼气突出矿井;4)立井深度:0.36km;5)冻土厚度:0.35m;6)矿井地面土质:一般黑土;7)两回 35kv 架空电源线路长度:l1=l2=6.5km;8)两回 35kv 电源上级出线断路器过流保护动作时间:t1=t2=2.5s;9)本所 35kv 电源母线上最大运行方式下的系统电抗:Xs.min=0.12(Sd=100MVA);10) 本所 35kv 电源母线上最小运行方式下的系统电抗:Xs.min=0.22(Sd=100MVA);11) 井下 6kv 母线上允许短路容量:Sal=100MVA;12) 电费收取办法:两步电价制,固定部分按最高负荷收费;13) 本所 35kv 母线上补偿后平均功率因数要求值:cos¢’ 35.a≥0.9;14) 地区日最高气温:θm=44℃;最热月室外最高气温月平均值:θm.o=42℃;最热月室内最高气温月平均值:θm.i=32℃;最热月土壤最高气温月平均值:θm.s=27℃;15) 全矿负荷统计分组及有关需用系数、功率因数等如表 1 所示。表 1 全矿负荷统计分组表序号设备名称负荷等级电压(V)线路类型电动机类型单机容量(KW)安 装台 数/工作 台 数工 作设 备总 容量(KW)需用系数(Kd)功 率因 数(cos¢)离35kv变电所的距离(km)1234567891011121主井提升26000CY10001/110000.950.850.382副井提升16000CY6301/16300.940.840.83扇风机 116000KT8002/18000.88-0.911.54扇风机 216000KT8002/18000.88-0.911.55压风1600CT2504/25000.9-0.890.36机06地面低压设备1380C8700.720.780.057机修厂3380C7500.60.70.208洗煤厂2380K9200.750.780.469工人村3380K4800.760.852.010支农3380K3600.750.852.711主排水泵16000CX50...

1、当您付费下载文档后,您只拥有了使用权限,并不意味着购买了版权,文档只能用于自身使用,不得用于其他商业用途(如 [转卖]进行直接盈利或[编辑后售卖]进行间接盈利)。
2、本站所有内容均由合作方或网友上传,本站不对文档的完整性、权威性及其观点立场正确性做任何保证或承诺!文档内容仅供研究参考,付费前请自行鉴别。
3、如文档内容存在违规,或者侵犯商业秘密、侵犯著作权等,请点击“违规举报”。

碎片内容

现代供电技术课程设计某35KV变电所电气一次部分初步设计

您可能关注的文档

黄金阁书苑+ 关注
实名认证
内容提供者

热爱教学事业,对互联网知识分享很感兴趣

确认删除?
VIP
微信客服
  • 扫码咨询
会员Q群
  • 会员专属群点击这里加入QQ群
客服邮箱
回到顶部