电脑桌面
添加小米粒文库到电脑桌面
安装后可以在桌面快捷访问

公路建设工程试验仪器自校验标准方法-副本VIP免费

公路建设工程试验仪器自校验标准方法-副本_第1页
1/43
公路建设工程试验仪器自校验标准方法-副本_第2页
2/43
公路建设工程试验仪器自校验标准方法-副本_第3页
3/43
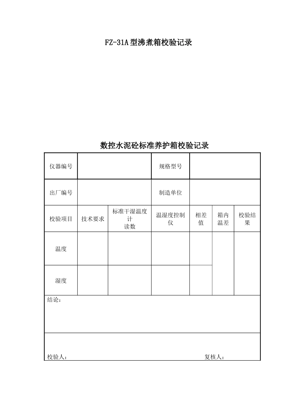
水泥安定性雷氏夹校验记录仪器编号规格型号出厂编号制造单位编号自由状态下两试针针尖距离 A (mm)挂 300g 砝码时两试针针尖距离 C (mm)C-A (mm)去掉砝码时两试针针尖距离B (mm)校验结论结论:校验人: 复核人:校验日期: 有效日期至: 校验周期: 校验用参考器具名称:电子天平、游标卡尺 编号:1-C-1-(7)、1-C-25仪器编号规格型号出厂编号制造单位检 验项 目技术要求校验情况校验结果箅板与加热器间距(㎜)≥50㎜升温时间30min±5min起始时间沸腾时间升温时间恒沸时间3h 以上沸腾时间停沸时间恒沸时间结论:校验人: 复核人:校验日期: 有效日期至: 校验周期: 校验用参考器具名称:钢直尺、秒表 编号:1-C-27、1-C-32FZ-31A 型沸煮箱校验记录 数控水泥砼标准养护箱校验记录仪器编号规格型号出厂编号制造单位校验项目技术要求标准干湿温度计读数温湿度控制仪相差值箱内温差校验结果温度湿度结论: 校验人: 复核人:校验日期: 有效日期至: 校验周期:校验用标准器具名称:干湿温度计 编号:1-C-65水泥胶砂试模校验记录仪器编号规格型号出厂编号制造单位试模编号技术要求校验数据 (mm)校验结果长宽高l23l23l23长:160mm±0.8mm宽:40mm±0.2mm高:40mm±0.1mm结论:校验人: 复核人:校验日期: 有效日期至: 校验周期:校验用参考器具名称:游标卡尺 编号:1-C-24 电热鼓风恒温干燥箱校验记录仪器编号规格型号出厂编号制造单位校验项目技 术 要 求校 验 情 况校验结果外观与工作性状态铭 牌外 观音 响电源控制系统绝缘性能技术参数温度控制标准温度计(℃)温度控制器控制值(℃)控制差(℃)(±3℃)恒温状况结论:校验人: 复核人:校验日期: 有效日期至: 校验周期: 校验用参考器具名称: 0~50℃标准温度计,50~100℃标准温度计 编号: 1-C-2-(1),1-C-2-(5)集 料 容 量 筒 检 验 记 录 仪器编号规格型号出厂编号制造单位规格1L2L3L5L10L15L20L30L技术要求内径(mm)净高(mm)壁厚(mm)校验数据内径(mm)净高(mm)壁厚(mm)容积校验筒(或筒+玻璃板)+水重(g)筒(或筒+玻璃板)重(g)容积(mL)校验结果结论:校验人: 复核人:校验日期: 有效日期: 校验周期:校验用标准器具名称:游标卡尺,电子天平 编号:1-C-25 1-C-1-(3)针片状规准仪校验记录仪器编号规格型号出厂编号制造单位校验项目技 术 要 求检 验 数 据检 验 结 果针 状规准仪(17.1±0....

1、当您付费下载文档后,您只拥有了使用权限,并不意味着购买了版权,文档只能用于自身使用,不得用于其他商业用途(如 [转卖]进行直接盈利或[编辑后售卖]进行间接盈利)。
2、本站所有内容均由合作方或网友上传,本站不对文档的完整性、权威性及其观点立场正确性做任何保证或承诺!文档内容仅供研究参考,付费前请自行鉴别。
3、如文档内容存在违规,或者侵犯商业秘密、侵犯著作权等,请点击“违规举报”。

碎片内容

公路建设工程试验仪器自校验标准方法-副本

您可能关注的文档

确认删除?
VIP
微信客服
  • 扫码咨询
会员Q群
  • 会员专属群点击这里加入QQ群
客服邮箱
回到顶部