电脑桌面
添加小米粒文库到电脑桌面
安装后可以在桌面快捷访问

压槽机说明书VIP专享VIP免费

压槽机说明书_第1页
1/3
压槽机说明书_第2页
2/3
压槽机说明书_第3页
3/3
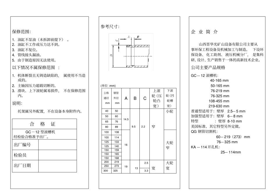
GC-12 系列滚槽机使用说明书(76-325) 山西晋华光矿山设备有限公司我公司有专业管道液压工具研究机构,生产制造的 GC-12型系列滚槽机,具有结构紧凑,造型美观,操作方便灵活,施工维修方便等优点,解决了国外产品价格昂贵,国内产品体积重,施工不便等不足。滚槽机主要技术参数 : 产品名称GC-12AGC-12BGC-12C工作范围76-325mm76-219mm50-169mm主轴转速15rpm15rpm15rpm额定电压380v380v380v电机功率1.5kw1.1kw0.75kw整机重量100kg75kg外形尺寸950×350×980950×320×880工作原理(简图):使用说明:1.上滚轮轴每三天加注一次黄油。2.减速机机油应经常检查,及时补足。3.油泵放油螺栓不可拧出太多,滚压前拧紧放油螺栓,工作完毕放松,油缸自然上升,至管道能取出即可拧紧,以备下次使用。加油从上盖小螺栓孔透气孔加入洁净液压油,不得拆开上盖,否则漏油密封件等会全部损坏。工作时有少量油及气泡从上盖小螺栓和大螺帽冒出属正常(透气) 。4.应随着管件转动缓慢加压,切勿用力过大以免损坏机体及主轴。5.检查工件;所要加工的钢管口应平整,无毛刺,焊管内的焊缝应磨平,其长度不少于 60mm. 6.将需要加工沟槽的钢管架设在滚槽机下压轮和托架上,托架位置放置在钢管中部略向外的位置。7.调整钢管使其处于水平或托架处略高一点,将钢管端面与滚槽机主轴的定位置贴紧。8.启动滚槽机电机,徐徐扳动油泵手柄,使上压轮滚压钢管至要求的沟槽深度为止,停机。取出钢管,完成一次操作9.检查沟槽的深度和宽度, 确认符合要求。10.如果出现手压泵无力、上压轮不动现象是油路中存有空气,可排气。首先让上轮回到起始位置,松开松油螺钉背面内六方(M8)螺钉,取出小弹簧,用手指轻堵,反复压手压泵,有气泡和油排出,多压几次。然后将弹簧、螺钉装好,继续工作。保修范围:1.油缸不泵油(未拆卸前提下) 。2.油缸不工作或压力达不到。3.油缸不复位。4.管线接头漏油。5.由于制造原因无法使用。以下情况不属保修范围 : 1.机体断裂且无铸造缺陷的, 属使用不当造成的。2.主轴因压力超载切断的。3.滑块、上下滚轮属易损件, 不在保修范围内。说明:托架属另外配置,不在设备本身附件内。合格证GC-12 型滚槽机经检验合格准予出厂。出厂编号检验员出厂日期参考尺寸:(单位 :mm)公称通径mm 钢管外径mm A B C 上滚轮(压轮凸宽)下滚轮(凹轮槽宽)40 50 14.59.52.2窄小轮50 60 65 76 80 89 100 108 16 大轮窄10...

1、当您付费下载文档后,您只拥有了使用权限,并不意味着购买了版权,文档只能用于自身使用,不得用于其他商业用途(如 [转卖]进行直接盈利或[编辑后售卖]进行间接盈利)。
2、本站所有内容均由合作方或网友上传,本站不对文档的完整性、权威性及其观点立场正确性做任何保证或承诺!文档内容仅供研究参考,付费前请自行鉴别。
3、如文档内容存在违规,或者侵犯商业秘密、侵犯著作权等,请点击“违规举报”。

碎片内容

压槽机说明书

确认删除?
VIP
微信客服
  • 扫码咨询
会员Q群
  • 会员专属群点击这里加入QQ群
客服邮箱
回到顶部