电脑桌面
添加小米粒文库到电脑桌面
安装后可以在桌面快捷访问

吸尘器成品开箱检验标准VIP免费

吸尘器成品开箱检验标准_第1页
1/10
吸尘器成品开箱检验标准_第2页
2/10
吸尘器成品开箱检验标准_第3页
3/10
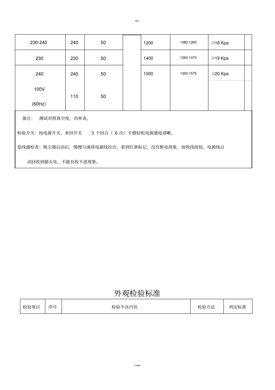
精品可编辑苏州正雄电器有限公司吸尘器成品开箱检验标准文件编号编写:审核:批准:QGR/C-W13-F01 发布日期: 2016 年 04 月 28 日实施日期: 2016 年 04 月 28 日A0 1. 目的:对当天生产的已封箱打包好的产品进行开箱检验,防止不符合要求的产品出厂。2. 范围:所有封箱打包好的吸尘器。3. 职责:技质部开箱检验员负责吸尘器的开箱检验。一、检验项目二、检验项目包括:1 、外观;2 、功能(结构、尺寸、性能);3、安全; 4;核对,3C,欧标结构数据表,CDF 表,三、1、 批量小于等于15 个的产品进行全检。2、 批量大于15 个产品时:按GB/T2828.1-2003( MIL-STD-105D),一般性检查水准Ⅱ 级进行抽样。四、允收水准 AQL1、 全检的产品,检出的不良品退回给供应商,其余收下。2、 批量数大于15 的产品,其允收水准按下表查询允收水准表执行:产品分类橡塑类电器类五金类包材类附件类精品可编辑A 类不合格——0——————B 类不合格1.50.651.51.51.5C 类不合格4.01.04.04.04.0备注: 开箱记录单填写说明:每单检验记录填写二十台后,可只填写功率,真空度和缺陷记录,性能检验标准吸尘器测试状态及性能指数一览表额 定 电 压测 试 状 态额定功率性能指数电 压频 率W输入功率全开+5-10% W实测真空度KPAVVHz600540-630≥12Kpa22050700630-735≥16Kpa220 (60HZ)22050800720-840≥16Kpa220-23023050800 720-840≥16 Kpa220-240230501000 900-1050≥18 Kpa精品可编辑230-240240501200 1080-1260≥18 Kpa230230501400 1260-1470≥19 Kpa 240240501500 1350-1575≥20 Kpa 100V(60Hz)11050备注:测试对照真空度,功率表,检验开关:按电源开关,来回开关3 个回合( 6 次)手感轻松电源通电清晰,卷线器检查:吸尘器启动后,缓慢匀速将电源线拉出,看到红黄标记,没有断电现象,按收线按钮,电源线自动回收到插头处,不能有收不进现象。外观检验标准检验项目序号检验不良内容检验方法判定标准精品可编辑外观1肮脏、破损变形,刮花,裂纹,凹凸点,直径或长度小于0.4 毫米,错位影响外观,直径或长度小于1 里米,漏打螺丝,漏装零部件,零部件用错,丝印模糊,缺漏文字,喷漆件:露底不均匀,变色,目视MI 合格耐压测试标准耐压测试在开关,电源线,插头,外观螺丝的地方电压符合工艺要求,AC1000V-3750V,,漏电流 5mA ,1S 无击穿测试仪CRI包装部位检验标准纸箱检验项目序号检验不良内...

1、当您付费下载文档后,您只拥有了使用权限,并不意味着购买了版权,文档只能用于自身使用,不得用于其他商业用途(如 [转卖]进行直接盈利或[编辑后售卖]进行间接盈利)。
2、本站所有内容均由合作方或网友上传,本站不对文档的完整性、权威性及其观点立场正确性做任何保证或承诺!文档内容仅供研究参考,付费前请自行鉴别。
3、如文档内容存在违规,或者侵犯商业秘密、侵犯著作权等,请点击“违规举报”。

碎片内容

吸尘器成品开箱检验标准

文库当当响+ 关注
实名认证
内容提供者

该用户很懒,什么也没介绍

确认删除?
VIP
微信客服
  • 扫码咨询
会员Q群
  • 会员专属群点击这里加入QQ群
客服邮箱
回到顶部