电脑桌面
添加小米粒文库到电脑桌面
安装后可以在桌面快捷访问

喷漆废气和废漆渣的估算及处理措施VIP免费

喷漆废气和废漆渣的估算及处理措施_第1页
1/10
喷漆废气和废漆渣的估算及处理措施_第2页
2/10
喷漆废气和废漆渣的估算及处理措施_第3页
3/10
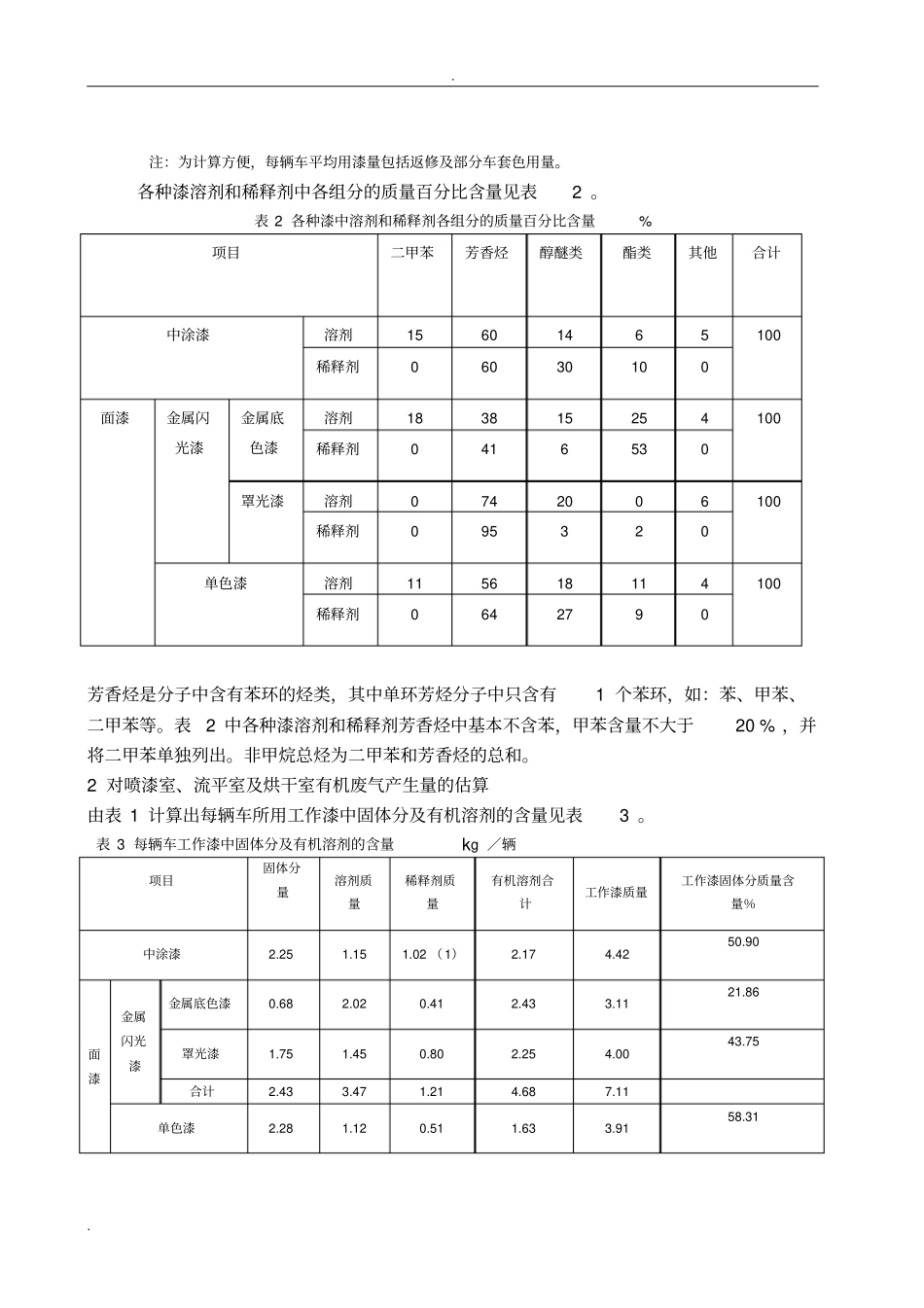
. . 喷漆废气和废漆渣的估算及处理措施张禾(中国汽车技术研究中心.天津300162 )摘要: 汽车涂装车间涂漆包括喷漆、流平和烘干工序, 在这些工序中会产生有机废气、过喷漆雾及漆渣。需要根据年产量、油漆品种和油漆用量、涂装设备和涂装方法确定喷漆室、流平室和烘干室的有机废气产生和排放量,根据GB 16297 一 1 996 大气污染物综合排放标准确定排气筒高度。通过采用先进的涂装工艺,中涂、面漆以静电旋转杯喷涂为主,由机器人自动仿形,出漆量及喷涂图形根据车身不同位置调整到最佳状态.使油漆利用率提高到90 %以上,从而减少有机溶剂对环境的污染。中涂、面漆线若采用水性漆,则可从根本上解决喷漆对环境的污染。关键词: 喷漆;废气:废漆渣;估算汽车涂装车间要对工件进行漆前处理、电泳和喷漆。涂漆工序包括喷漆、流平和烘干,在这些工序中会产生有机废气及过喷漆雾,在喷漆室处理过喷漆雾装置的循环水系统中要添加絮凝剂,使废气及过喷漆雾与循环水充分接触,形成废漆渣,循环水要进行漆渣处理,还要定期排放循环水。根据GB 16297-1996 大气污染物综合排放标准,对喷漆中产生的甲苯、二甲苯和非甲烷总烃及颗粒物(TSP )等有排放限值要求,现以某种车型的轿车为例对其喷漆、流平和烘干工序产生的废气及废漆渣进行估算并简要说明处理措施。1 估算条件年生产某型轿车5 万辆。根据 JBJ/T2 一 2000 机械工厂年时基数设计标准规定,全年工作日 251 天, 2 班制生产,设备年时基数为378Oh 。设备利用率为 90 % ,设备生产能力要保证完成 14.7 辆/h 白车身的涂装能力,现按15 辆/ h 进行估算。该种轿车中50 %的车身面漆采用金属闪光漆,即面漆包括金属底色漆(BC)及罩光漆( CC) ,另 50 % 采用本色漆。采用聚醋中涂漆,金属闪光漆为丙烯酸聚醋金属底色漆和丙烯酸罩光漆;本色漆为丙烯酸漆。中涂层膜厚为35μ m,BC 15 μ m / CC 35 μ m,本色漆 40μ m。中涂和面漆的喷漆、 流平和烘干共用一条生产线, 因此该线的车身通过能力为30 辆. . /h 。为满足个性化的需求,还设计了一条多功能喷漆线,可对20% 的车身进行套色和对20 %的车身进行返修。中涂/面漆喷漆室及流平室和多功能喷漆室及流平室共设一个排气塔。中涂/面漆烘干室及多功能烘干室各设一个排气筒,根据GB 16297-1996 规定, a .新污染源的排气筒一般不应低于15m。若某新污染源的排气筒必须低于15m时,其排...

1、当您付费下载文档后,您只拥有了使用权限,并不意味着购买了版权,文档只能用于自身使用,不得用于其他商业用途(如 [转卖]进行直接盈利或[编辑后售卖]进行间接盈利)。
2、本站所有内容均由合作方或网友上传,本站不对文档的完整性、权威性及其观点立场正确性做任何保证或承诺!文档内容仅供研究参考,付费前请自行鉴别。
3、如文档内容存在违规,或者侵犯商业秘密、侵犯著作权等,请点击“违规举报”。

碎片内容

喷漆废气和废漆渣的估算及处理措施

确认删除?
VIP
微信客服
  • 扫码咨询
会员Q群
  • 会员专属群点击这里加入QQ群
客服邮箱
回到顶部